GM Service Manual Online
For 1990-2009 cars only
Makes
🢒
Chevrolet
🢒
2008
🢒
Epica
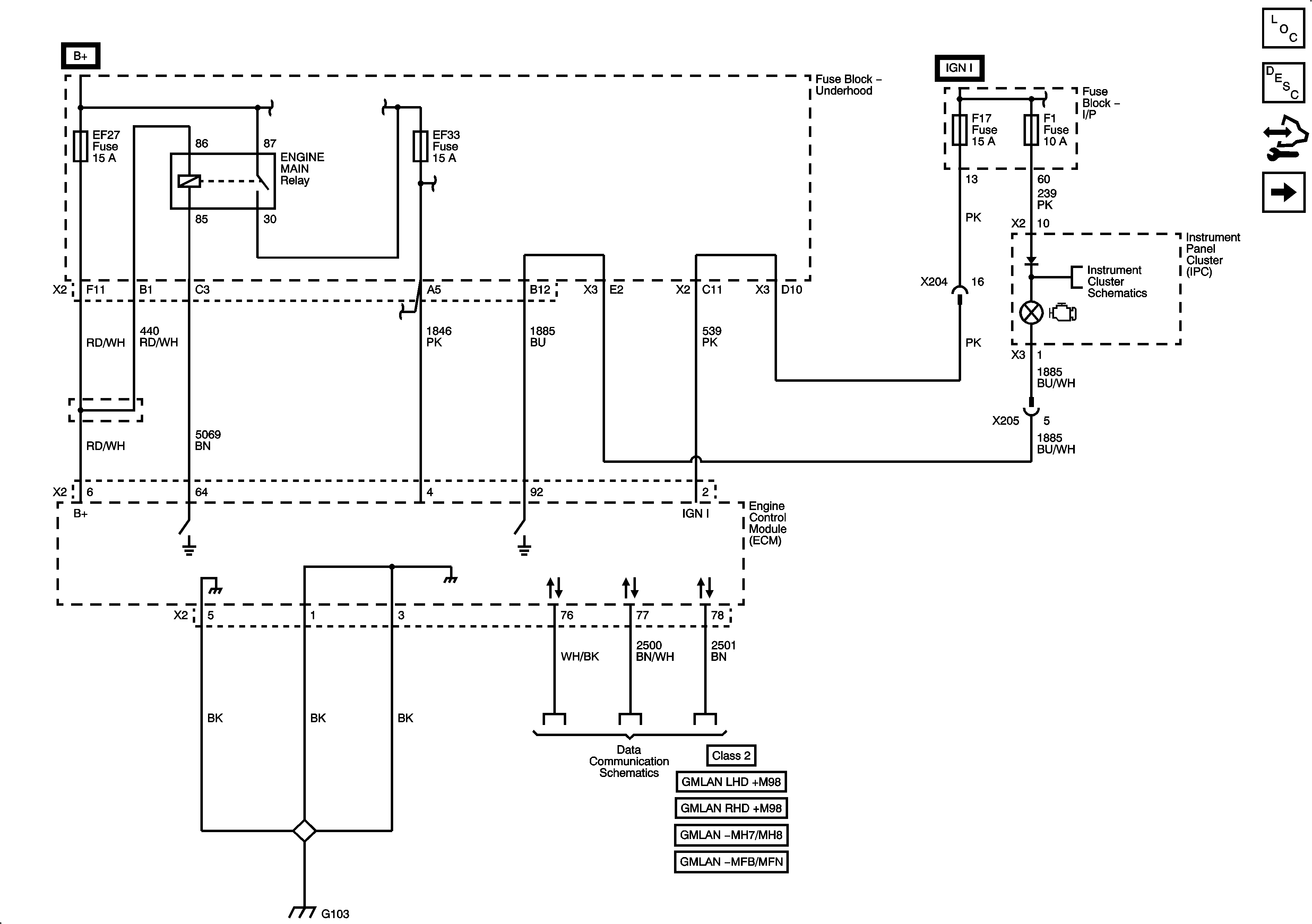
🢒 Power, Ground, Serial Data and MIL
Power, Ground, Serial Data and MIL
Power, Ground, Serial Data and MIL
Master Electrical Component List
Engine Control Module Description
Control Module References
Engine Data Sensors - Pressure, Temperature, MAF and VSS
B+ Bus
Ignition Switch
Fuse Block - Underhood EF33 Fuse
Fuse Block - Underhood EF33 Fuse
Indicators 2 of 3
Power, Ground, Class 2
High Speed GMLAN - M98 (LHD)
High Speed GMLAN - M98 (RHD)
High Speed GMLAN - MH7/MH8
High Speed GMLAN - MFB/MFN
G103, G105, G108 (Diesel), G201