GM Service Manual Online
For 1990-2009 cars only
Makes
🢒
Chevrolet
🢒
2008
🢒
Epica
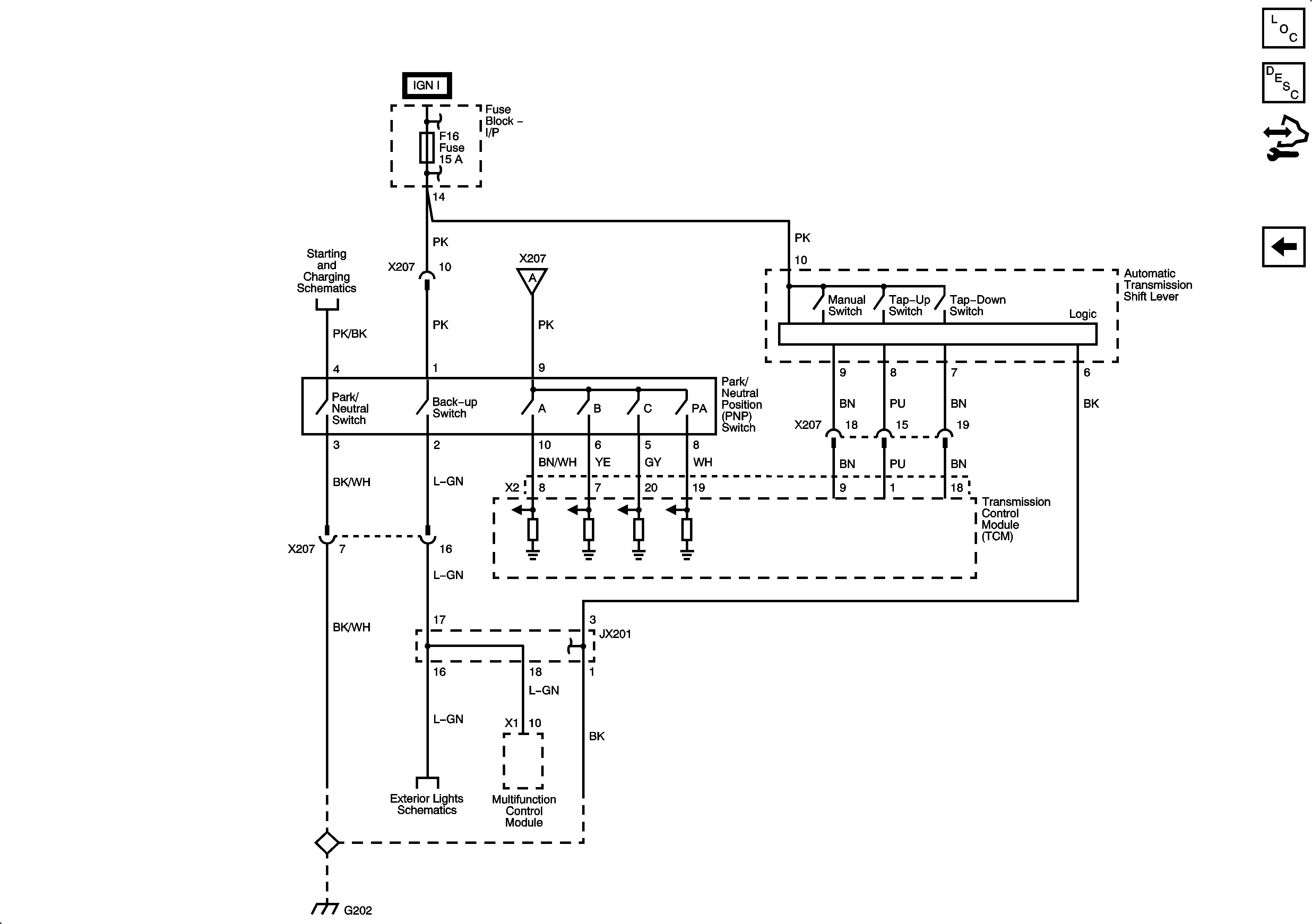
🢒 PNP Switch, Shift Lever
PNP Switch, Shift Lever
PNP Switch, Shift Lever
Master Electrical Component List
Transmission General Description
Control Module References
Speed Sensors
Ignition Switch
Fuse Block - I/P F10, F16, F17 Fuses
Starting
Power, Ground, Serial Data, Hold Mode
Backup Lamps (M98/MFB/MFN)
Backup Lamps (M98/MFB/MFN)
G202, 1 of 2