GM Service Manual Online
For 1990-2009 cars only
Makes
🢒
Chevrolet
🢒
2008
🢒
Epica
🢒 Battery Saver
Battery Saver
Battery Saver
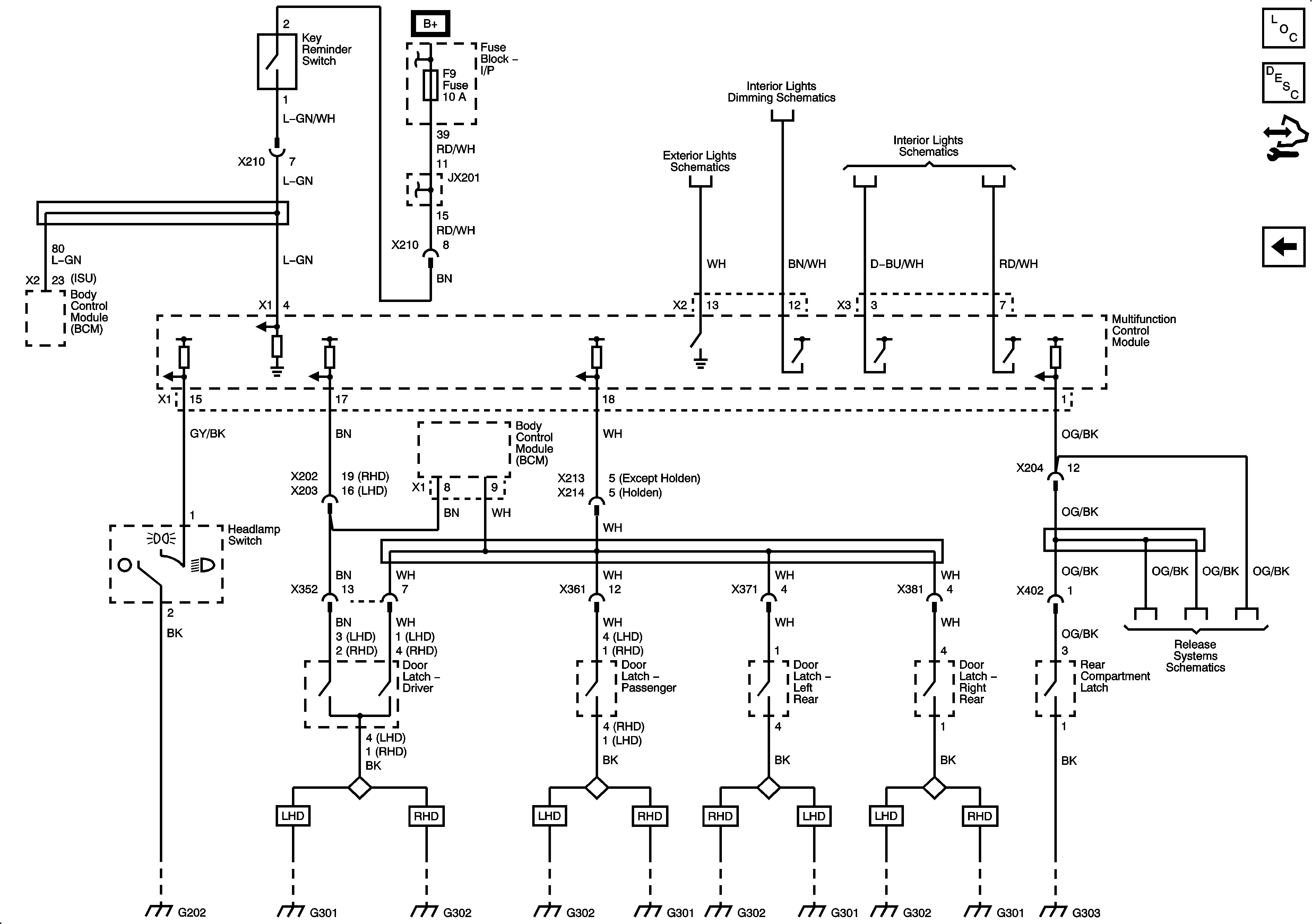
Master Electrical Component List
Exterior Lighting Systems Description and Operation
Control Module References
Backup Lamps (MH7/MH8)
Fuse Block - Underhood ALTERNATOR, EF1, EF3, EF5, EF18, EF19, Ef27, EF30, EF31 Fuses and POWER WINDOW, ENGINE MAIN Relays
Park Lamps, License Lamps
Dimming Control
Interior Lights Schematics
Release Systems Schematics
G202, 1 of 2
G301 (LHD)
G302 (LHD)
G302 (LHD)
G301 (LHD)
G301 (LHD)
G302 (LHD)
G303
Fuse Block - I/P F8, F9, F15, F22, F23 Fuses
Fuse Block - I/P F8, F9, F15, F22, F23 Fuses
Turn and Hazard Lamps
G202, 2 of 2
G302 (RHD)
G301 (RHD)
G302 (RHD)
G301 (RHD)