GM Service Manual Online
For 1990-2009 cars only
Makes
🢒
Chevrolet
🢒
2005
🢒
Equinox
🢒
Body
🢒
Wiring Systems
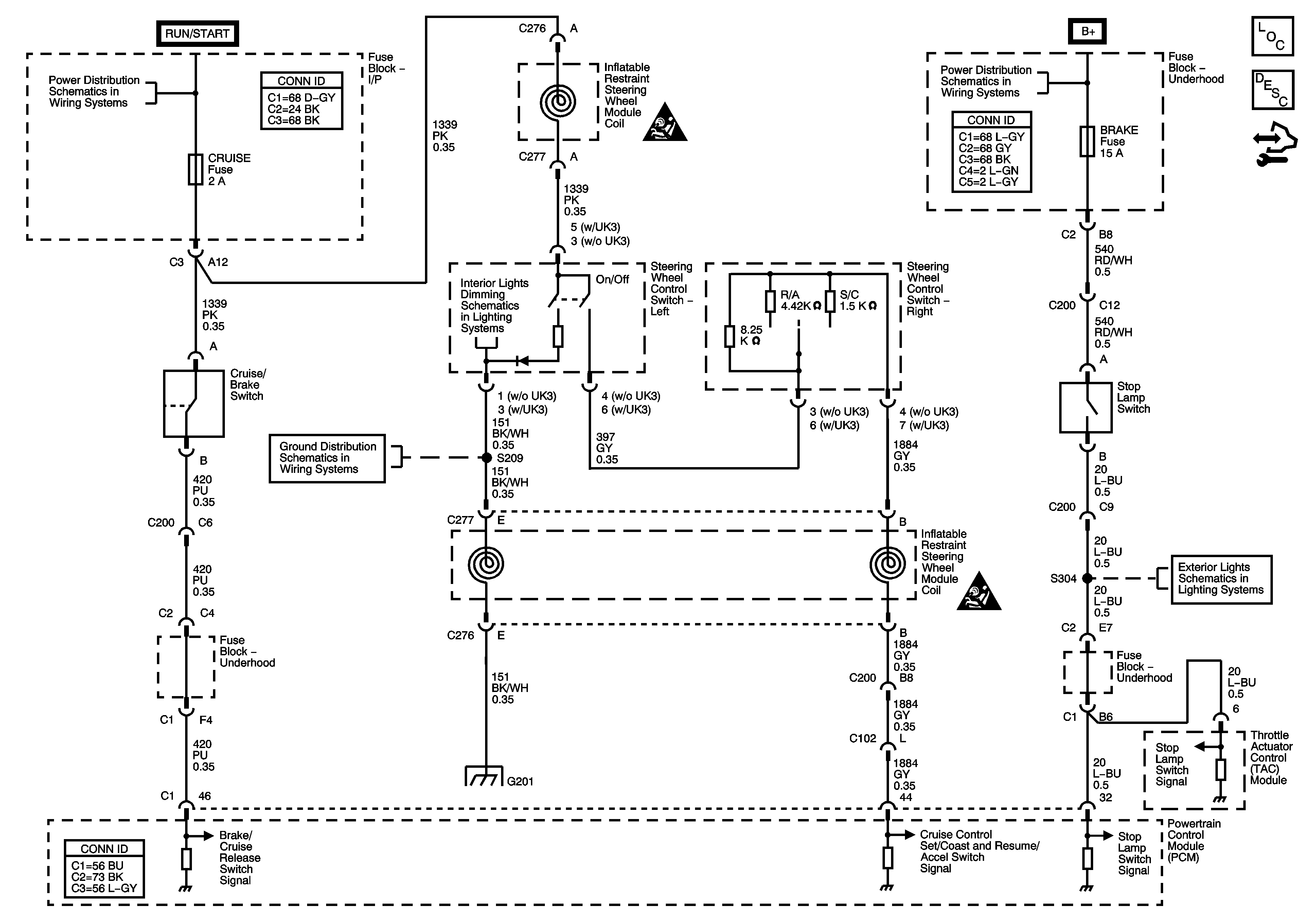
🢒 Cruise Control Schematics
Master Electrical Component List
Cruise Control Description and Operation
Control Module References
Ignition Circuits
B+ Bussing
G201
G201
SIR Caution for Zoning
SIR Caution for Zoning
Stop Lamps