GM Service Manual Online
For 1990-2009 cars only
Figure 1:

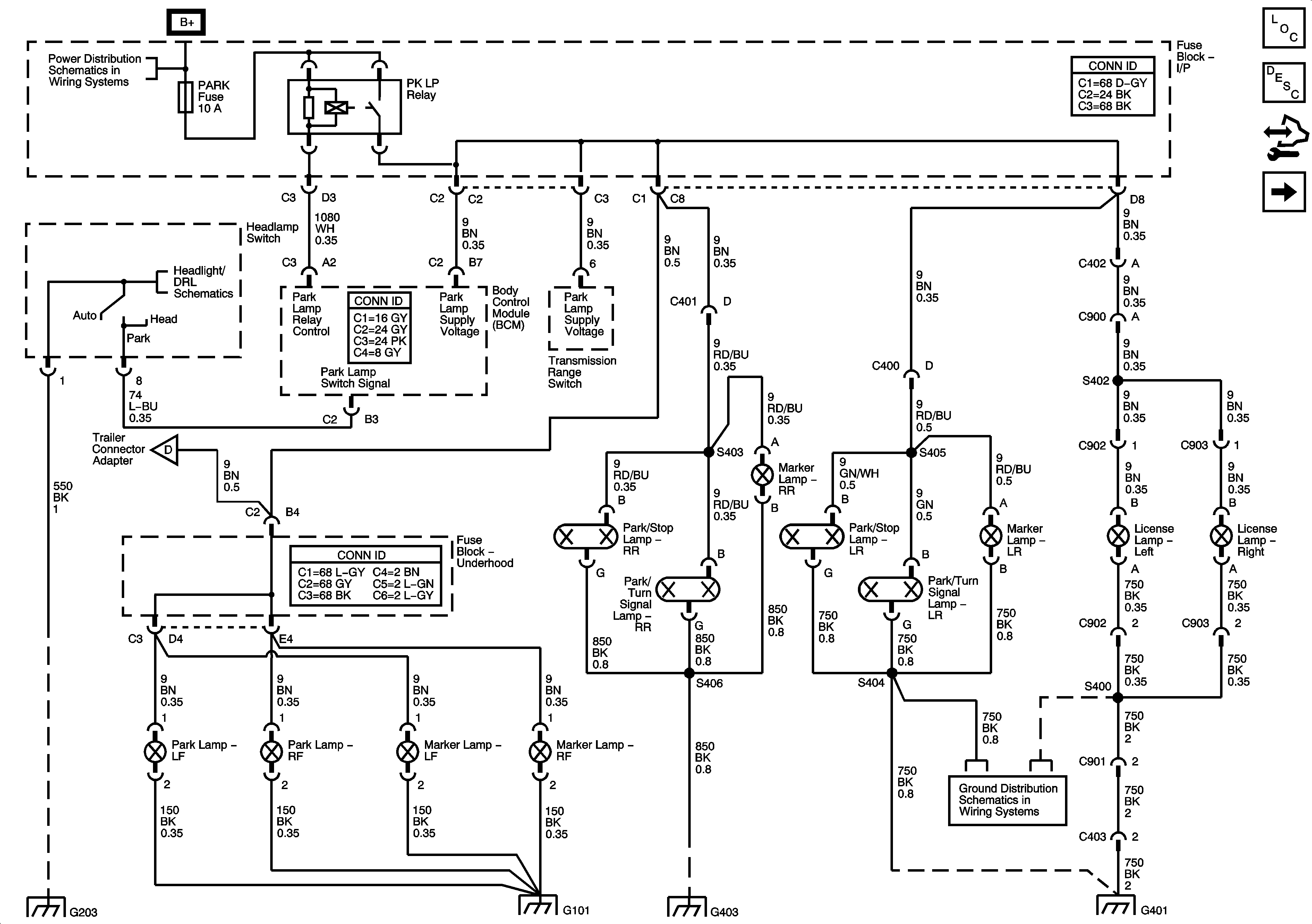
Park Lamps


Object Number: 1380903  Size: FS
Master Electrical Component List
Exterior Lighting Systems Description and Operation
Control Module References
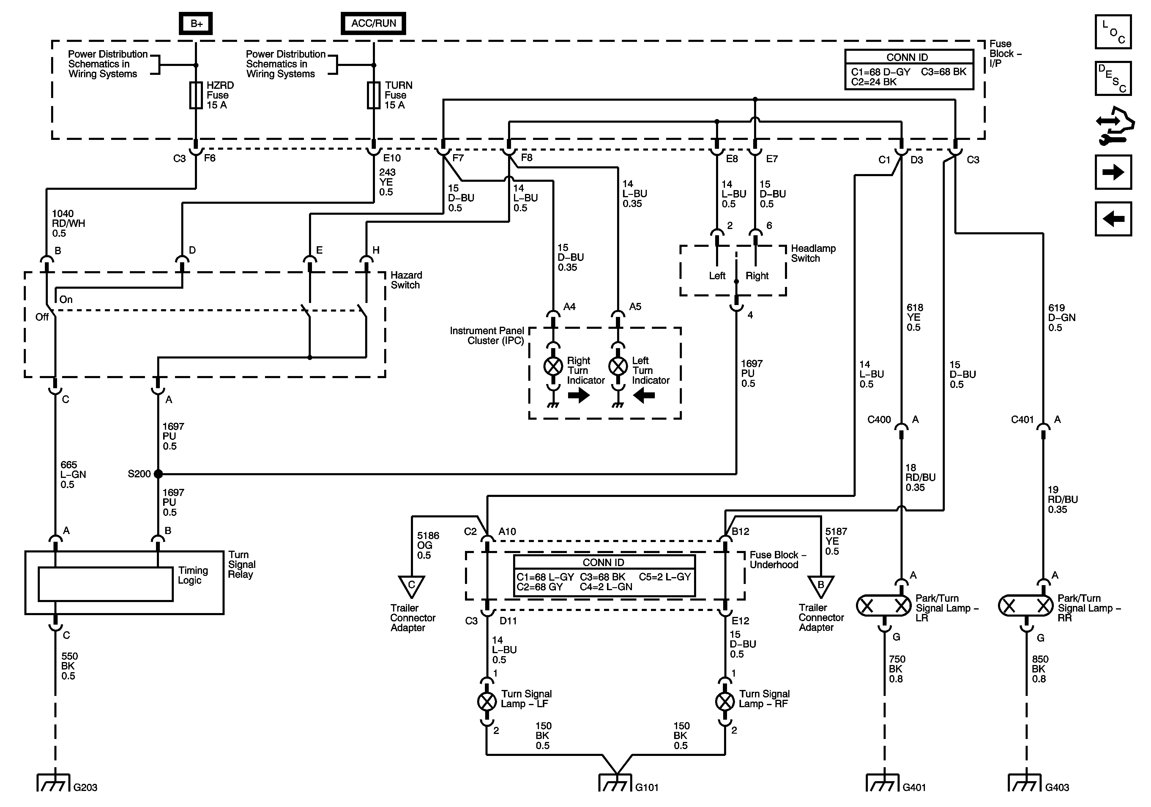
Hazards and Turn Signal Lamps
B+ Bussing
B+ Bussing
Trailer Connector Adapter (V92)
G101
G401 and G403
G401 and G403
G401 and G403
G203 and G205
Figure 2:

Hazards and Turn Signal Lamps


Object Number: 1380905  Size: FS
Master Electrical Component List
Exterior Lighting Systems Description and Operation
Control Module References
Stop Lamps
Park Lamps
B+ Bussing
Ignition Circuits
Trailer Connector Adapter (V92)
G203 and G205
G401 and G403
G101
G401 and G403
Figure 3:

Stop Lamps


Object Number: 1380906  Size: FS
Master Electrical Component List
Exterior Lighting Systems Description and Operation
Control Module References
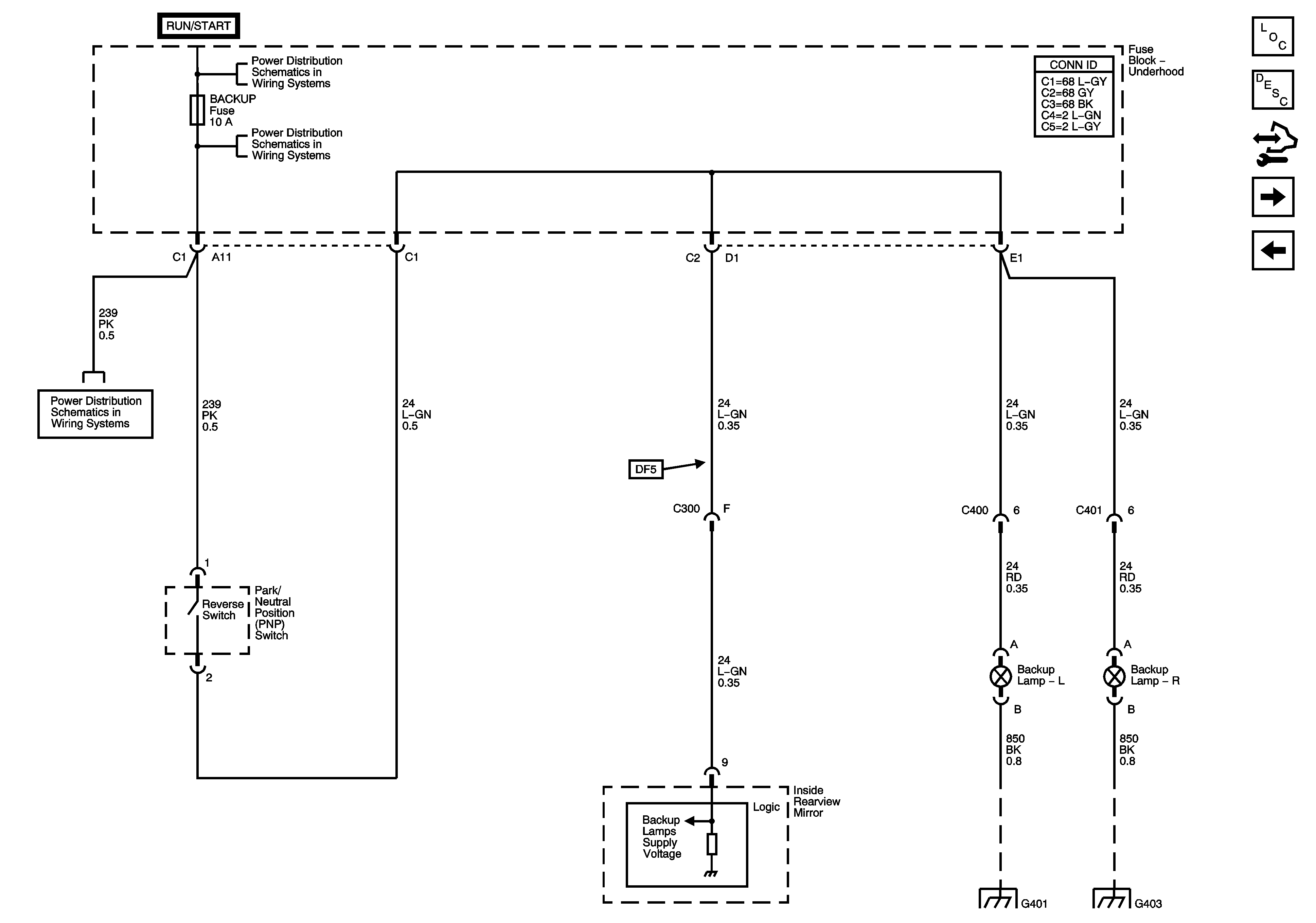
Backup Lamps
Hazards and Turn Signal Lamps
B+ Bussing
Cruise Control Schematic
Trailer Connector Adapter (V92)
G401 and G403
G401 and G403
G401 and G403
Figure 4:

Backup Lamps


Object Number: 1380907  Size: FS
Master Electrical Component List
Exterior Lighting Systems Description and Operation
Control Module References
Trailer Connector Adapter (V92)
Stop Lamps
Ignition Circuits
BACKUP Fuse, PWR TRAIN Fuse, ENG IGN Fuse and the 10A ABS Fuse
BACKUP Fuse, PWR TRAIN Fuse, ENG IGN Fuse and the 10A ABS Fuse
G401 and G403
Figure 5:

Trailer Connector Adapter (V92)


Object Number: 1380908  Size: FS
Master Electrical Component List
Exterior Lighting Systems Description and Operation
Control Module References
Backup Lamps
Hazards and Turn Signal Lamps
Park Lamps
Stop Lamps
B+ Bussing
PWD WDW, SUNROOF, ABS, ABS PWR, HVAC BLOWER, AUX1 OUTLET, AUX2/CARGO, CIGAR, and ECM/TCM Fuses
G401 and G403