GM Service Manual Online
For 1990-2009 cars only
Makes
🢒
Chevrolet
🢒
2005
🢒
Equinox
🢒
Body
🢒
Wiring Systems
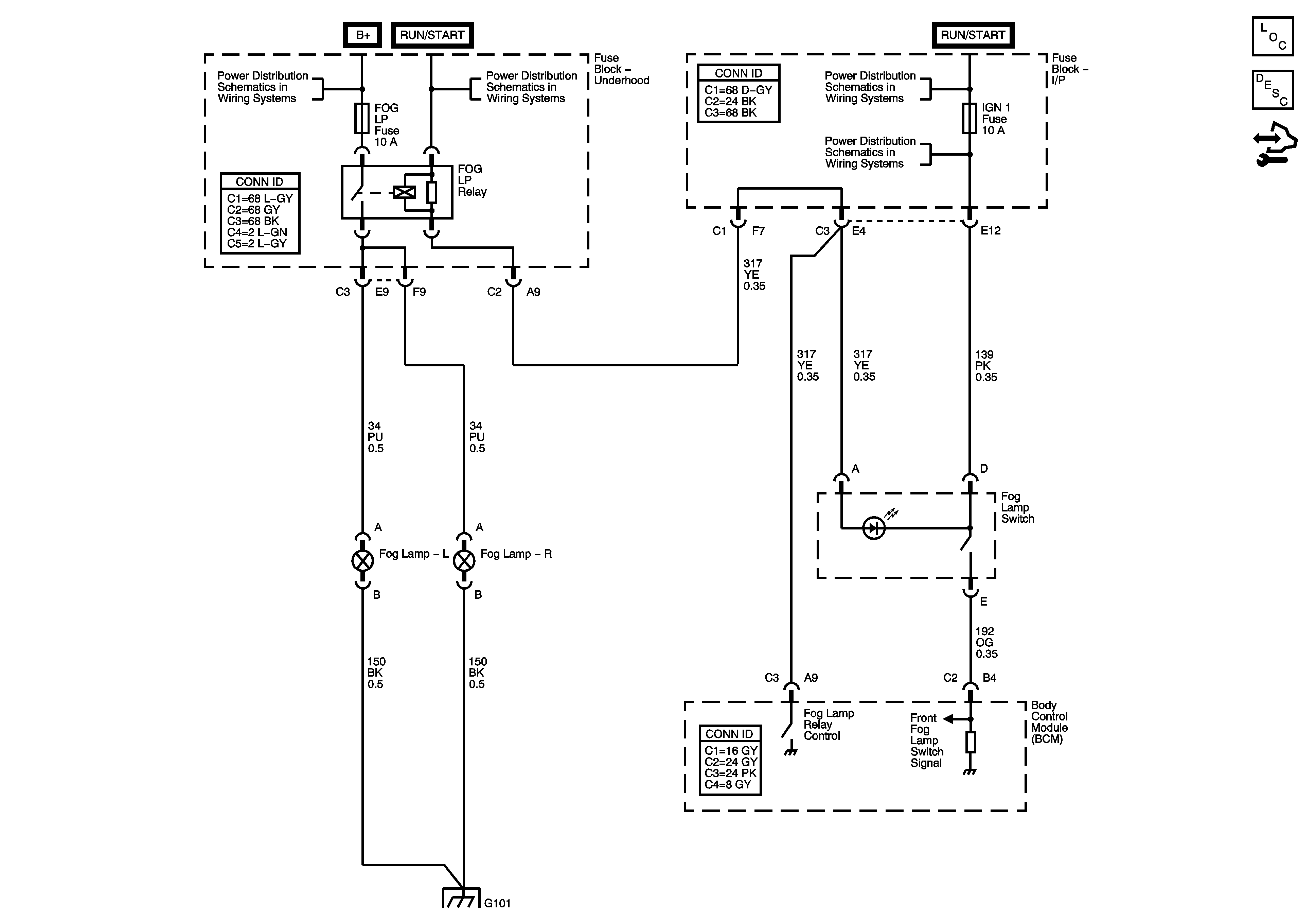
🢒 Fog Lights Schematics
Master Electrical Component List
Exterior Lighting Systems Description and Operation
Control Module References
B+ Bussing
Ignition Circuits
Ignition Circuits
IGN1, BCM(IGN), AIR BAG, EPS, and CRUISE Fuses
G101