GM Service Manual Online
For 1990-2009 cars only
Makes
🢒
Chevrolet
🢒
2005
🢒
Equinox
🢒 Starting
Starting
Starting
Master Electrical Component List
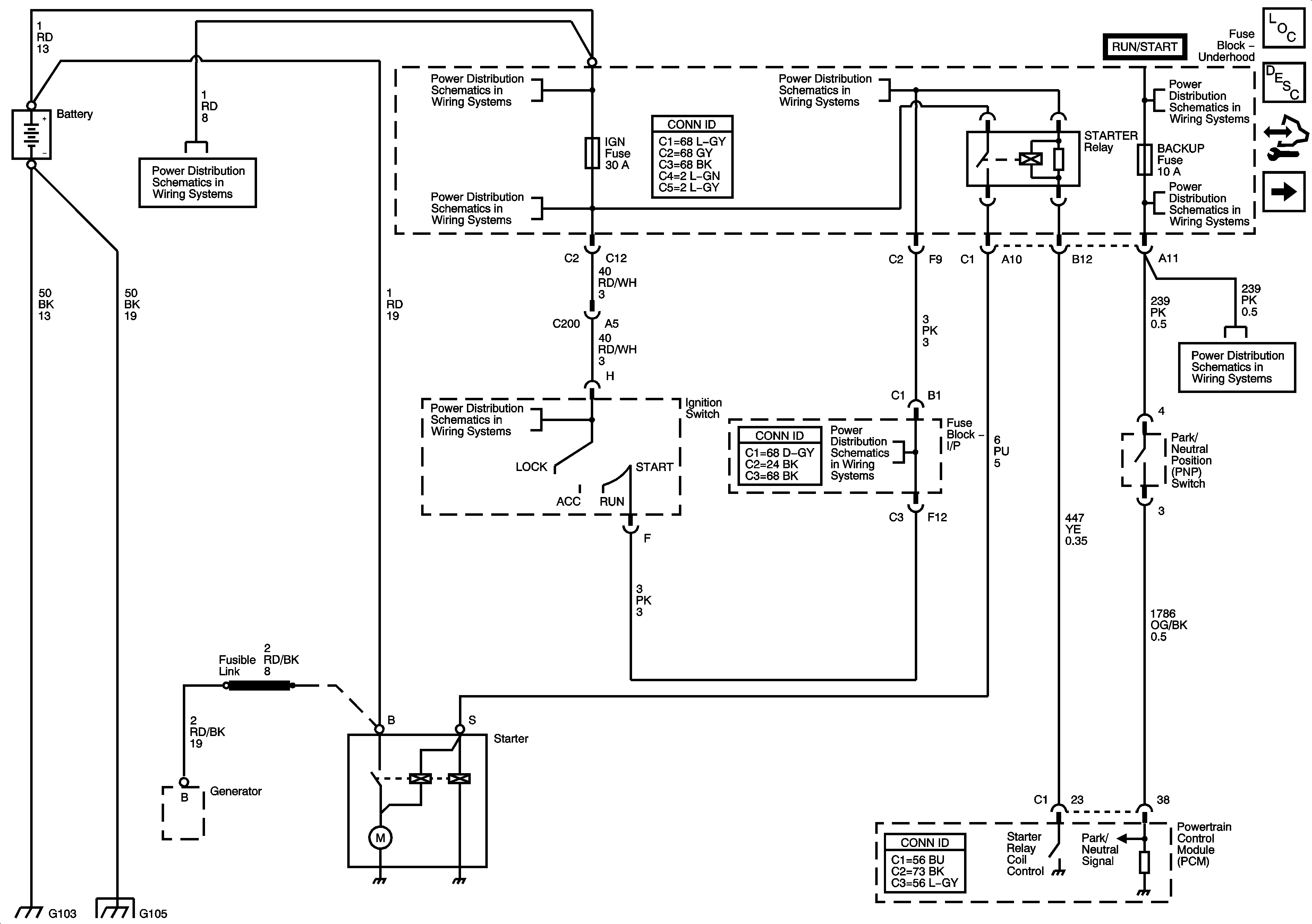
Starting System Description and Operation
Control Module References
Charging and Indicator
Ignition Circuits
Ignition Circuits
Ignition Circuits
Ignition Circuits
B+ Bussing
B+ Bussing
G103, G105, G107, G109, and G207
Ignition Circuits
BACKUP Fuse, PWR TRAIN Fuse, ENG IGN Fuse and the 10A ABS Fuse
BACKUP Fuse, PWR TRAIN Fuse, ENG IGN Fuse and the 10A ABS Fuse