GM Service Manual Online
For 1990-2009 cars only
Makes
🢒
Chevrolet
🢒
2005
🢒
Equinox
🢒 Charging and Indicator
Charging and Indicator
Charging and Indicator
Master Electrical Component List
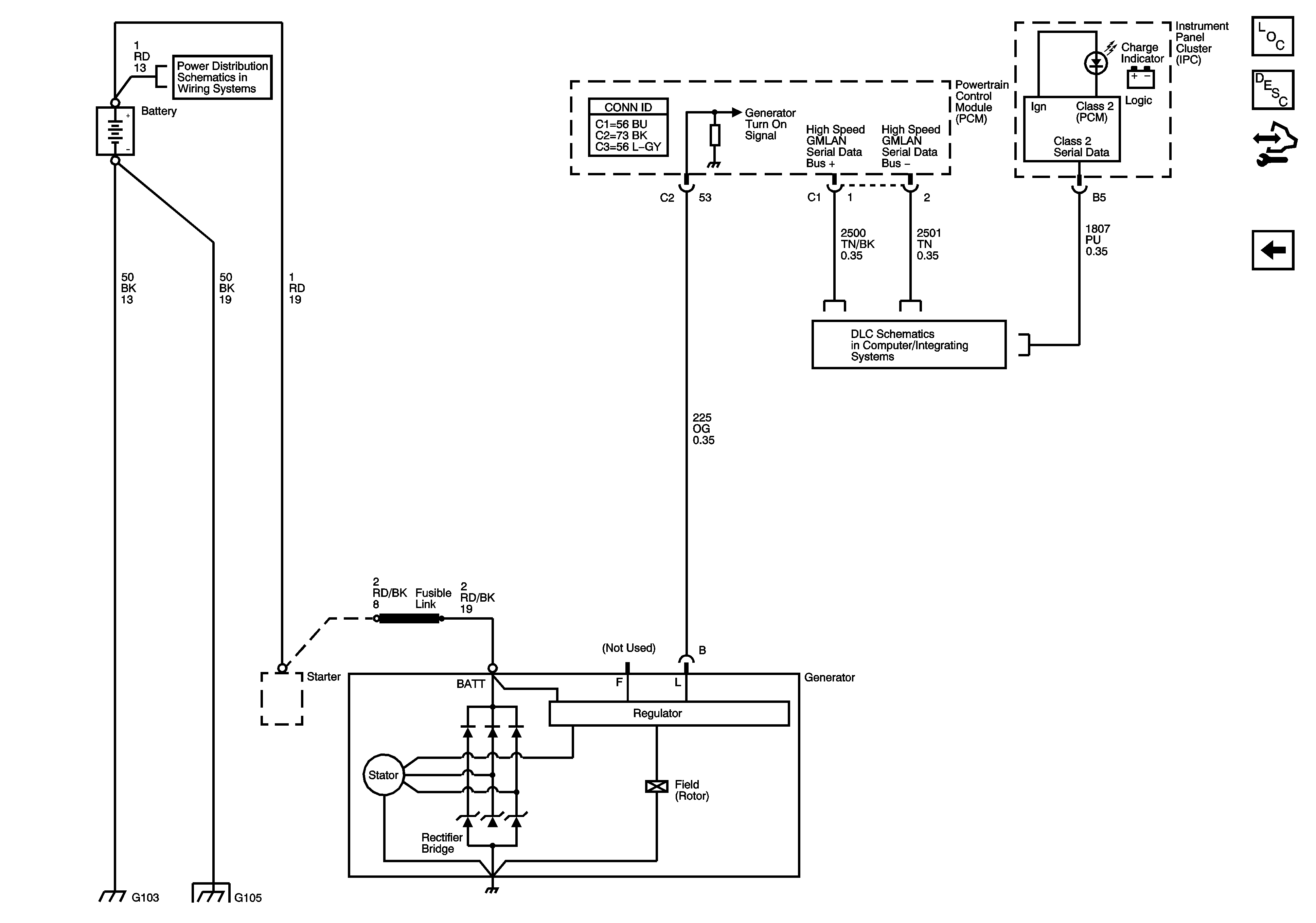
Charging System Description and Operation
Control Module References
Starting
B+ Bussing
Data Link Communication Schematic
G103, G105, G107, G109, and G207