GM Service Manual Online
For 1990-2009 cars only
Makes
🢒
Chevrolet
🢒
2005
🢒
Equinox
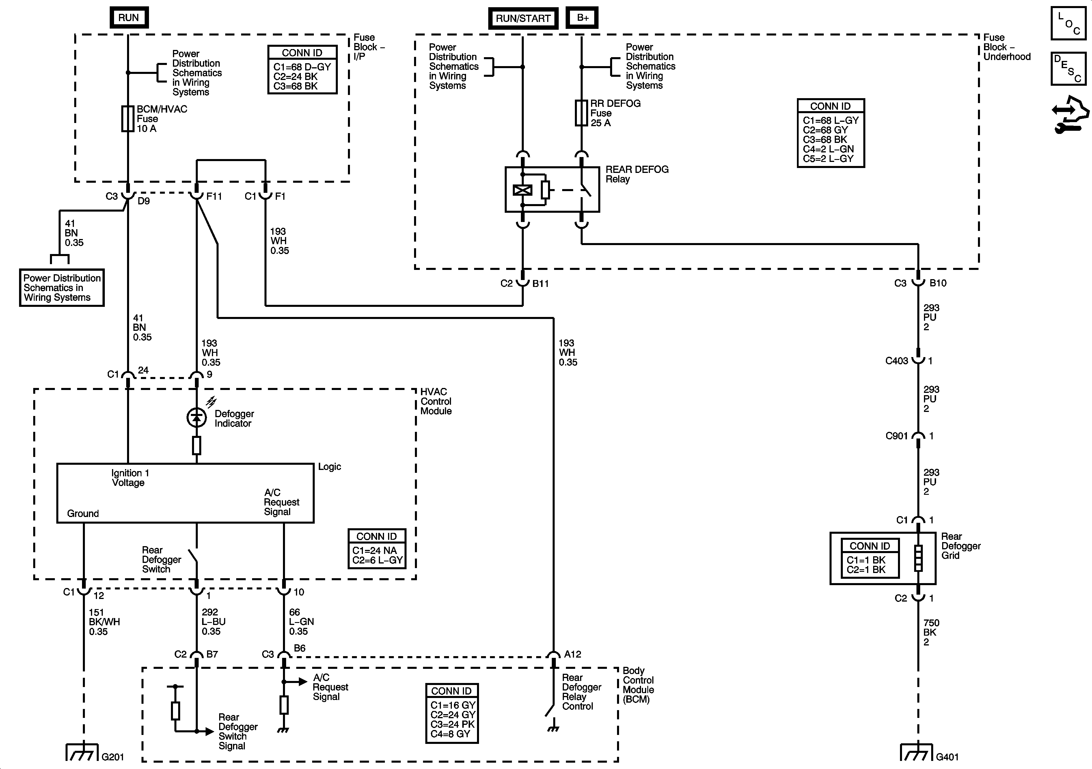
🢒 Defogger Schematic
Defogger Schematic
Master Electrical Component List
Rear Window Defogger Description and Operation
Control Module References
Ignition Circuits
TURN, BCM, RADIO(IGN), HVAC, and HTD SEATS Fuses
Ignition Circuits
B+ Bussing
G201
G401 and G403