GM Service Manual Online
For 1990-2009 cars only
Makes
🢒
Chevrolet
🢒
2005
🢒
Equinox
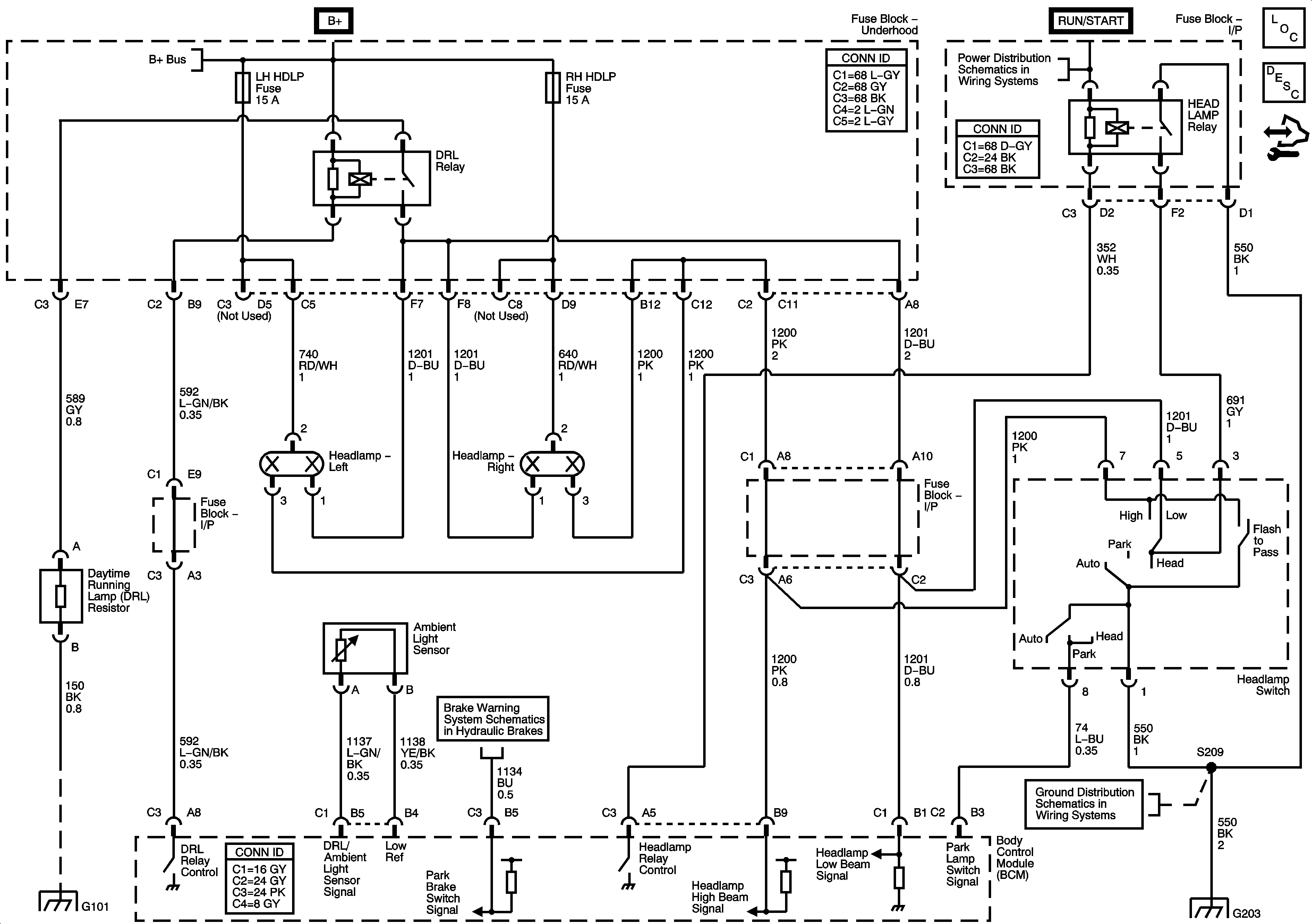
🢒 Headlight/DRL Schematic
Headlight/DRL Schematic
Master Electrical Component List
Exterior Lighting Systems Description and Operation
Control Module References
B+ Bussing
Ignition Circuits
Brake Warning Schematic
G101
G203 and G205