GM Service Manual Online
For 1990-2009 cars only
Figure 1:

Cell 65: 98 GMT 600 Vacuum System


Object Number: 458210  Size: FS
Handling ESD Sensitive Parts Notice
Handling ESD Sensitive Parts Notice
Figure 2:

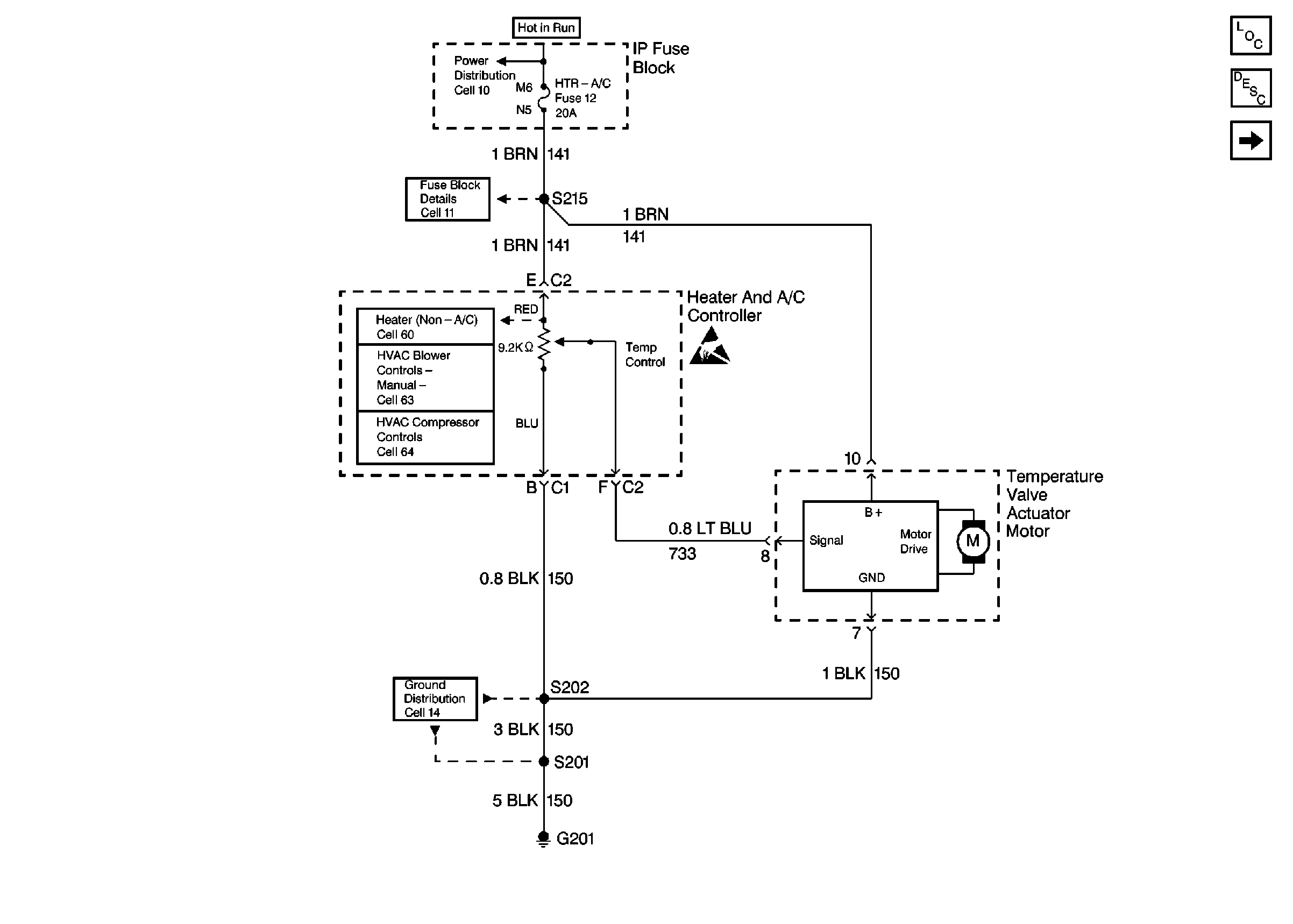
Cell 65: 98 GMT600 Front Temperature Controls


Object Number: 458214  Size: FS
Power Distribution Schematics
Fuse Block Schematics
Heater Blower Controls Schematics
HVAC Blower Control Schematics
HVAC Compressor Control Schematics
Ground Distribution Schematics
Handling ESD Sensitive Parts Notice
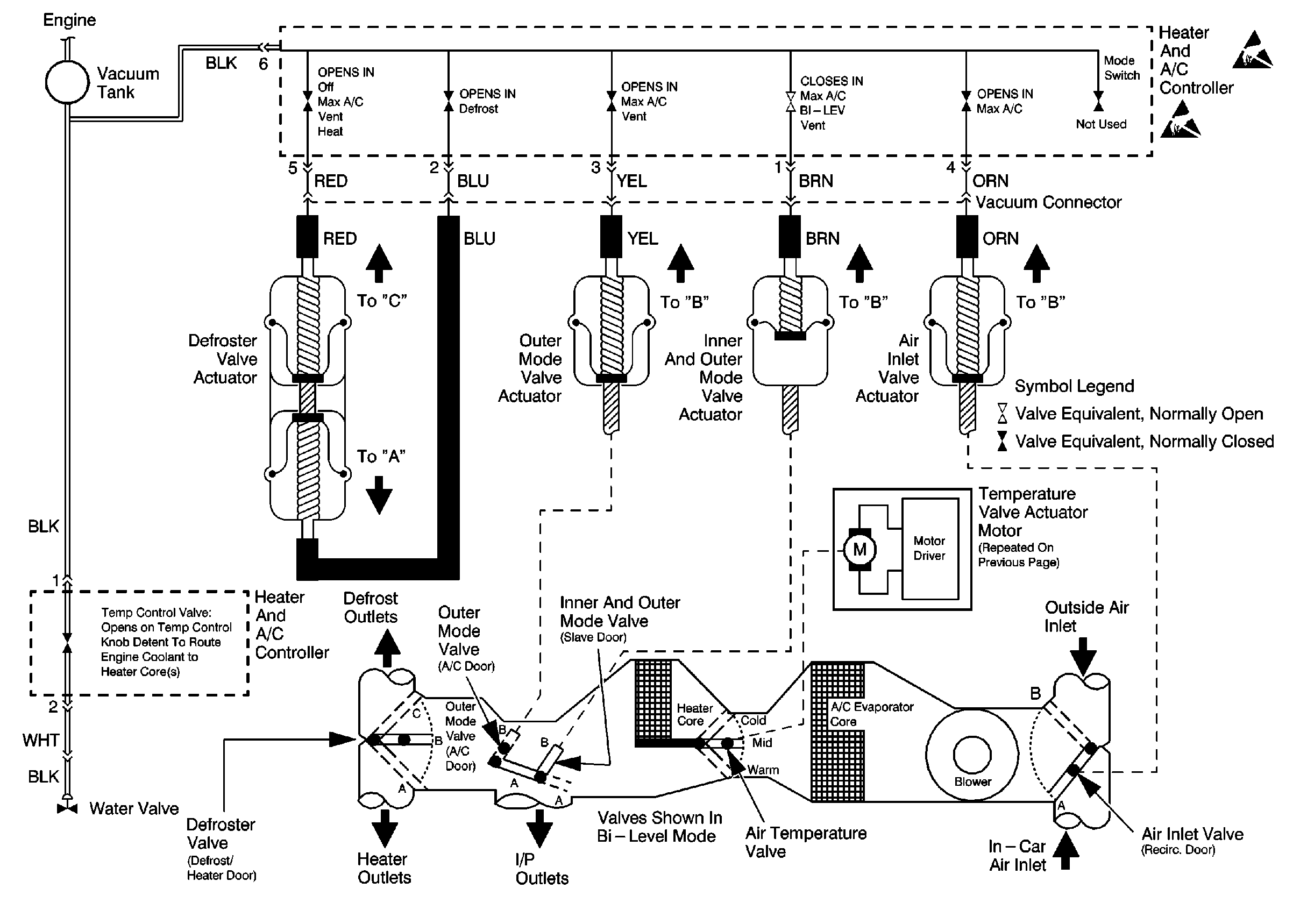
HVAC Air Delivery/Temperature Control Schematics
HVAC Air Delivery/Temperature Control Circuit Description
Cell 65: Passenger Van Rear Ventilation Controls
Figure 3:

Cell 65: Passenger Van Rear Ventilation Controls


Object Number: 458218  Size: FS
Power Distribution Schematics
HVAC Blower Control Schematics
HVAC Blower Control Schematics
Interior Lights Dimming Schematics
HVAC Blower Control Schematics
Handling ESD Sensitive Parts Notice
Interior Lights Dimming Schematics
Handling ESD Sensitive Parts Notice
Cell 65: Rear Auxiliary Ventilation Valves
HVAC Air Delivery/Temperature Control Schematics
HVAC Air Delivery/Temperature Control Circuit Description
Cell 65: Cargo Van Rear Ventilation Controls
Cell 65: 98 GMT600 Front Temperature Controls
Cell 65: Rear Auxiliary Ventilation Valves
Cell 65: Rear Auxiliary Ventilation Valves
Cell 65: Rear Auxiliary Ventilation Valves
Figure 4:

Cell 65: Cargo Van Rear Ventilation Controls


Object Number: 458225  Size: FS
Power Distribution Schematics
HVAC Blower Control Schematics
Interior Lights Dimming Schematics
Handling ESD Sensitive Parts Notice
Cell 65: Rear Auxiliary Ventilation Valves
HVAC Air Delivery/Temperature Control Schematics
HVAC Air Delivery/Temperature Control Circuit Description
Cell 65: Rear Auxiliary Ventilation Valves
Cell 65: Passenger Van Rear Ventilation Controls
Cell 65: Rear Auxiliary Ventilation Valves
Cell 65: Rear Auxiliary Ventilation Valves
Cell 65: Rear Auxiliary Ventilation Valves
Figure 5:

Cell 65: Rear Auxiliary Ventilation Valves


Object Number: 458230  Size: FS
Cell 65: Passenger Van Rear Ventilation Controls
Cell 65: Cargo Van Rear Ventilation Controls
Cell 65: Passenger Van Rear Ventilation Controls
Cell 65: Cargo Van Rear Ventilation Controls
Cell 65: Passenger Van Rear Ventilation Controls
Cell 65: Cargo Van Rear Ventilation Controls
Cell 65: Passenger Van Rear Ventilation Controls
Cell 65: Cargo Van Rear Ventilation Controls
HVAC Blower Control Schematics
HVAC Blower Control Schematics
HVAC Air Delivery/Temperature Control Schematics
HVAC Air Delivery/Temperature Control Circuit Description
Cell 65: Cargo Van Rear Ventilation Controls