GM Service Manual Online
For 1990-2009 cars only
Makes
🢒
Chevrolet
🢒
1998
🢒
Express
🢒
Body and Accessories
🢒
Lighting Systems
🢒 Interior Lights Dimming Schematics
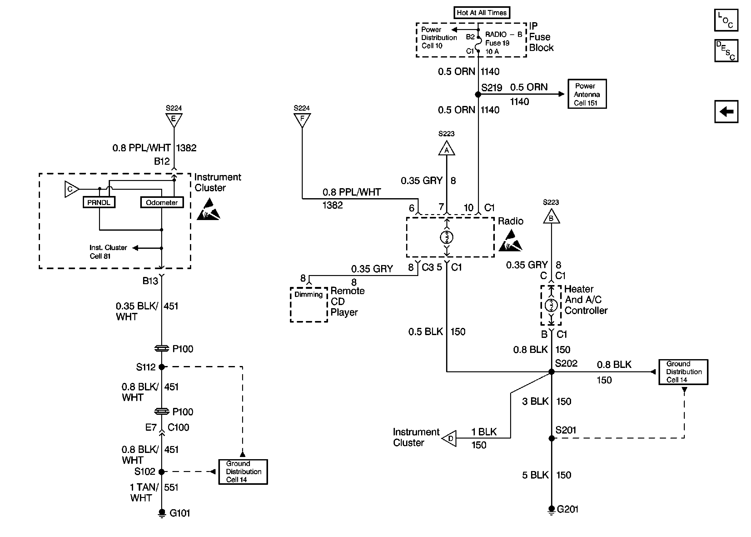
Figure
1:
Cell 117: ILLUM and PARK LPS Fuses, G400
Lighting Systems Components
Cell 117: RADIO - B Fuse, G201
Exterior Lights Schematics
Cell 117: RADIO - B Fuse, G201
Cell 117: RADIO - B Fuse, G201
Cell 117: RADIO - B Fuse, G201
Cell 117: RADIO - B Fuse, G201
Audible Warnings Schematics
Ground Distribution Schematics
Ground Distribution Schematics
Handling ESD Sensitive Parts Notice
Cell 114: IP Compartment Lamp, Ashtray Lamp, Sunshade Mirror Lamps,G101, G201
Cell 117: RADIO - B Fuse, G201
Instrument Cluster: Analog Schematics
Interior Lights Dimming Circuit Description
Figure
2:
Cell 117: RADIO -- B Fuse, G201
Lighting Systems Components
Cell 117: ILLUM and PARK LPS Fuses, G400
Cell 117: ILLUM and PARK LPS Fuses, G400
Cell 117: ILLUM and PARK LPS Fuses, G400
Power Distribution Schematics
Power Antenna Schematics
Cell 117: ILLUM and PARK LPS Fuses, G400
Handling ESD Sensitive Parts Notice
Cell 117: ILLUM and PARK LPS Fuses, G400
Handling ESD Sensitive Parts Notice
Ground Distribution Schematics
Cell 117: ILLUM and PARK LPS Fuses, G400
Ground Distribution Schematics
Cell 117: ILLUM and PARK LPS Fuses, G400
Interior Lights Dimming Circuit Description