GM Service Manual Online
For 1990-2009 cars only
Figure 1:

Cell 20: PWR, GND and DLC


Object Number: 338434  Size: FS
Engine Controls Components
Information Sensors/Switches Description
Cell 20: Ignition Controls
OBD II Symbol Description Notice
Handling ESD Sensitive Parts Notice
Handling ESD Sensitive Parts Notice
Handling ESD Sensitive Parts Notice
Handling ESD Sensitive Parts Notice
VCM Connector End Views
Cell 10: HTD MIR, HAZARD, PWR ACCY, STOP, PWR AUX, CIG LTR, RADIO-B, CTSY, PARK LPS, DRL, SECURITY STRG, ILLUM Fuses
Cell 10: FUEL SOL, IGN-E, ECM-I, ENG-I, GAUGES, AIR BAGS, TURN B/U Fuses
Cell 10: Ignition Switch, RR BLOWER, RR HVAC, BRAKE, HTR AC, CRUISE, RADIO, WIPER, PWR WDO, TRANS, CRANK Fuses
Cell 10: FUEL SOL, IGN-E, ECM-I, ENG-I, GAUGES, AIR BAGS, TURN B/U Fuses
Cell 10: Battery, AUX A, AUX B, BLOWER, IGN-B, IGN-A, ABS, BATT, LIGHTING, ECM-B, HORN, and A/C Fuses, Inline Fuse 30 A (Gasoline Engines)
Cell 11: GAUGES Fuse
Cell 11: CRANK, CRUISE, HTR-A/C, BRAKE Fuses
Cell 11: ECM-I Fuse (4.3L)
Cell 11: ECM-B, HORN, A/C Fuses
Cell 11: STOP, PWR AUX, CIG LTR, RADIO-B, HTD MIR, HAZARD Fuses
Cell 14: G103 (4.3L)
Cell 14: G201
Cell 14: G103 (4.3L)
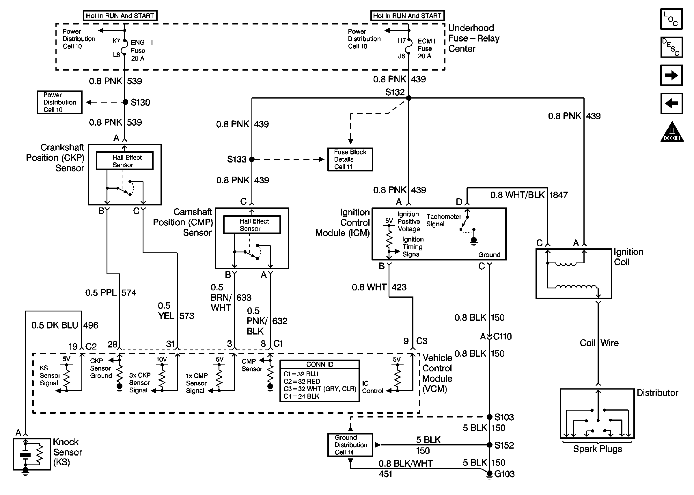
Figure 2:

Cell 20: Ignition Controls


Object Number: 337143  Size: FS
Engine Controls Components
Information Sensors/Switches Description
Cell 20: Fuel Pump Controls
Cell 20: PWR, GND and DLC
OBD II Symbol Description Notice
VCM Connector End Views
Cell 10: FUEL SOL, IGN-E, ECM-I, ENG-I, GAUGES, AIR BAGS, TURN B/U Fuses
Cell 10: FUEL SOL, IGN-E, ECM-I, ENG-I, GAUGES, AIR BAGS, TURN B/U Fuses
Cell 11: ENG-I Fuse
Cell 11: ECM-I Fuse (4.3L)
Cell 14: Underhood Fuse-Relay Center, Horns, Ignition Control Module(4.3L)
Figure 3:

Cell 20: Fuel Pump Controls


Object Number: 337145  Size: FS
Engine Controls Components
Information Sensors/Switches Description
Cell 20: Fuel Injector Controls
Cell 20: Ignition Controls
OBD II Symbol Description Notice
Handling ESD Sensitive Parts Notice
VCM Connector End Views
Cell 10: Battery, AUX A, AUX B, BLOWER, IGN-B, IGN-A, ABS, BATT, LIGHTING, ECM-B, HORN, and A/C Fuses, Inline Fuse 30 A (Gasoline Engines)
Cell 11: ECM-B, HORN, A/C Fuses
Cell 20: Sensor Controls
Cell 14: G101 (4.3L)
Figure 4:

Cell 20: Fuel Injector Controls


Object Number: 337150  Size: FS
Engine Controls Components
Information Sensors/Switches Description
Cell 20: Sensor Controls
Cell 20: Fuel Pump Controls
OBD II Symbol Description Notice
Handling ESD Sensitive Parts Notice
VCM Connector End Views
Cell 10: FUEL SOL, IGN-E, ECM-I, ENG-I, GAUGES, AIR BAGS, TURN B/U Fuses
Cell 11: ECM-I Fuse (4.3L)
Cell 11: ECM-I Fuse (4.3L)
Figure 5:

Cell 20: Sensor Controls


Object Number: 337152  Size: FS
Engine Controls Components
Information Sensors/Switches Description
Cell 20: EGR and EVAP Controls
Cell 20: Fuel Injector Controls
OBD II Symbol Description Notice
Cell 20: EGR and EVAP Controls
Cell 20: EGR and EVAP Controls
Cell 20: 4L60-E Transmission Switch Controls
Cell 20: 4L80-E Transmission Switch Controls
Handling ESD Sensitive Parts Notice
Handling ESD Sensitive Parts Notice
VCM Connector End Views
Figure 6:

Cell 20: EGR and EVAP Controls


Object Number: 337155  Size: FS
Engine Controls Components
Information Sensors/Switches Description
Cell 20: Oxygen Sensor Controls
Cell 20: Sensor Controls
OBD II Symbol Description Notice
Cell 10: FUEL SOL, IGN-E, ECM-I, ENG-I, GAUGES, AIR BAGS, TURN B/U Fuses
Cell 11: ENG-I Fuse
Cell 20: Sensor Controls
Cell 20: Sensor Controls
Cell 14: G103 (4.3L)
Handling ESD Sensitive Parts Notice
VCM Connector End Views
Figure 7:

Cell 20: Oxygen Sensor Controls


Object Number: 337159  Size: FS
Engine Controls Components
Information Sensors/Switches Description
Cell 20: VSS and Cruise Controls
Cell 20: EGR and EVAP Controls
OBD II Symbol Description Notice
Cell 10: FUEL SOL, IGN-E, ECM-I, ENG-I, GAUGES, AIR BAGS, TURN B/U Fuses
Cell 11: ENG-I Fuse
Handling ESD Sensitive Parts Notice
VCM Connector End Views
Cell 14: G103 (4.3L)
Cell 14: Underhood Fuse-Relay Center, Horns, Ignition Control Module(4.3L)
Figure 8:

Cell 20: VSS and Cruise Controls


Object Number: 337162  Size: FS
Engine Controls Components
Information Sensors/Switches Description
Cell 20: 4L60-E Transmission Solenoid Controls
Cell 20: Oxygen Sensor Controls
OBD II Symbol Description Notice
Handling ESD Sensitive Parts Notice
Handling ESD Sensitive Parts Notice
Handling ESD Sensitive Parts Notice
Handling ESD Sensitive Parts Notice
Engine Controls Schematic Icons
Handling ESD Sensitive Parts Notice
VCM Connector End Views
Figure 9:

Cell 20: 4L60-E Transmission Solenoid Controls


Object Number: 337164  Size: FS
Engine Controls Components
Information Sensors/Switches Description
Cell 20: 4L60-E Transmission Switch Controls
Cell 20: VSS and Cruise Controls
OBD II Symbol Description Notice
Cell 10: Ignition Switch, RR BLOWER, RR HVAC, BRAKE, HTR AC, CRUISE, RADIO, WIPER, PWR WDO, TRANS, CRANK Fuses
Cell 10: Ignition Switch, RR BLOWER, RR HVAC, BRAKE, HTR AC, CRUISE, RADIO, WIPER, PWR WDO, TRANS, CRANK Fuses
Cell 11: CRANK, CRUISE, HTR-A/C, BRAKE Fuses
Cell 11: TURN B/U and TRANS Fuses
Cell 34: Gasoline Engine
Cell 44: IP, VCM, EBCM, and VSS
Handling ESD Sensitive Parts Notice
VCM Connector End Views
Figure 10:

Cell 20: 4L60-E Transmission Switch Controls


Object Number: 337166  Size: FS
Engine Controls Components
Information Sensors/Switches Description
Cell 20: 4L80-E Transmission Solenoid Controls
Cell 20: 4L60-E Transmission Solenoid Controls
OBD II Symbol Description Notice
Cell 20: Sensor Controls
Handling ESD Sensitive Parts Notice
Handling ESD Sensitive Parts Notice
VCM Connector End Views
Figure 11:

Cell 20: 4L80-E Transmission Solenoid Controls


Object Number: 337168  Size: FS
Engine Controls Components
Information Sensors/Switches Description
Cell 20: 4L80-E Transmission Switch Controls
Cell 20: 4L60-E Transmission Switch Controls
OBD II Symbol Description Notice
Cell 10: Ignition Switch, RR BLOWER, RR HVAC, BRAKE, HTR AC, CRUISE, RADIO, WIPER, PWR WDO, TRANS, CRANK Fuses
Cell 10: Ignition Switch, RR BLOWER, RR HVAC, BRAKE, HTR AC, CRUISE, RADIO, WIPER, PWR WDO, TRANS, CRANK Fuses
Cell 11: TURN B/U and TRANS Fuses
Cell 11: CRANK, CRUISE, HTR-A/C, BRAKE Fuses
Cell 34: Gasoline Engine
Cell 44: IP, VCM, EBCM, and VSS
Handling ESD Sensitive Parts Notice
VCM Connector End Views
Figure 12:

Cell 20: 4L80-E Transmission Switch Controls


Object Number: 337169  Size: FS
Engine Controls Components
Information Sensors/Switches Description
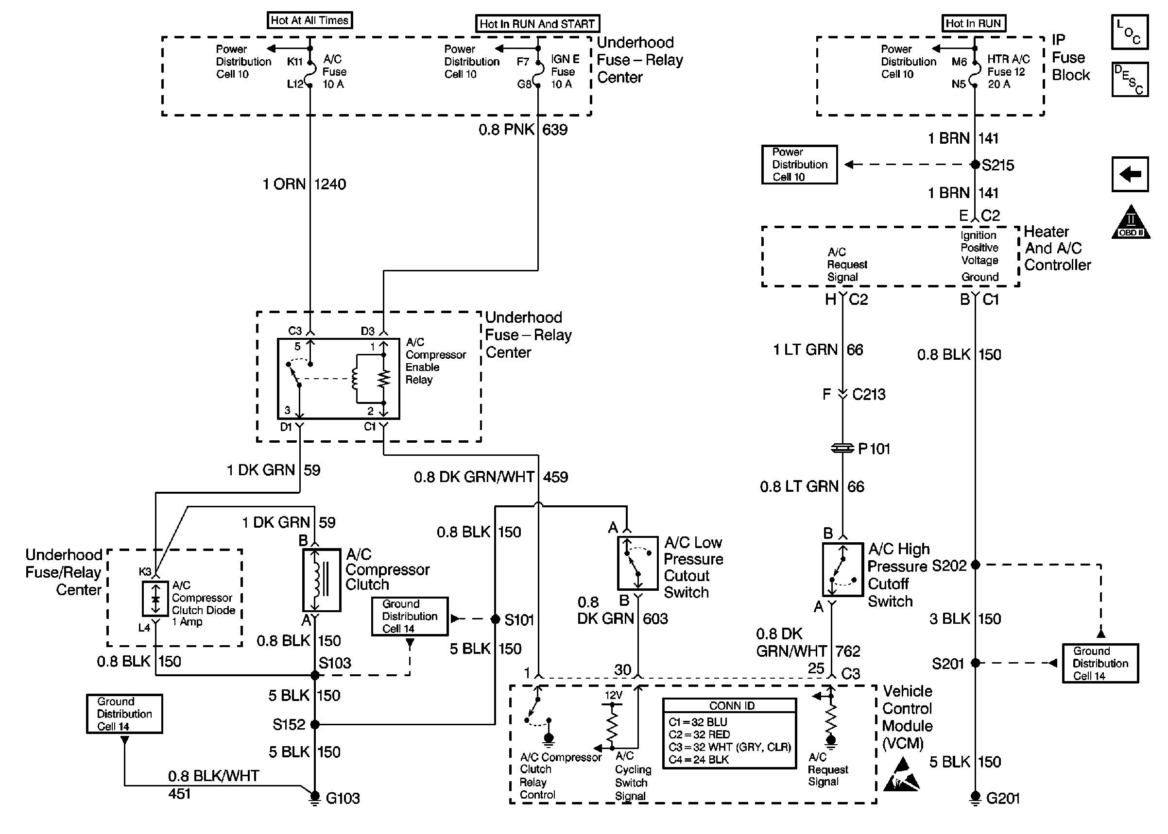
Cell 20: A/C Controls
Cell 20: 4L80-E Transmission Solenoid Controls
OBD II Symbol Description Notice
Cell 20: Sensor Controls
Engine Controls Schematic Icons
Handling ESD Sensitive Parts Notice
Handling ESD Sensitive Parts Notice
VCM Connector End Views
Figure 13:

Cell 20: A/C Controls


Object Number: 337170  Size: FS
Engine Controls Components
Information Sensors/Switches Description
Cell 20: 4L80-E Transmission Switch Controls
OBD II Symbol Description Notice
Cell 10: Ignition Switch, RR BLOWER, RR HVAC, BRAKE, HTR AC, CRUISE, RADIO, WIPER, PWR WDO, TRANS, CRANK Fuses
Cell 10: FUEL SOL, IGN-E, ECM-I, ENG-I, GAUGES, AIR BAGS, TURN B/U Fuses
Cell 10: Battery, AUX A, AUX B, BLOWER, IGN-B, IGN-A, ABS, BATT, LIGHTING, ECM-B, HORN, and A/C Fuses, Inline Fuse 30 A (Gasoline Engines)
Cell 11: CRANK, CRUISE, HTR-A/C, BRAKE Fuses
Cell 14: G103 (4.3L)
Cell 14: Underhood Fuse-Relay Center, Horns, Ignition Control Module(4.3L)
Cell 14: G201
Handling ESD Sensitive Parts Notice
VCM Connector End Views