GM Service Manual Online
For 1990-2009 cars only
Makes
🢒
Chevrolet
🢒
2006
🢒
Express
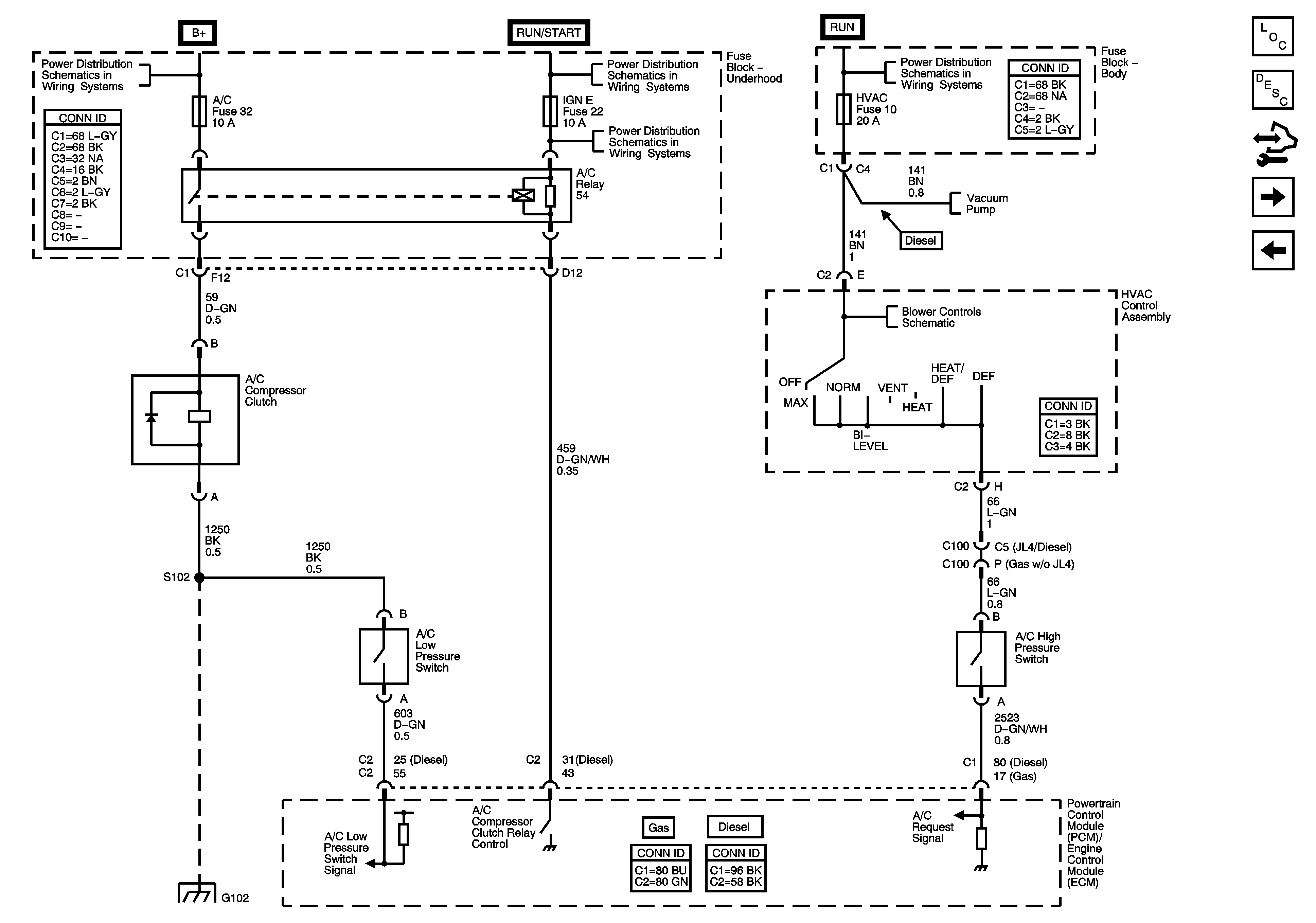
🢒 Compressor Controls (C60)
Compressor Controls (C60)
Compressor Controls (C60)
Master Electrical Component List
Air Temperature Description and Operation
Control Module References
Rear HVAC with Rear Auxiliary Controls (C69) - 1 of 3
Primary Blower and Air Delivery Controls (C60)
B+ Bus - Underhood Fuse Block - Gas
Ignition Switch - ACCY/RUN, RUN/START Bus Bars and IGN B Fuse
AIRBAG, IGN E, ISRVM, SPARE and TBC IGN 1 Fuses
Ignition Switch - ACCY/RUN/START, RUN, START Bus Bars and IGN A Fuse
Primary Blower and Air Delivery Controls (C42) and Vacuum Pump (Diesel)
Primary Blower and Air Delivery Controls (C60)
G102