GM Service Manual Online
For 1990-2009 cars only
Makes
🢒
Chevrolet
🢒
2006
🢒
Express
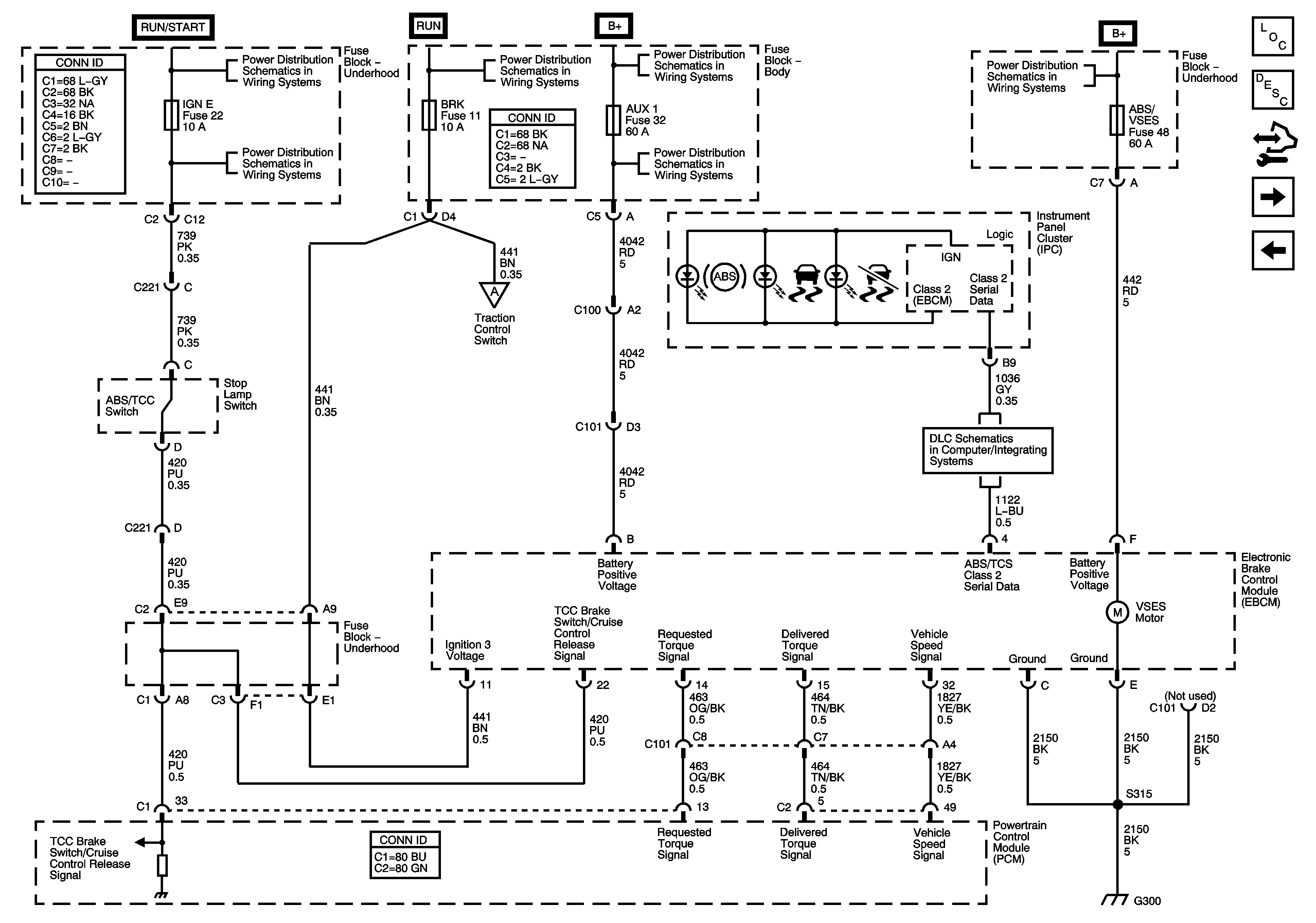
🢒 Power, Ground, Serial Data, Indicator, VSS, and Stop Lamp Switch (JL4)
Power, Ground, Serial Data, Indicator, VSS, and Stop Lamp Switch (JL4)
Power, Ground, Serial Data, Indicator, and Stop Lamp Switch (JL4)
Master Electrical Component List
ABS Description and Operation (W/JL4)
Control Module References
Wheel Speed Sensors (JL4)
Wheel Speed Sensors and VSS (w/o JL4)
Ignition Switch - ACCY/RUN, RUN/START Bus Bars and IGN B Fuse
AIRBAG, IGN E, ISRVM, SPARE and TBC IGN 1 Fuses
Ignition Switch - ACCY/RUN/START, RUN, START Bus Bars and IGN A Fuse
B+ Bus - Body Fuse Block
B+ Bus - Body Fuse Block
B+ Bus - Underhood Fuse Block - Gas
Steering Wheel/Speed Position Inputs, Traction Control Switch, and Precharge Pump (JL4)
Power, Ground, DLC, and Splice Pack SP200
Gas - JL4