GM Service Manual Online
For 1990-2009 cars only
Figure 1:

Radio w/ UW5


Object Number: 1570545  Size: FS
Master Electrical Component List
Radio/Audio System Description and Operation
Control Module References
Radio w/ UQ3 (1 of 2)
Body Control Module - RAP, DRIVERS DOOR UNLOCK PCB, DOOR UNLOCK PCB, DOOR LOCK PCB and INTERIOR LAMPS PCB Relays, RDO, PWR WINDW, DR LCK, INT LIGHT, ECM / TCM, SDM, S ROOF and SPARE Fuses
Body Control Module - RAP, DRIVERS DOOR UNLOCK PCB, DOOR UNLOCK PCB, DOOR LOCK PCB and INTERIOR LAMPS PCB Relays, RDO, PWR WINDW, DR LCK, INT LIGHT, ECM / TCM, SDM, S ROOF and SPARE Fuses
DLC Power Ground, and Low Speed GMLAN
Steering Wheel Schematic
OnStar Schematics
Dimmer Switch, Radio, Hazard, Fog Lamps, Steering Wheel Controls, and Rear Wiper/Washer Switches
Entertainment Schematic Icons
Entertainment Schematic Icons
Entertainment Schematic Icons
Entertainment Schematic Icons
Entertainment Schematic Icons
Entertainment Schematic Icons
G201 and G203
Figure 2:

Radio w/ UQ3 (1 of 2)


Object Number: 1570547  Size: FS
Master Electrical Component List
Radio/Audio System Description and Operation
Control Module References
Radio w/ UQ3 (2 of 2)
Radio w/ UW5
Body Control Module - RAP, DRIVERS DOOR UNLOCK PCB, DOOR UNLOCK PCB, DOOR LOCK PCB and INTERIOR LAMPS PCB Relays, RDO, PWR WINDW, DR LCK, INT LIGHT, ECM / TCM, SDM, S ROOF and SPARE Fuses
DLC Power Ground, and Low Speed GMLAN
Steering Wheel Schematic
OnStar Schematics
Dimmer Switch, Radio, Hazard, Fog Lamps, Steering Wheel Controls, and Rear Wiper/Washer Switches
Body Control Module - RAP, DRIVERS DOOR UNLOCK PCB, DOOR UNLOCK PCB, DOOR LOCK PCB and INTERIOR LAMPS PCB Relays, RDO, PWR WINDW, DR LCK, INT LIGHT, ECM / TCM, SDM, S ROOF and SPARE Fuses
Entertainment Schematic Icons
Entertainment Schematic Icons
Entertainment Schematic Icons
Entertainment Schematic Icons
G201 and G203
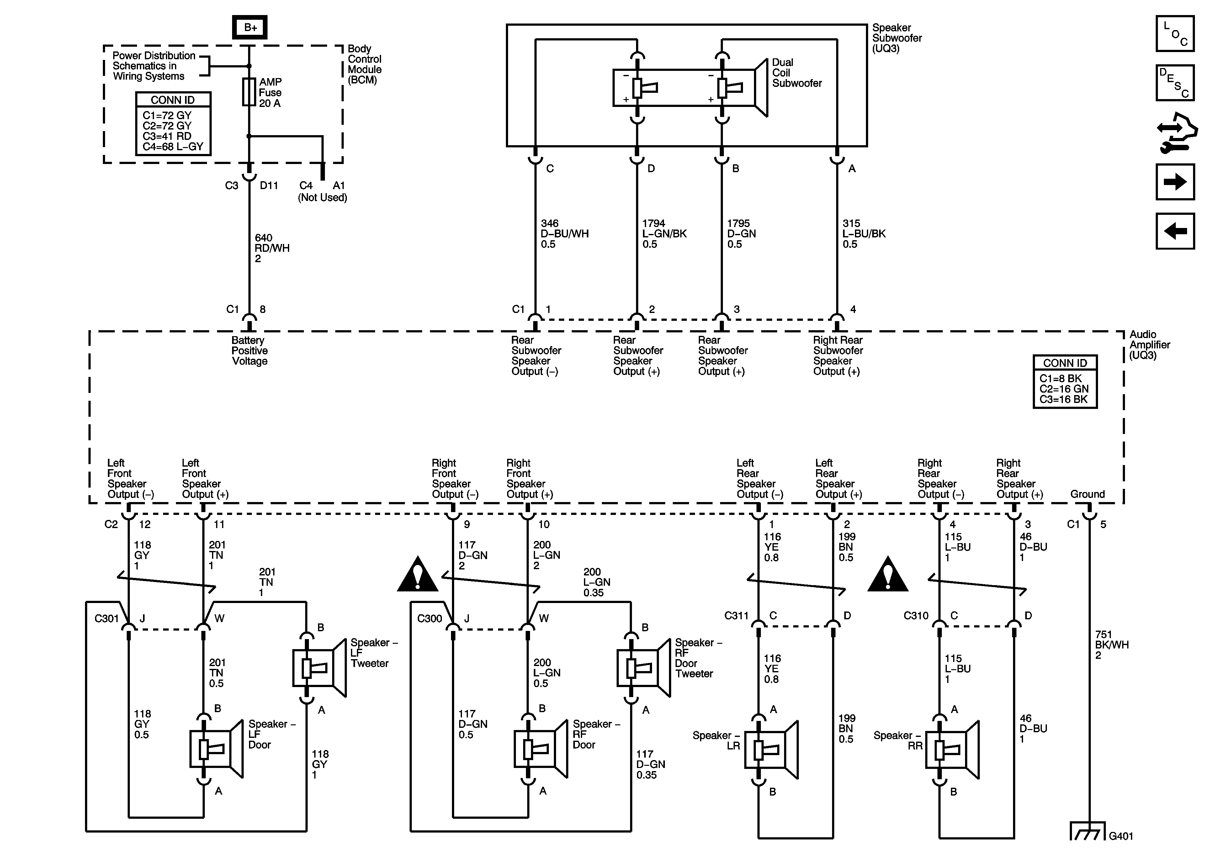
Figure 3:

Radio w/ UQ3 (2 of 2)


Object Number: 1570549  Size: FS
Master Electrical Component List
Radio/Audio System Description and Operation
Control Module References
Digital Radio Receiver (U2K)
Radio w/ UQ3 (1 of 2)
Body Control Module - BCM 2, HVAC / PK3, CLUSTER, IGN SW, STOP LPS, and AMP Fuses
Entertainment Schematic Icons
Entertainment Schematic Icons
G401 and G403
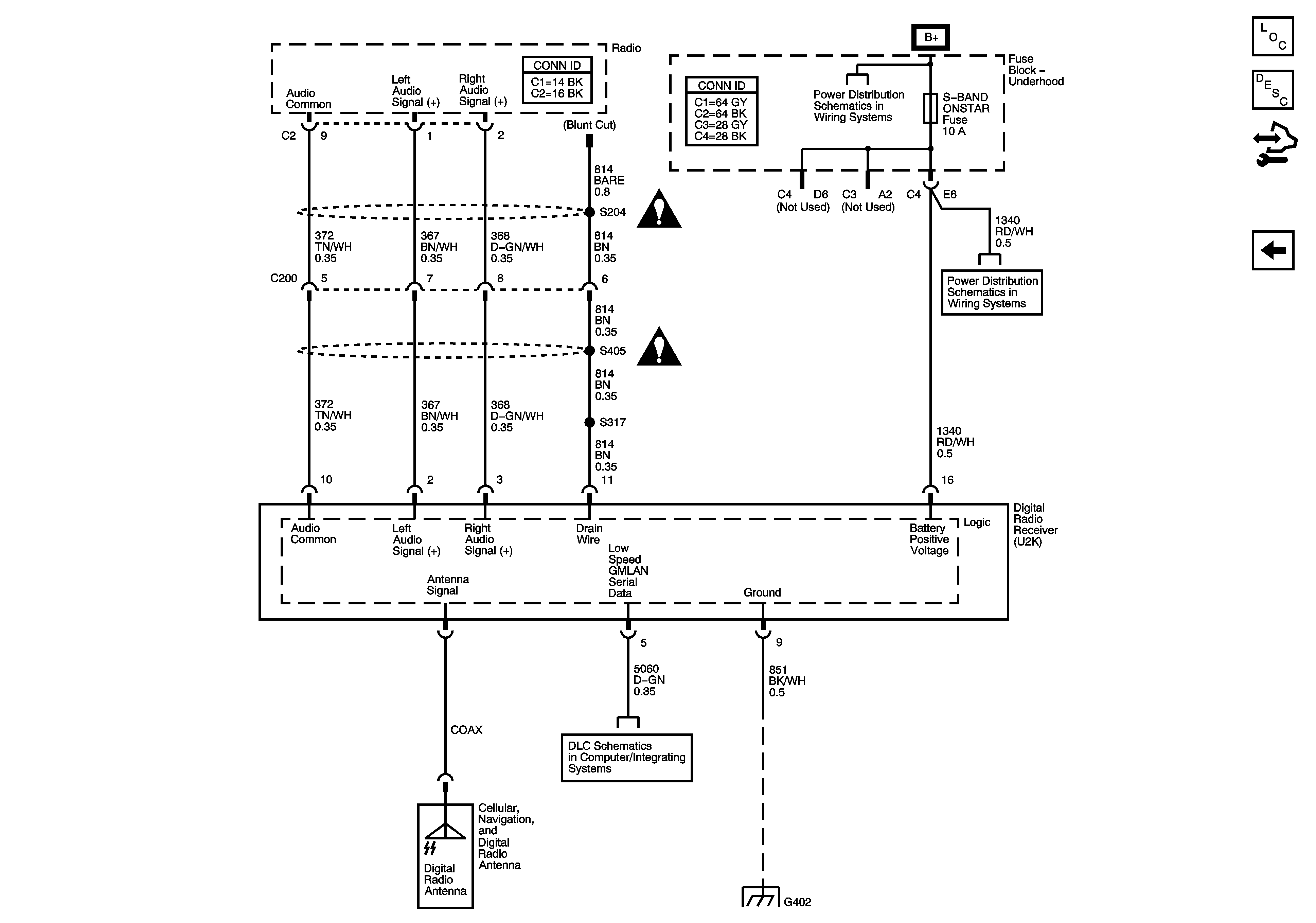
Figure 4:

Digital Radio Receiver (U2K)


Object Number: 1570554  Size: FS
Master Electrical Component List
Radio/Audio System Description and Operation
Control Module References
Radio w/ UQ3 (2 of 2)
Underhood Fuse Block - B+ Bus
Entertainment Schematic Icons
Entertainment Schematic Icons
DLC Power Ground, and Low Speed GMLAN
Underhood Fuse Block - RUN / CRANK Relay, I/P IGNITION, PRK / NEUT, BCK UP / HTD SEAT, ABS (10A), ECM TRANS, LTR, ABS (30A), EPS, BCM 2, BCM 3, and S-BAND ONSTAR Fuses
G402