GM Service Manual Online
For 1990-2009 cars only
Figure 1:

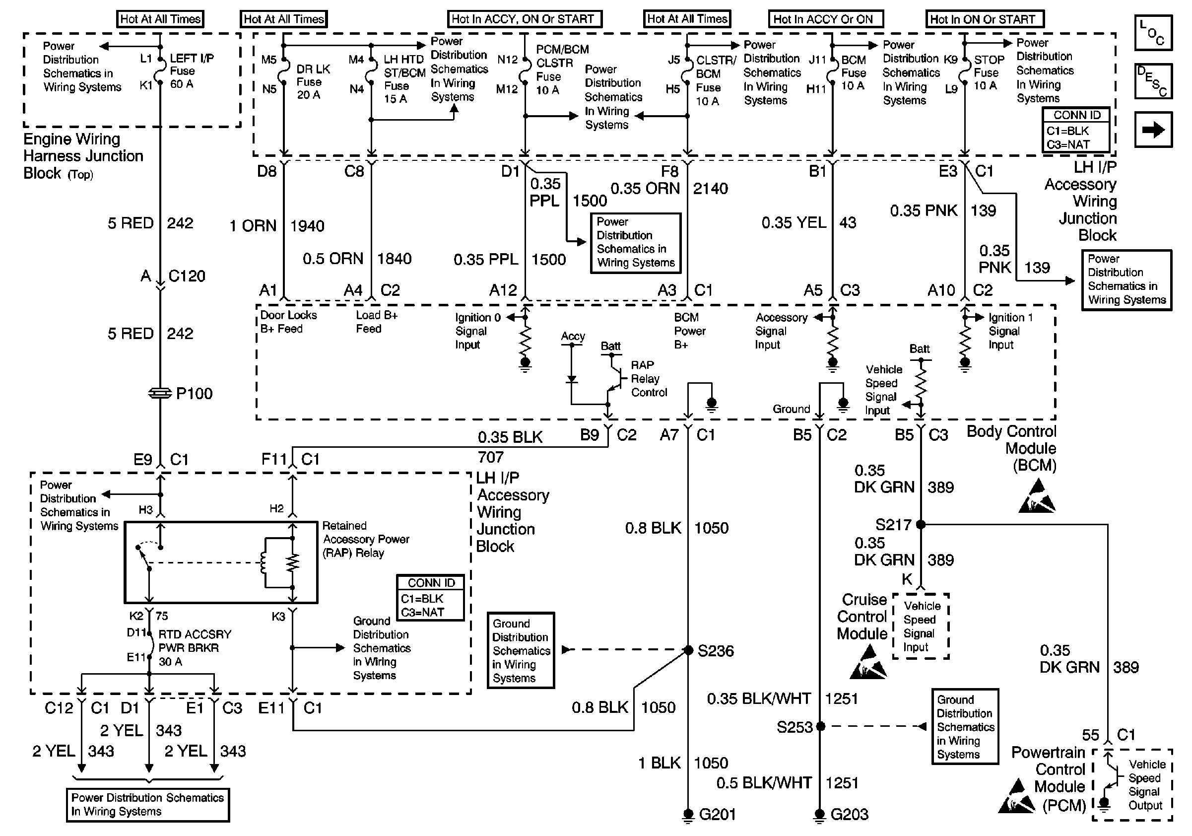
Power, Grounds and RAP Relay


Object Number: 500517  Size: FS
Battery, EBCM, Engine Wiring Harness Junction Blocks (Bottom and Top),Fusible Links, Generator, Remote Battery Stud and Starter
LH HTD ST/BCM, DR LK, PWR MIR and CLSTR/BCM Fuses, HEADLAMP and RETAINED ACCSRY PWR Relays, and RETAINED ACCSRY PWR Circuit Breaker
LH HTD ST/BCM, DR LK, PWR MIR and CLSTR/BCM Fuses, HEADLAMP and RETAINED ACCSRY PWR Relays, and RETAINED ACCSRY PWR Circuit Breaker
PCM BCM/CLSTR, PWR MIR, CLSTR/BCM Fuses, RETAINED ACCSRY PWR CIRCUIT Breaker, HEADLAMP and RETAINED ACCSRY PWR Relays
G201 (1 of 2)
G201 (1 of 2)
PCM BCM/CLSTR, PWR MIR, CLSTR/BCM Fuses, RETAINED ACCSRY PWR CIRCUIT Breaker, HEADLAMP and RETAINED ACCSRY PWR Relays
PCM BCM/CLSTR, PWR MIR, CLSTR/BCM Fuses, RETAINED ACCSRY PWR CIRCUIT Breaker, HEADLAMP and RETAINED ACCSRY PWR Relays
LH HTD ST/BCM, DR LK, PWR MIR and CLSTR/BCM Fuses, HEADLAMP and RETAINED ACCSRY PWR Relays, and RETAINED ACCSRY PWR Circuit Breaker
Ignition and Start Switch and CIG/AUX, WSW, BCM, TURN SIGNAL, SRS, STOP and ABS/PCM Fuses
Ignition and Start Switch and CIG/AUX, WSW, BCM, TURN SIGNAL, SRS, STOP and ABS/PCM Fuses
ABS/PCM, STOP, TURN SIGNAL and SRS Fuses
G203 (2 of 3)
Handling ESD Sensitive Parts Notice
Handling ESD Sensitive Parts Notice
Handling ESD Sensitive Parts Notice
Body Control Module Components
Body Control System Circuit Description
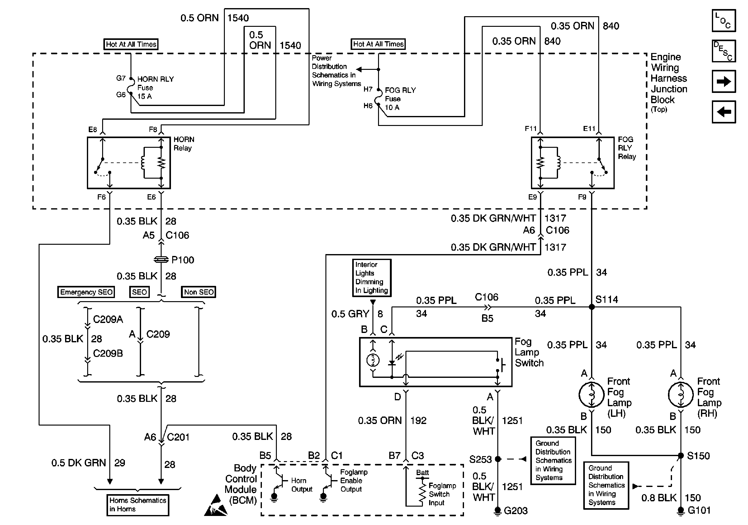
HORN Relay FOG LP Relay and Fog Lamp Switch
Figure 2:

HORN Relay FOG LP Relay and Fog Lamp Switch


Object Number: 500521  Size: FS
FOG RLY, F/PMP RLY, DLR/EXT LTS, EXT LTS, A/C RLY (CMPR), PCM and HORN RLY Fuses
Cell 40
Handling ESD Sensitive Parts Notice
BCM, Door Lock, Door Window Switch, HVAC, Radio, and Fog Lamp Switch Lamps
G203 (2 of 3)
G101 (2 of 2)
Body Control Module Components
Body Control System Circuit Description
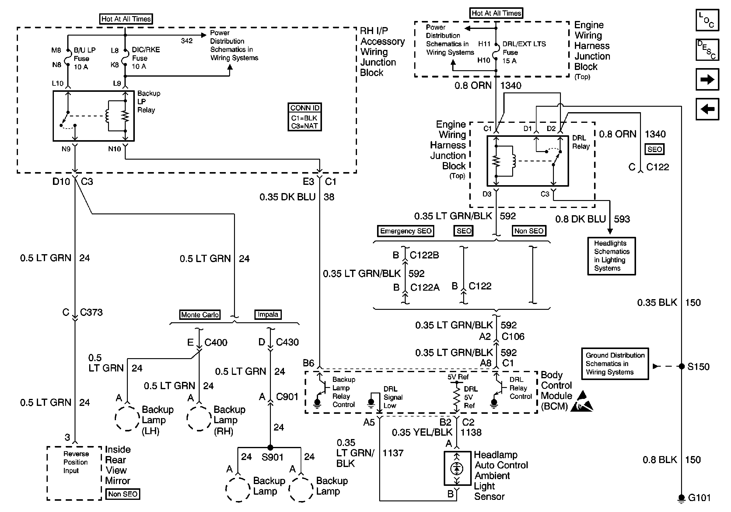
DRL Relay, Backup Relay and Ambient Light Sensor
Power, Grounds and RAP Relay
Figure 3:

DRL Relay, Backup Relay and Ambient Light Sensor


Object Number: 500523  Size: FS
DIC/RKE, B/U LP, TRK/ROOF BRP and I/P BRP Fuses, BATT RUNDOWN PROTECTION and BACKUP LP Relays
FOG RLY, F/PMP RLY, DLR/EXT LTS, EXT LTS, A/C RLY (CMPR), PCM and HORN RLY Fuses
Headlights and Power Distribution
G101 (2 of 2)
Handling ESD Sensitive Parts Notice
Body Control Module Components
Body Control System Circuit Description
Serial Data and PASSLOCK Sensor
HORN Relay FOG LP Relay and Fog Lamp Switch
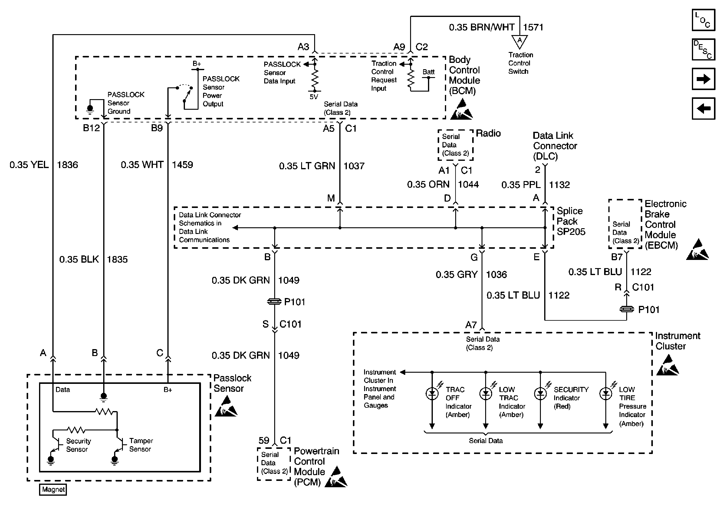
Figure 4:

Serial Data and PASSLOCK Sensor


Object Number: 500526  Size: FS
Data Link Communications Schematic
Handling ESD Sensitive Parts Notice
Handling ESD Sensitive Parts Notice
LED Displays
Handling ESD Sensitive Parts Notice
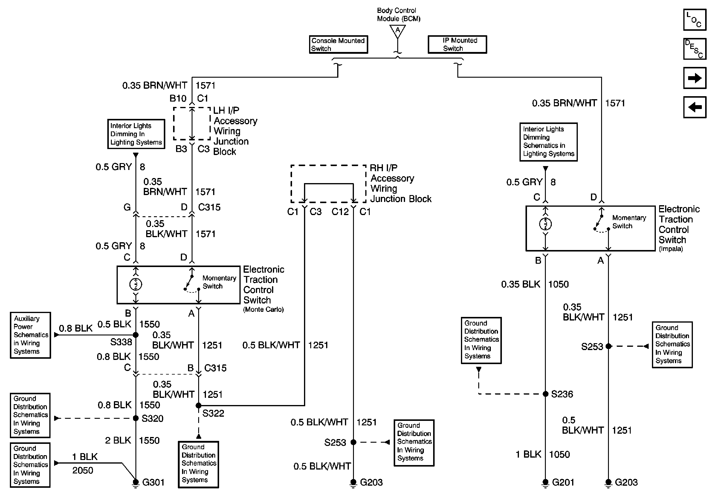
Traction Control Switch
Handling ESD Sensitive Parts Notice
Handling ESD Sensitive Parts Notice
Body Control Module Components
Body Control System Circuit Description
Traction Control Switch
DRL Relay, Backup Relay and Ambient Light Sensor
Figure 5:

Traction Control Switch


Object Number: 500527  Size: FS
Serial Data and PASSLOCK Sensor
IP and Console Lamps
Cigar/Auxiliary Outlet schematics
G301 (1 of 2)
G301 (1 of 2)
G203 (1 of 3)
G203 (2 of 3)
G201 (1 of 2)
IP and Console Lamps
G203 (2 of 3)
Body Control Module Components
Body Control System Circuit Description
Headlamp Switch, Ignition Key Alarm Switch, Surveillance Switch and Park Brake Switch
Serial Data and PASSLOCK Sensor
Figure 6:

Headlamp Switch, Ignition Key Alarm Switch, Surveillance Switch and Park Brake Switch


Object Number: 500528  Size: FS
REAR PARK Fuse
G203 (2 of 3)
G201 (1 of 2)
G201 (1 of 2)
BCM, Door Lock, Door Window Switch, HVAC, Radio, and Fog Lamp Switch Lamps
BCM, Door Lock, Door Window Switch, HVAC, Radio, and Fog Lamp Switch Lamps
Handling ESD Sensitive Parts Notice
Body Control Module Components
Body Control System Circuit Description
Headlamp Dimmer Switch, Headlamp Relay, Parklamp Relay
Traction Control Switch
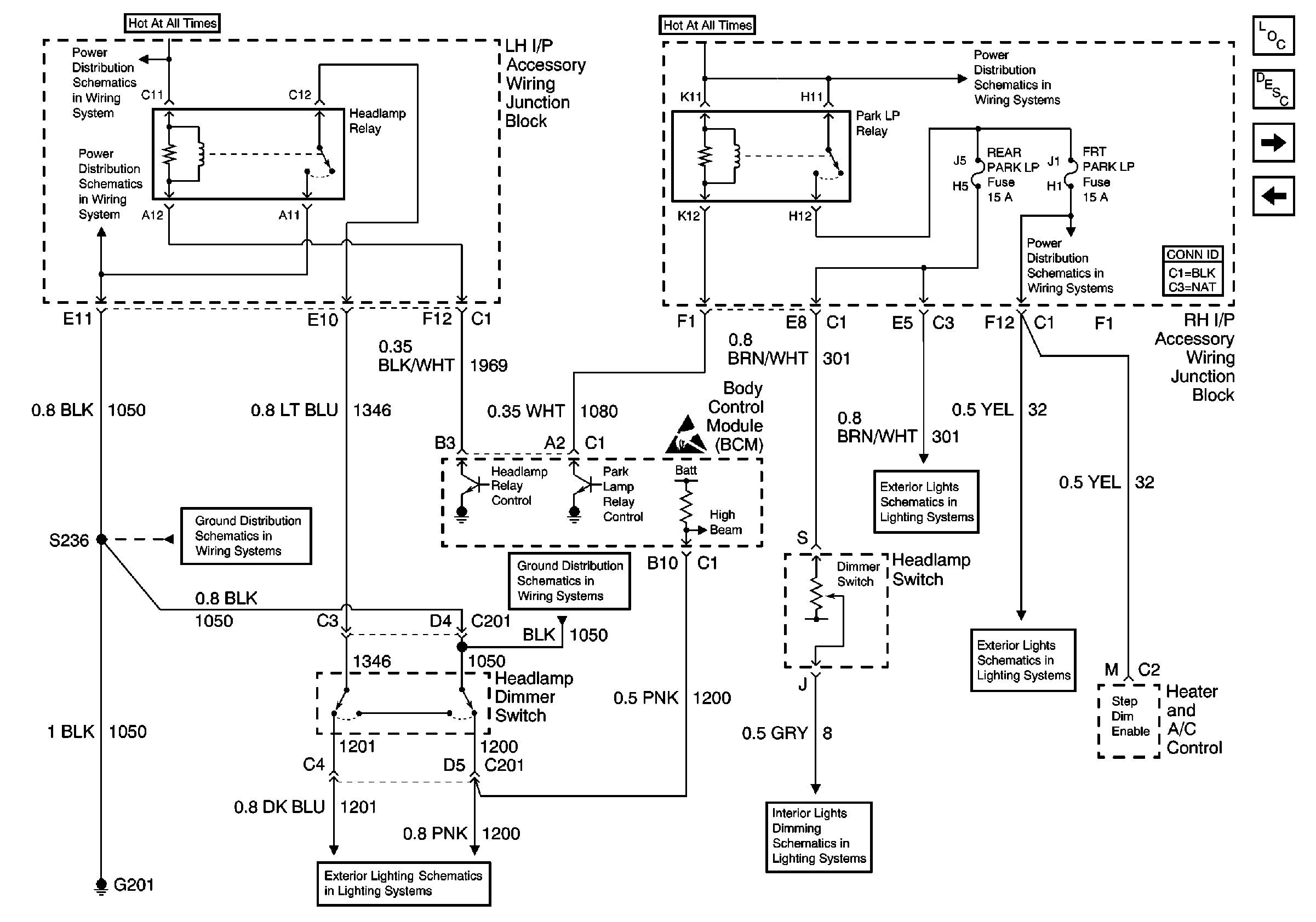
Figure 7:

Headlamp Dimmer Switch, Headlamp Relay, Parklamp Relay


Object Number: 500531  Size: FS
Headlamps Control
LH HTD ST/BCM, DR LK, PWR MIR and CLSTR/BCM Fuses, HEADLAMP and RETAINED ACCSRY PWR Relays, and RETAINED ACCSRY PWR Circuit Breaker
G201 (1 of 2)
G201 (1 of 2)
G201 (1 of 2)
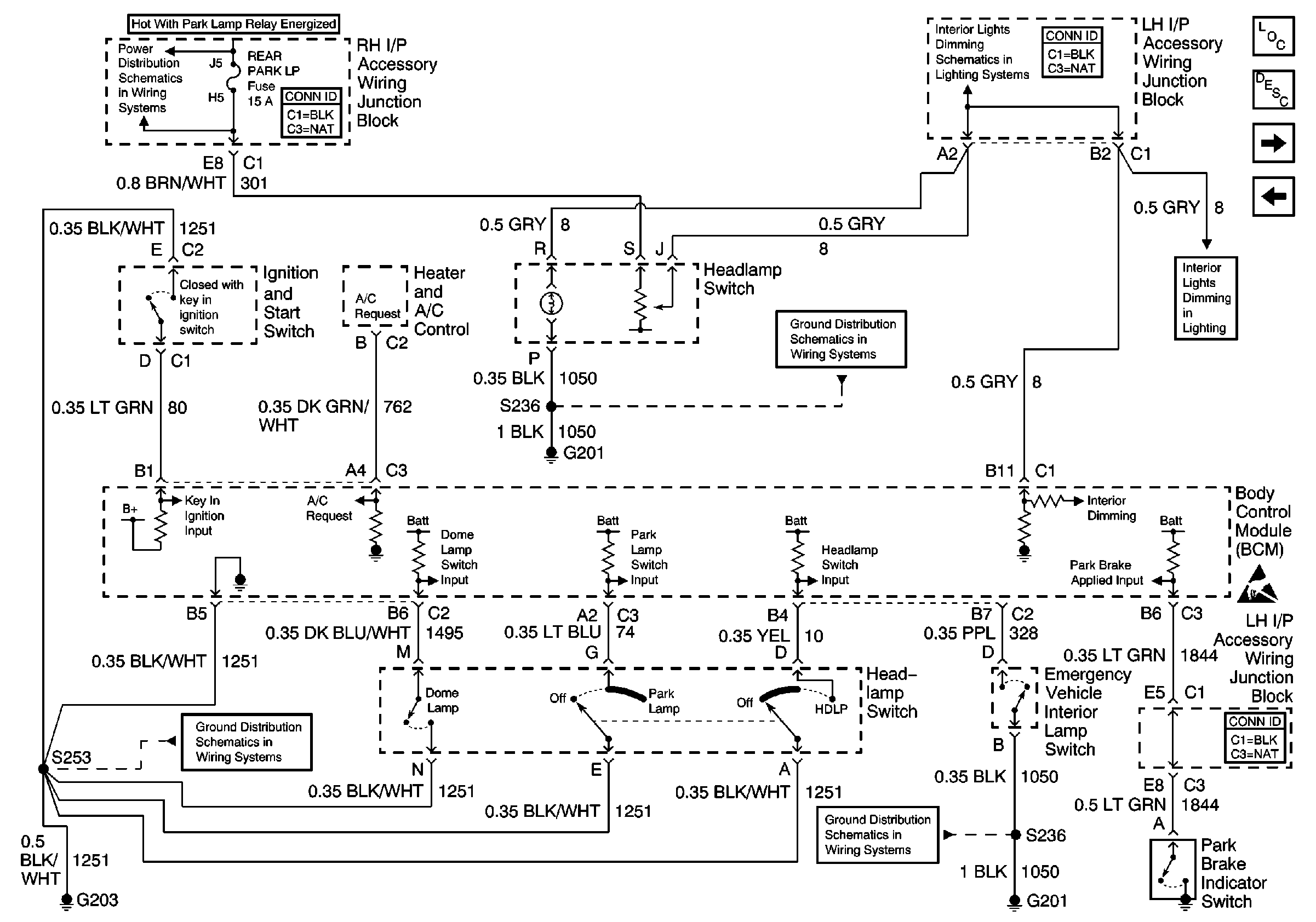
BCM and Headlamp Switch
Park Lamps Control
Park Lamps Control
PWR DROP, REAR PARK, FRT PARK LP and HTD ST Fuses, PWR SEATS Circuit Breaker, and PARK LP Relay
Body Control Module Components
Body Control System Circuit Description
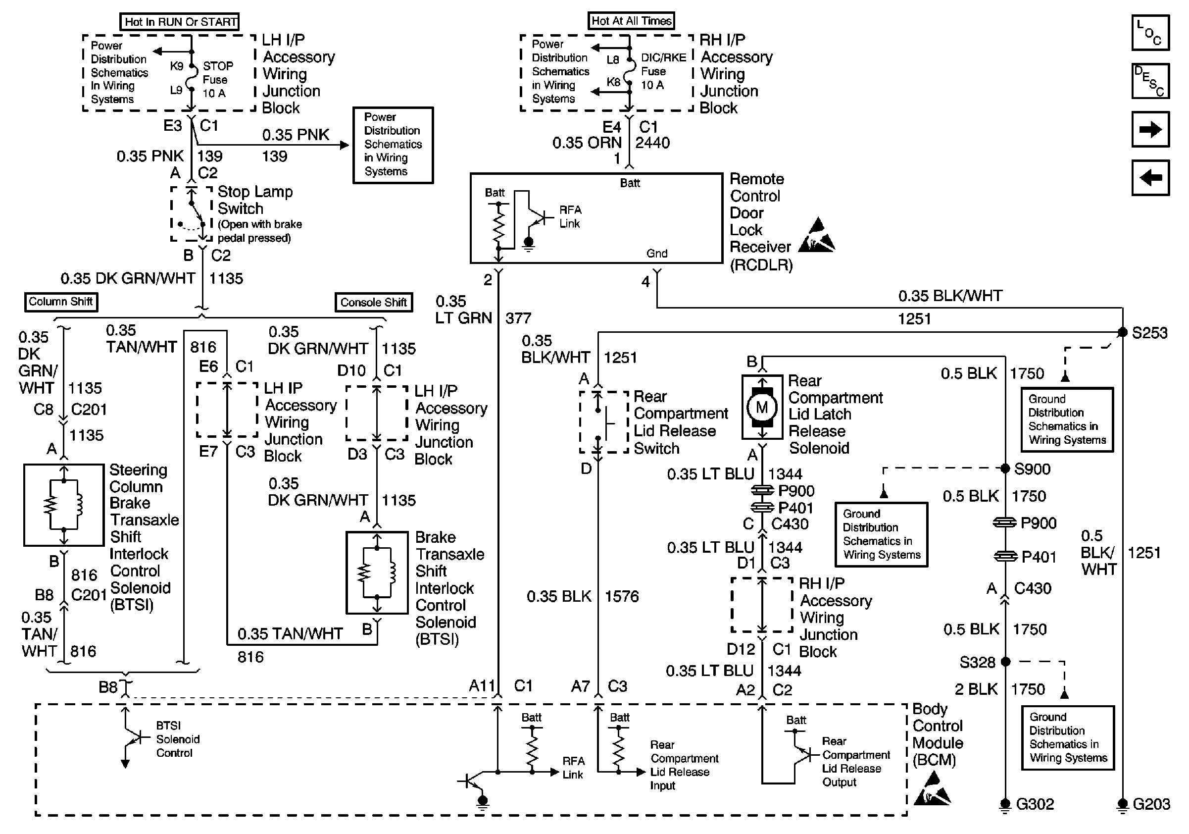
Brake Transaxle Shift Interlock Control, Rear Compartment Lid Release and Remote Control Door Lock Receiver
Headlamp Switch, Ignition Key Alarm Switch, Surveillance Switch and Park Brake Switch
Figure 8:

Brake Transaxle Shift Interlock Control, Rear Compartment Lid Release and Remote Control Door Lock Receiver


Object Number: 500534  Size: FS
Ignition and Start Switch and CIG/AUX, WSW, BCM, TURN SIGNAL, SRS, STOP and ABS/PCM Fuses
ABS/PCM, STOP, TURN SIGNAL and SRS Fuses
DIC/RKE, B/U LP, TRK/ROOF BRP and I/P BRP Fuses, BATT RUNDOWN PROTECTION and BACKUP LP Relays
Handling ESD Sensitive Parts Notice
G203 (2 of 3)
G302 - Continued and G309
G302
Handling ESD Sensitive Parts Notice
Body Control Module Components
Body Control System Circuit Description
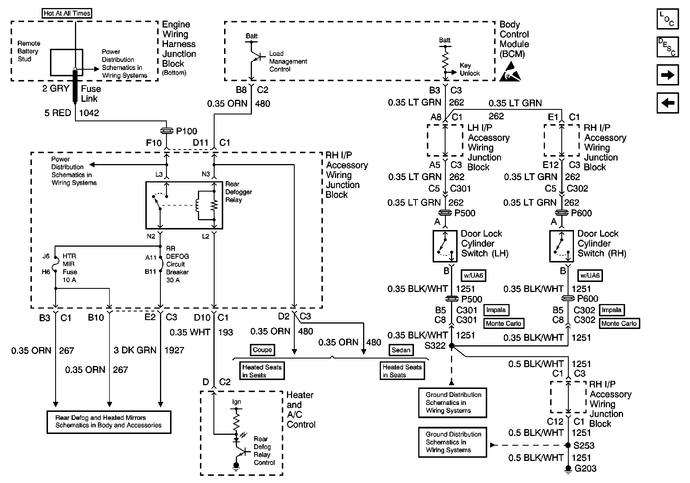
Rear Defog Relay, Door Lock Cylinder Switches
Headlamp Dimmer Switch, Headlamp Relay, Parklamp Relay
Figure 9:

Rear Defog Relay, Door Lock Cylinder Switches


Object Number: 500537  Size: FS
Battery, EBCM, Engine Wiring Harness Junction Blocks (Bottom and Top),Fusible Links, Generator, Remote Battery Stud and Starter
RADIO and HTD MIR Fuses, REAR DEFOG Circuit Breaker and REAR DEFOG Relay
Rear Defogger
Heated Seat 2 Door LH
Handling ESD Sensitive Parts Notice
Heated Seats - 4 Door LH
G203 (1 of 3)
G203 (2 of 3)
Body Control Module Components
Body Control System Circuit Description
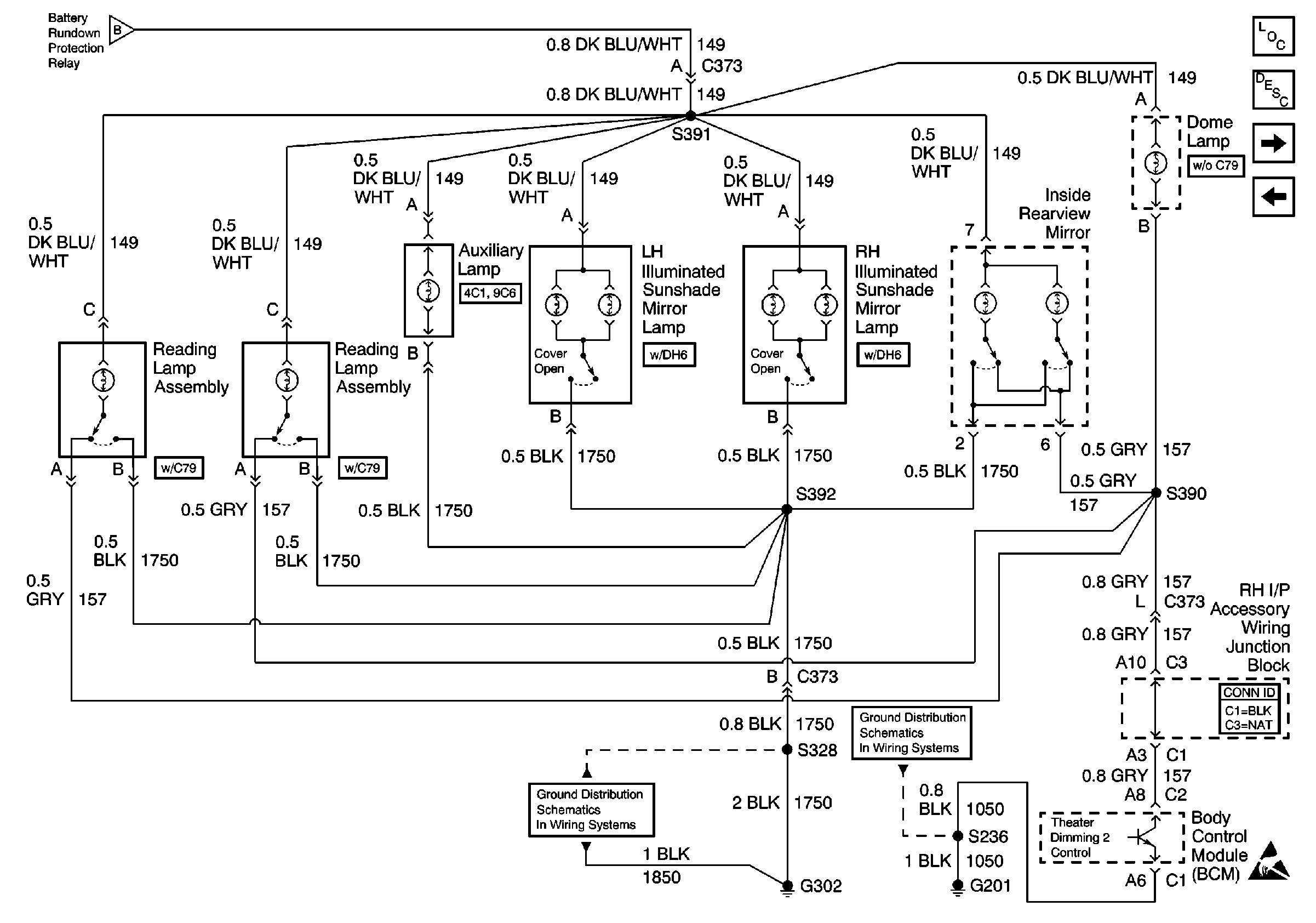
Interior Lights (1 of 2)
Brake Transaxle Shift Interlock Control, Rear Compartment Lid Release and Remote Control Door Lock Receiver
Figure 10:

Interior Lights (1 of 2)


Object Number: 500538  Size: FS
DIC/RKE, B/U LP, TRK/ROOF BRP and I/P BRP Fuses, BATT RUNDOWN PROTECTION and BACKUP LP Relays
Handling ESD Sensitive Parts Notice
G201 (1 of 2)
Interior Lights (2 of 2)
Handling ESD Sensitive Parts Notice
SEO Rear Compartment Lid Relay
G302
G302 - Continued and G309
Body Control Module Components
Body Control System Circuit Description
Interior Lights (2 of 2)
Rear Defog Relay, Door Lock Cylinder Switches
Figure 11:

Interior Lights (2 of 2)


Object Number: 500539  Size: FS
Interior Lights (1 of 2)
G302
G201 (1 of 2)
Handling ESD Sensitive Parts Notice
Body Control Module Components
Body Control System Circuit Description
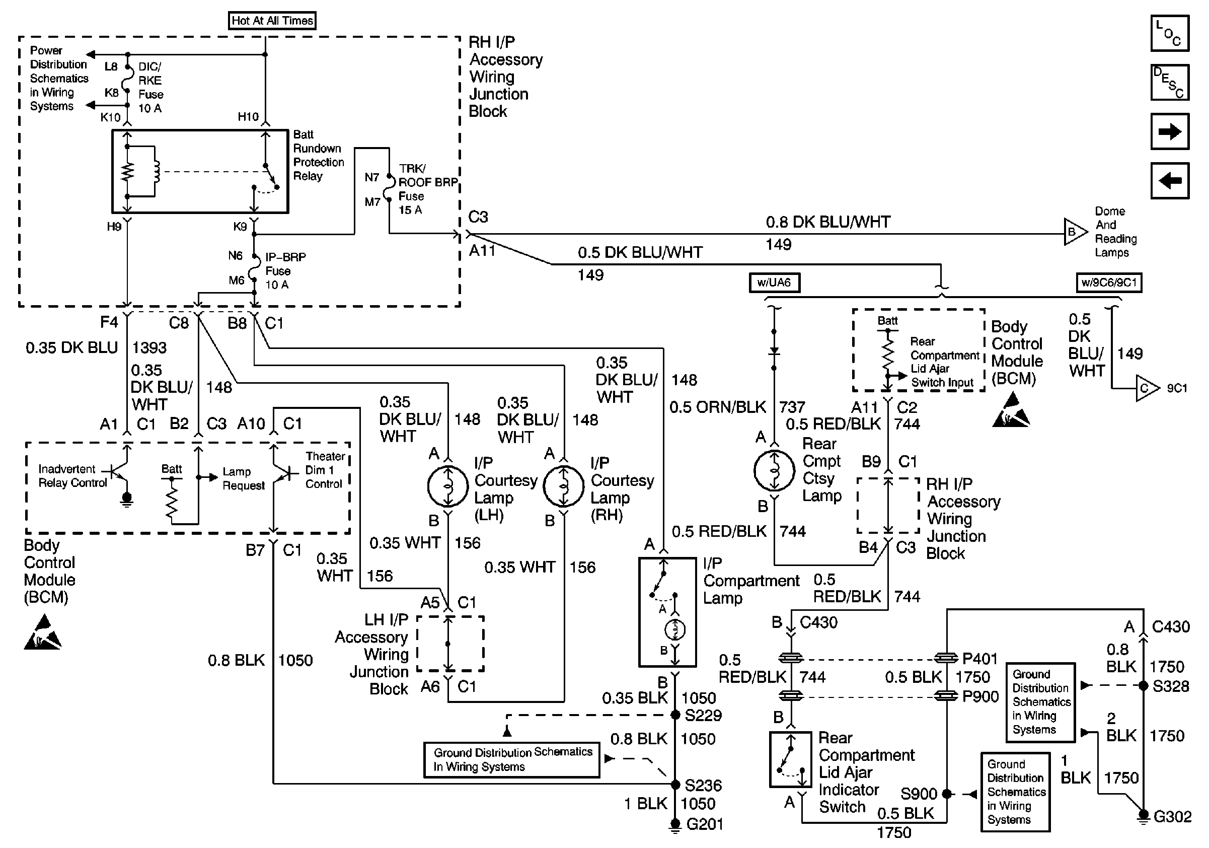
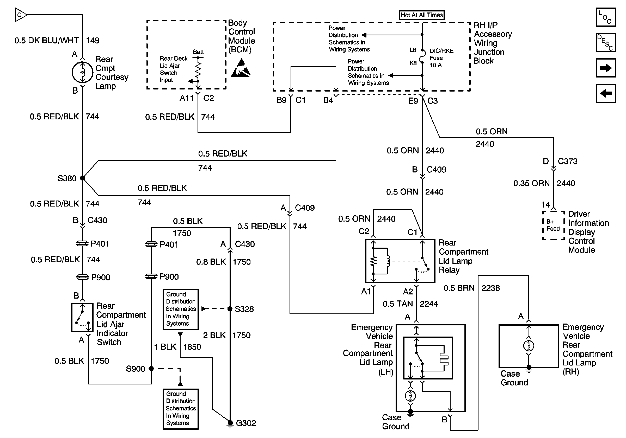
SEO Rear Compartment Lid Relay
Interior Lights (1 of 2)
Figure 12:

SEO Rear Compartment Lid Relay


Object Number: 500540  Size: FS
Interior Lights (1 of 2)
Handling ESD Sensitive Parts Notice
G302
G302 - Continued and G309
DIC/RKE, B/U LP, TRK/ROOF BRP and I/P BRP Fuses, BATT RUNDOWN PROTECTION and BACKUP LP Relays
DIC/RKE, B/U LP, TRK/ROOF BRP and I/P BRP Fuses, BATT RUNDOWN PROTECTION and BACKUP LP Relays
Body Control Module Components
Body Control System Circuit Description
Door Lock Switches, LH Front Door Lock Assembly
Interior Lights (2 of 2)
Figure 13:

Door Lock Switches, LH Front Door Lock Assembly


Object Number: 500544  Size: FS
BCM, Door Lock, Door Window Switch, HVAC, Radio, and Fog Lamp Switch Lamps
G301 (2 of 2)
G302
G203 (1 of 3)
Handling ESD Sensitive Parts Notice
RF and Rear Door Lock Assemblys
RF and Rear Door Lock Assemblys
G203 (2 of 3)
Body Control Module Components
Body Control System Circuit Description
RF and Rear Door Lock Assemblys
SEO Rear Compartment Lid Relay
Figure 14:

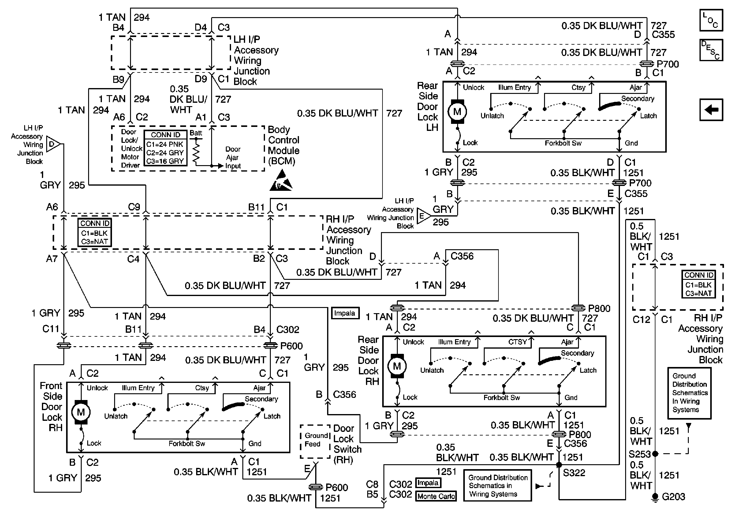
RF and Rear Door Lock Assemblys


Object Number: 500547  Size: FS
Door Lock Switches, LH Front Door Lock Assembly
Door Lock Switches, LH Front Door Lock Assembly
G203 (1 of 3)
G203 (2 of 3)
Body Control Module Components
Body Control System Circuit Description
Door Lock Switches, LH Front Door Lock Assembly