GM Service Manual Online
For 1990-2009 cars only
Makes
🢒
Chevrolet
🢒
2008
🢒
Impala
🢒
Diagnostic Navigation
🢒
Vehicle Diagnostic Information
🢒 Release Systems Schematics
Master Electrical Component List
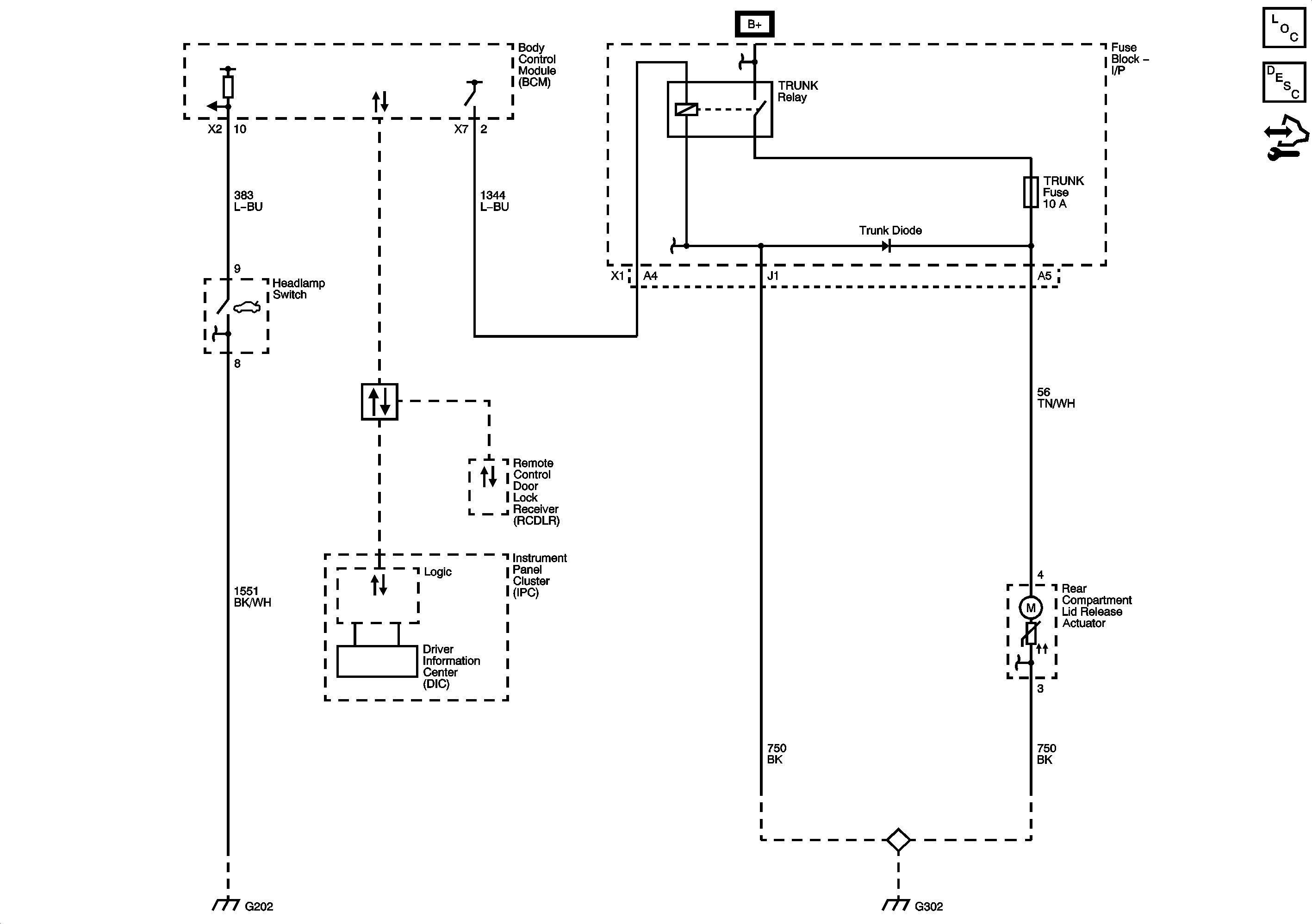
Luggage Compartment Description and Operation
Control Module References
BATT 1, CNSTR, XM, TRUNK, AMP, AUX Fuses, and TRUNK Relay
Power, Ground, and Low Speed GMLAN Serial Data
G302 (1 of 2)
G202, and G204
G202, and G204
G302
G302