GM Service Manual Online
For 1990-2009 cars only
Makes
🢒
Chevrolet
🢒
2005
🢒
Kodiak C-Series Motorhome (Cutaway) C4/C5
🢒 Upfitter Connector
Upfitter Connector
Trailer Connector-C4/C5
Master Electrical Component List
Exterior Lighting Systems Description and Operation
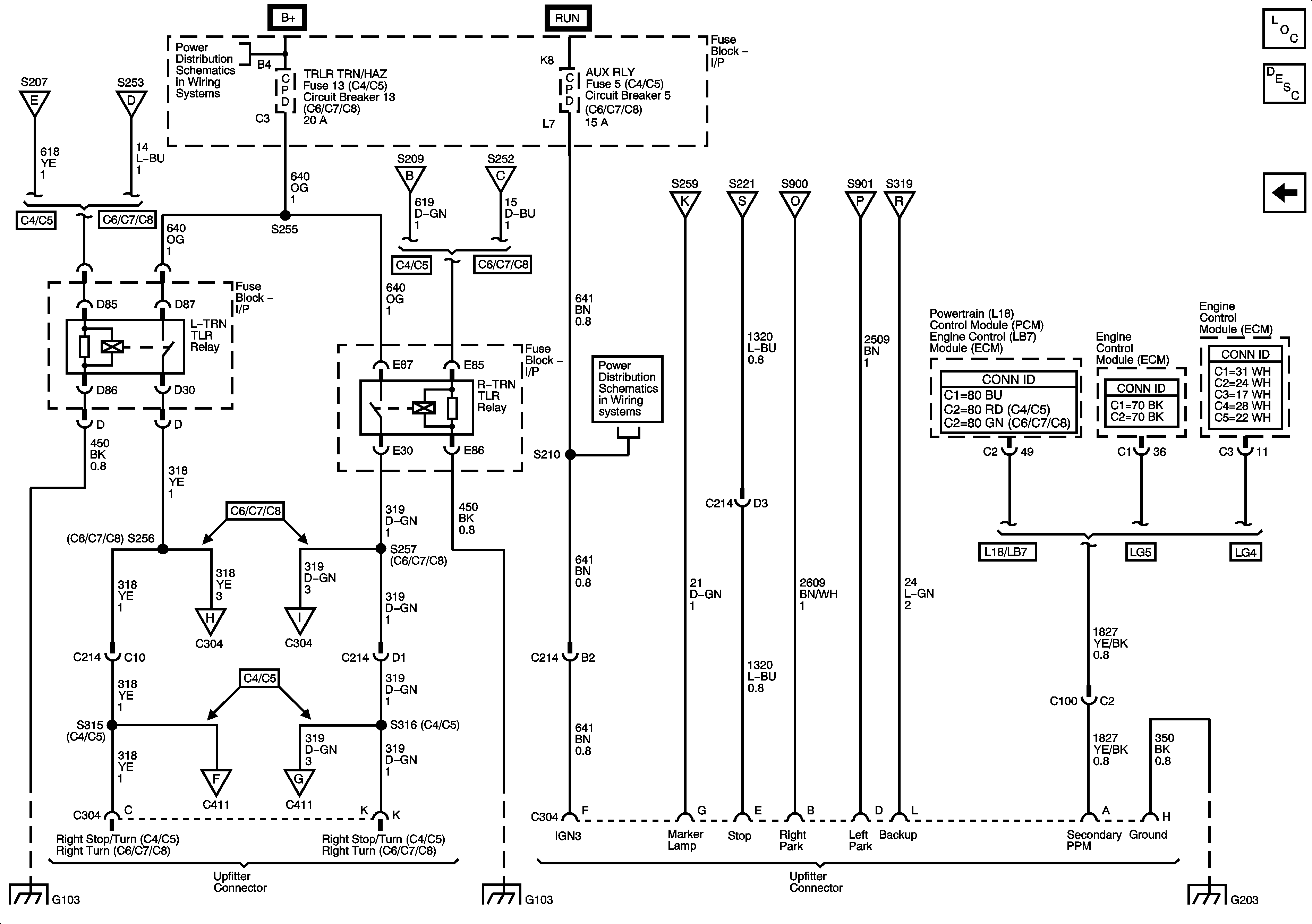
Trailer Tow Connector (C4/C5)
Hazard and Turn Signal
Hazard and Turn Signal
Underhood Fuse Block, I/P Fuse Block, BATT/HAZ Fuse, PWR ACCY, HAZARD, TRLR TRN/HAZ, and STOP Fuses/Circuit Breakers
Hazard and Turn Signal
Hazard and Turn Signal
Park Lamps, Roof Marker Lamps
Stoplamp Switch
Park Lamps, Roof Marker Lamps
Park Lamps, Roof Marker Lamps
Backup Lamps
I/P Fuse Block, IGN 4, and AUX RLY Fuses/Circuit Breakers
Trailer Tow Connector (C4/C5)
Trailer Tow Connector (C4/C5)
Trailer Tow Connector (C6/C7/C8)
Trailer Tow Connector (C6/C7/C8)
G103 - 1 of 2, G105, and G106
G103 - 1 of 2, G105, and G106
G112, G113, G203 - 4 of 4, G204, G205 and G400