GM Service Manual Online
For 1990-2009 cars only
Makes
🢒
Chevrolet
🢒
2005
🢒
Kodiak C-Series Motorhome (Cutaway) C4/C5
🢒 Heat Only
Heat Only
Heat Only
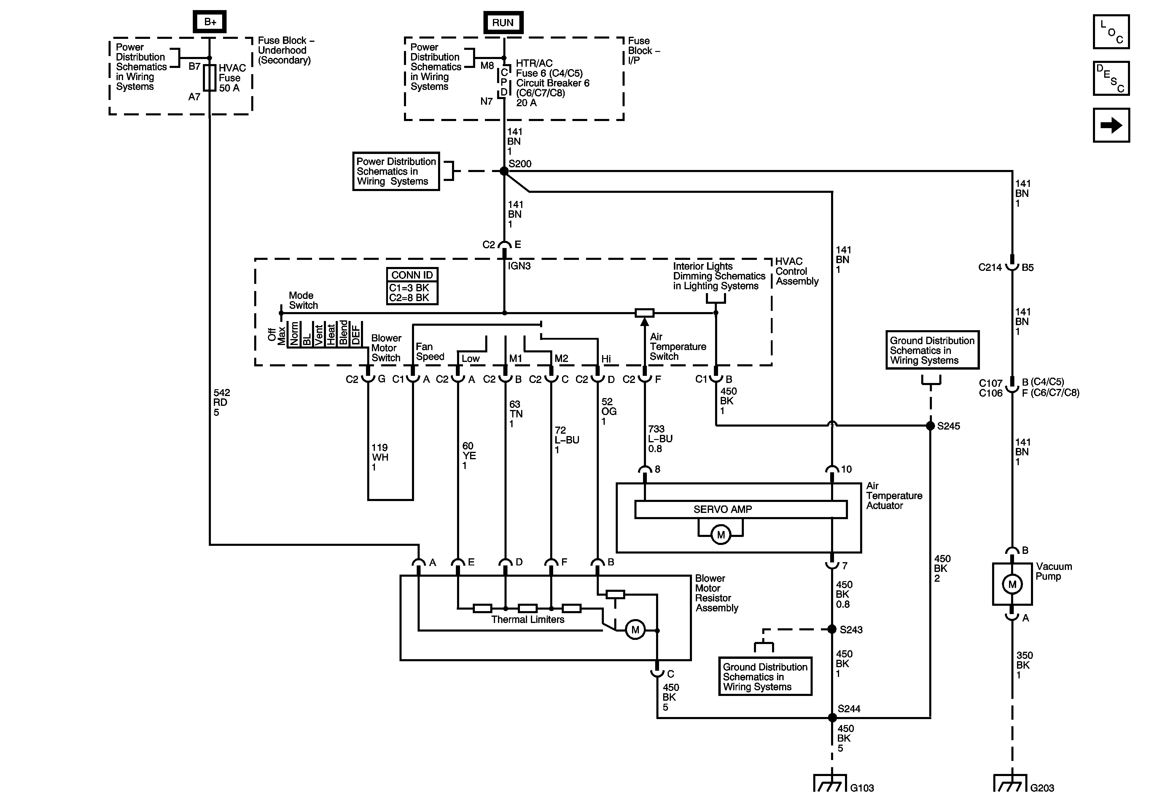
Master Electrical Component List
Air Delivery Description and Operation
Blower Controls (C60)
B+ Bus Bar
Ignition Switch, RUN and ACC/RUN Bus Bars
BRAKE, CHASSIS, HTR/AC, and AXLE/4WD Fuses/Circuit Breakers
Interior Dimming Lamps System
G103 - 1 of 2, G105, and G106
G103 - 1 of 2, G105, and G106
G103 - 1 of 2, G105, and G106
G112, G113, G203 - 4 of 4, G204, G205 and G400