GM Service Manual Online
For 1990-2009 cars only
Figure 1:

Module Power, Ground, Serial Data, and MIL


Object Number: 792537  Size: FS
Master Electrical Component List
Powertrain Control Module Description
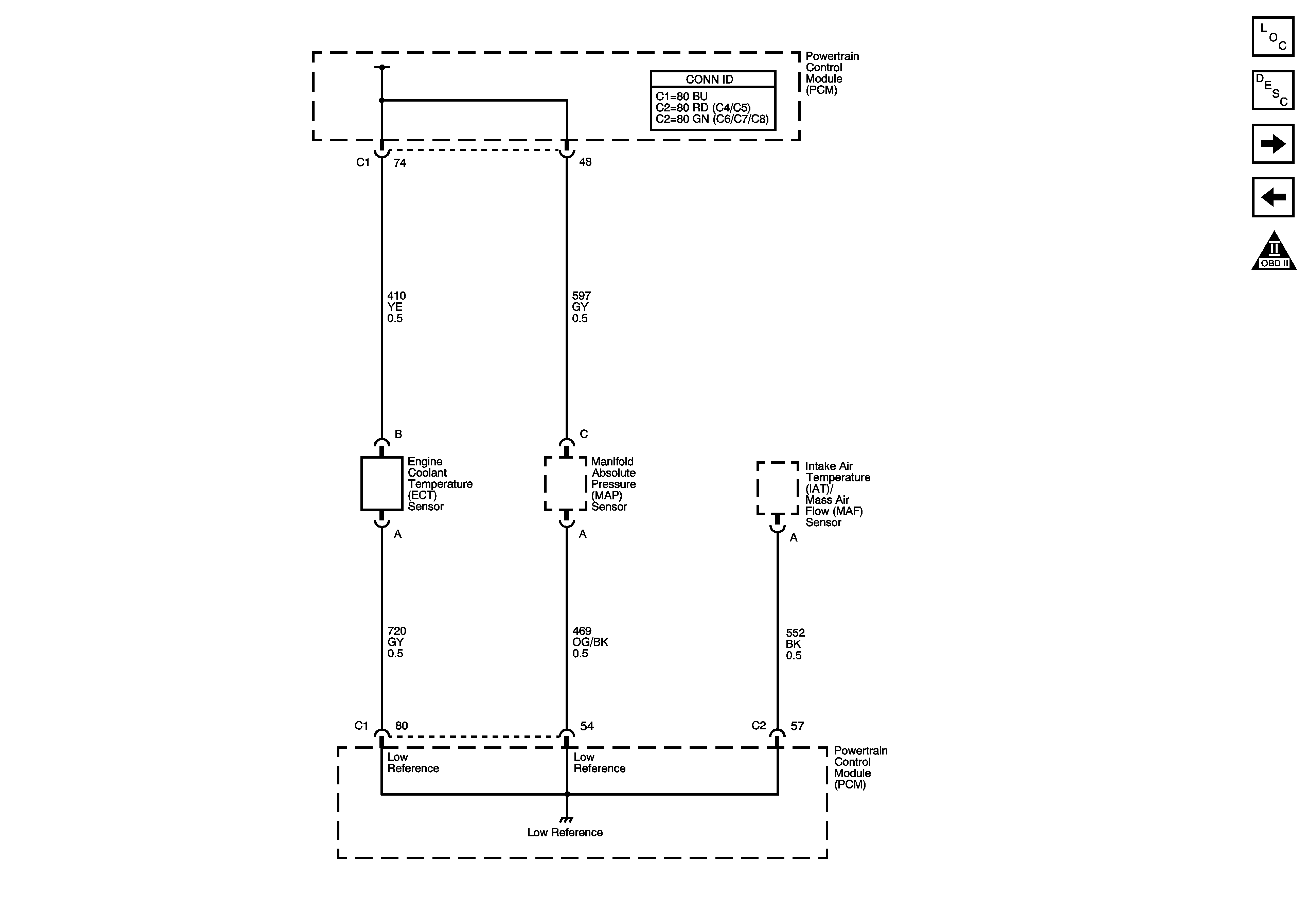
Engine Data Sensors - 5 Volt and Low Reference
Engine Controls Schematic Icons
Ignition Switch - OFF/RUN/START, RUN/START and START Bus Bars
Ignition Switch - OFF/RUN/START, RUN/START and START Bus Bars
Ignition Switch - OFF/RUN/START, RUN/START and START Bus Bars
START and TRANS Fuses/Circuit Breakers
GAUGES, L-RR TRUCK, R-RR TRUCK, and SIR Fuses/Circuit Breakers
START and TRANS Fuses/Circuit Breakers
ENGINE and PCM-I Fuses/Circuit Breakers
START and TRANS Fuses/Circuit Breakers
A/C COMP, HTD FUEL, PCM-B, and RR DEFOG Fuses
GAUGES, L-RR TRUCK, R-RR TRUCK, and SIR Fuses/Circuit Breakers
Power and Indicators
J1939 Serial Data (L65/L18/LG4/LC8) - 2 of 2
G203 - 2 of 4
G100 (L18)
Figure 2:

Engine Data Sensors - 5-Volt and Low Reference


Object Number: 792539  Size: FS
Master Electrical Component List
Powertrain Control Module Description
Fuse Block Underhood Ignition A Relay
Module Power, Ground, Serial Data, and MIL
Engine Controls Schematic Icons
Figure 3:

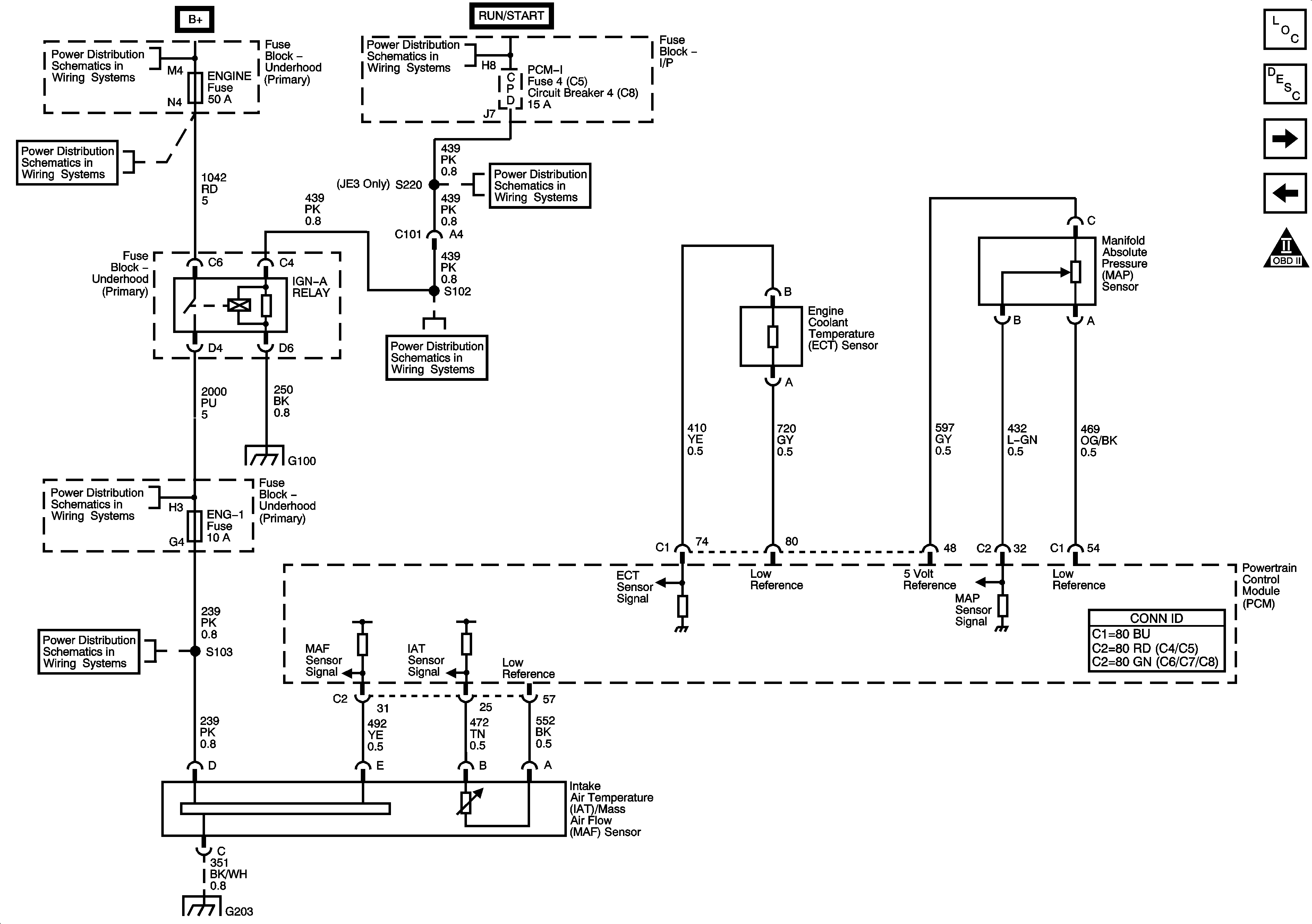
Engine Data Sensors - Pressure and Temperature


Object Number: 792540  Size: FS
Master Electrical Component List
Throttle Actuator Control (TAC) System Description
Engine Data Sensors - VSS
Engine Data Sensors - 5 Volt and Low Reference
Engine Controls Schematic Icons
B+ Bus Bar
Ignition Switch - OFF/RUN/START, RUN/START and START Bus Bars
ENGINE and PCM-I Fuses/Circuit Breakers
ENGINE and PCM-I Fuses/Circuit Breakers
ENGINE and PCM-I Fuses/Circuit Breakers
ENG 1 and ENG 4 Fuses (L18/LB7)
ENG 1 and ENG 4 Fuses (L18/LB7)
G203 - 2 of 4
Figure 4:

Engine Data Sensors - VSS


Object Number: 830106  Size: FS
Master Electrical Component List
Throttle Actuator Control (TAC) System Description
Engine Data Sensors - Oxygen Sensors
Fuse Block Underhood Ignition A Relay
Engine Controls Schematic Icons
Module Power, Ground, Serial Data, MIL, VSS, and Torque
Ground and Gages
Engine Controls Schematic Icons
Engine Controls Schematic Icons
Figure 5:

Engine Data Sensors - Oxygen Sensors


Object Number: 792541  Size: FS
Master Electrical Component List
Throttle Actuator Control (TAC) System Description
Engine Data Sensors - Electronic Throttle Controls
Engine Data Sensors - VSS
Engine Controls Schematic Icons
ENG 2 and ENG 3 Fuses (L18)
Ignition Switch - RUN and ACC/RUN Bus Bars
AXLE/4WD, BRAKE, CHASSIS, and HTR/AC Fuses/Circuit Breakers
G101 - 1 of 2
Figure 6:

Engine Data Sensors - Electronic Throttle Controls


Object Number: 823569  Size: FS
Master Electrical Component List
Throttle Actuator Control (TAC) System Description
Ignition Controls - Ignition Systems - 1 of 2
Engine Data Sensors - 5 volt and Low Reference
Engine Controls Schematic Icons
Ignition Switch - OFF/RUN/START, RUN/START and START Bus Bars
ENGINE and PCM-I Fuses/Circuit Breakers
BRAKE ISO Fuse/Circuit Breaker
L18/LB7/LG4/LLY
G200, G202, and G203 - 1 of 4
Figure 7:

Ignition Controls - Ignition System - 1 of 2


Object Number: 792543  Size: FS
Master Electrical Component List
Fuel System Description
Ignition Controls - Ignition Systems - 2 of 2
Engine Data Sensors - Electronic Throttle Controls
Engine Controls Schematic Icons
Ignition Switch - OFF/RUN/START, RUN/START and START Bus Bars
B+ Bus Bar
ENGINE and PCM-I Fuses/Circuit Breakers
Ignition Controls - Ignition Systems - 2 of 2
G100 (L18)
G100 (L18)
G100 (L18)
Ignition Controls - Ignition Systems - 2 of 2
Figure 8:

Ignition Controls - Ignition System - 2 of 2


Object Number: 830108  Size: FS
Master Electrical Component List
Fuel System Description
Ignition Systems - CMP and CKP Sensors
Ignition Controls - Ignition Systems - 1 of 2
Engine Controls Schematic Icons
Ignition Controls - Ignition Systems - 1 of 2
Ignition Controls - Ignition Systems - 1 of 2
Figure 9:

Ignition Systems - CMP and CKP Sensors


Object Number: 792597  Size: FS
Master Electrical Component List
Electronic Ignition (EI) System Description
Fuel Controls - Fuel Pump Controls
Ignition Controls - Ignition Systems - 2 of 2
Engine Controls Schematic Icons
Figure 10:

Fuel Controls - Fuel Pump Controls


Object Number: 792598  Size: FS
Master Electrical Component List
Electronic Ignition (EI) System Description
Fuel Controls - Fuel Injectors
Ignition Systems - CMP and CKP Sensors
Engine Controls Schematic Icons
B+ Bus Bar
G200, G202, and G203 - 1 of 4
G200, G202, and G203 - 1 of 4
Figure 11:

Fuel Controls - Fuel Injectors


Object Number: 792601  Size: FS
Master Electrical Component List
Electronic Ignition (EI) System Description
Device Controls - EGR Valve and Solenoid
Fuel Controls - Fuel Pump Controls
Engine Controls Schematic Icons
Ignition Switch - OFF/RUN/START, RUN/START and START Bus Bars
B+ Bus Bar
ENGINE and PCM-I Fuses/Circuit Breakers
G100 (L18)
Figure 12:

Device Controls - EGR Valve and Solenoid


Object Number: 792603  Size: FS
Master Electrical Component List
Powertrain Control Module Description
Controlled/Monitored Subsystem References - 1 of 2
Fuel Controls - Fuel Injectors
Engine Controls Schematic Icons
Underhood Fuse Block, ENG 4 and ENG 1 Fuses (L18/LB7)
Underhood Fuse Block, ENG 4 and ENG 1 Fuses (L18/LB7)
Instrument Panel Cluster - 2 of 2
Blower Controls (C60)
Starter and Charging System (LG4/LG5)
Figure 13:

Controlled/Monitored Subsystem References - 1 of 2


Object Number: 792605  Size: FS
Master Electrical Component List
Knock Sensor (KS) System Description
Controlled/Monitored Subsystem References - 2 of 2
Device Controls - EGR Valve and Solenoid
Engine Controls Schematic Icons
Ground and Gages
Electronic Fan Controls, Coolant Level Switch
Starter and Charging System (LG4/LG5)
Module Power, Ground, Serial Data, MIL, VSS, and Torque
L18/LB7/LG4/LLY
Figure 14:

Controlled/Monitored Subsystem References - 2 of 2


Object Number: 792607  Size: FS
Master Electrical Component List
Knock Sensor (KS) System Description
Controlled/Monitored Subsystem References - 1 of 2
Engine Controls Schematic Icons
Power Take-Off (LG4/L18/LB7) - 1 of 2
Module Power, Ground, Serial Data, MIL, VSS, and Torque