GM Service Manual Online
For 1990-2009 cars only
Makes
🢒
Chevrolet
🢒
2006
🢒
Kodiak C-Series (Conventional) C4/C5
🢒
Body
🢒
Doors
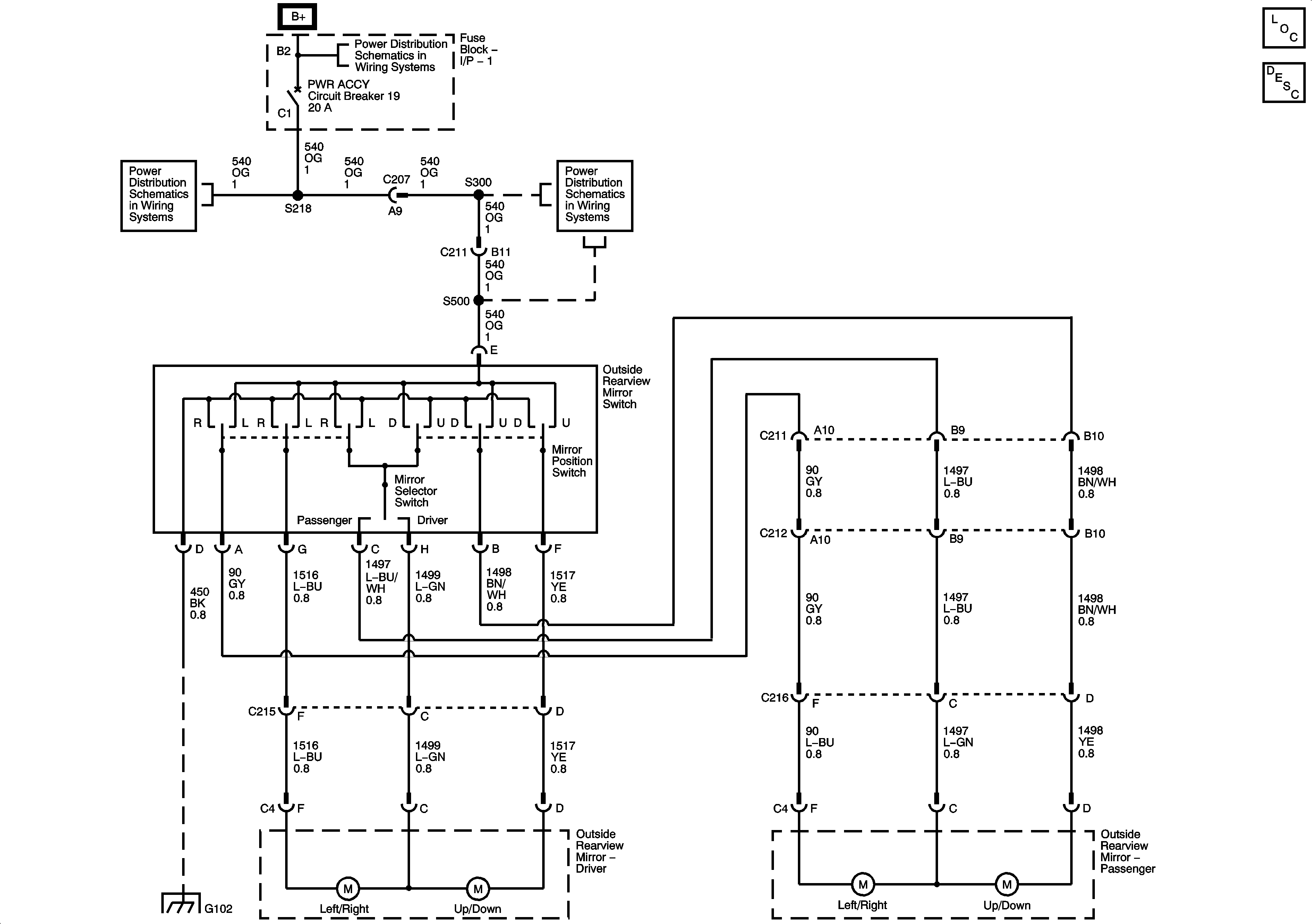
🢒 Outside Rearview Mirror Schematics
Outside Rearview Mirror Schematics DB6
Master Electrical Component List
Outside Mirror Description and Operation (Power Mirrors)
BAT/HAZ, HAZRD, PWR/ACCY, STOP, and TRLR Fuses/Circuit Breakers
BAT/HAZ, HAZRD, PWR/ACCY, STOP, and TRLR Fuses/Circuit Breakers
BAT/HAZ, HAZRD, PWR/ACCY, STOP, and TRLR Fuses/Circuit Breakers
G102 - 1 of 2
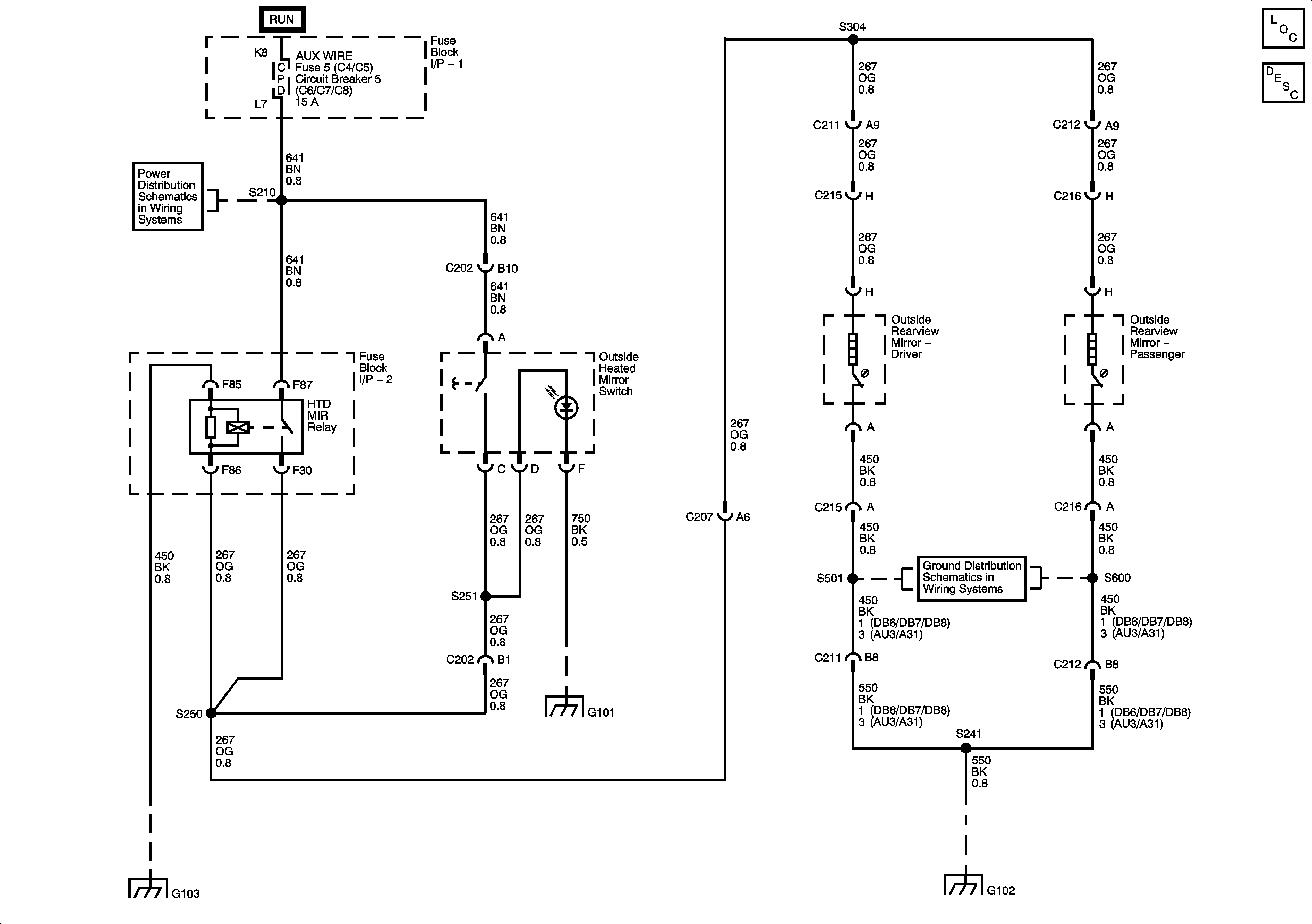
Outside Rearview Mirror Schematics DB8
Master Electrical Component List
Outside Mirror Description and Operation (Heated Mirrors)
AUX WIRE and IGN-4 (I/P Fuse Block -1) Fuses/Circuit Breakers
G103, G105, and G106
G101 - 2 of 2
G102 - 1 of 2
G102 - 1 of 2