GM Service Manual Online
For 1990-2009 cars only
Makes
🢒
Chevrolet
🢒
2006
🢒
Kodiak C-Series (Conventional) C4/C5
🢒 Heater (C40)
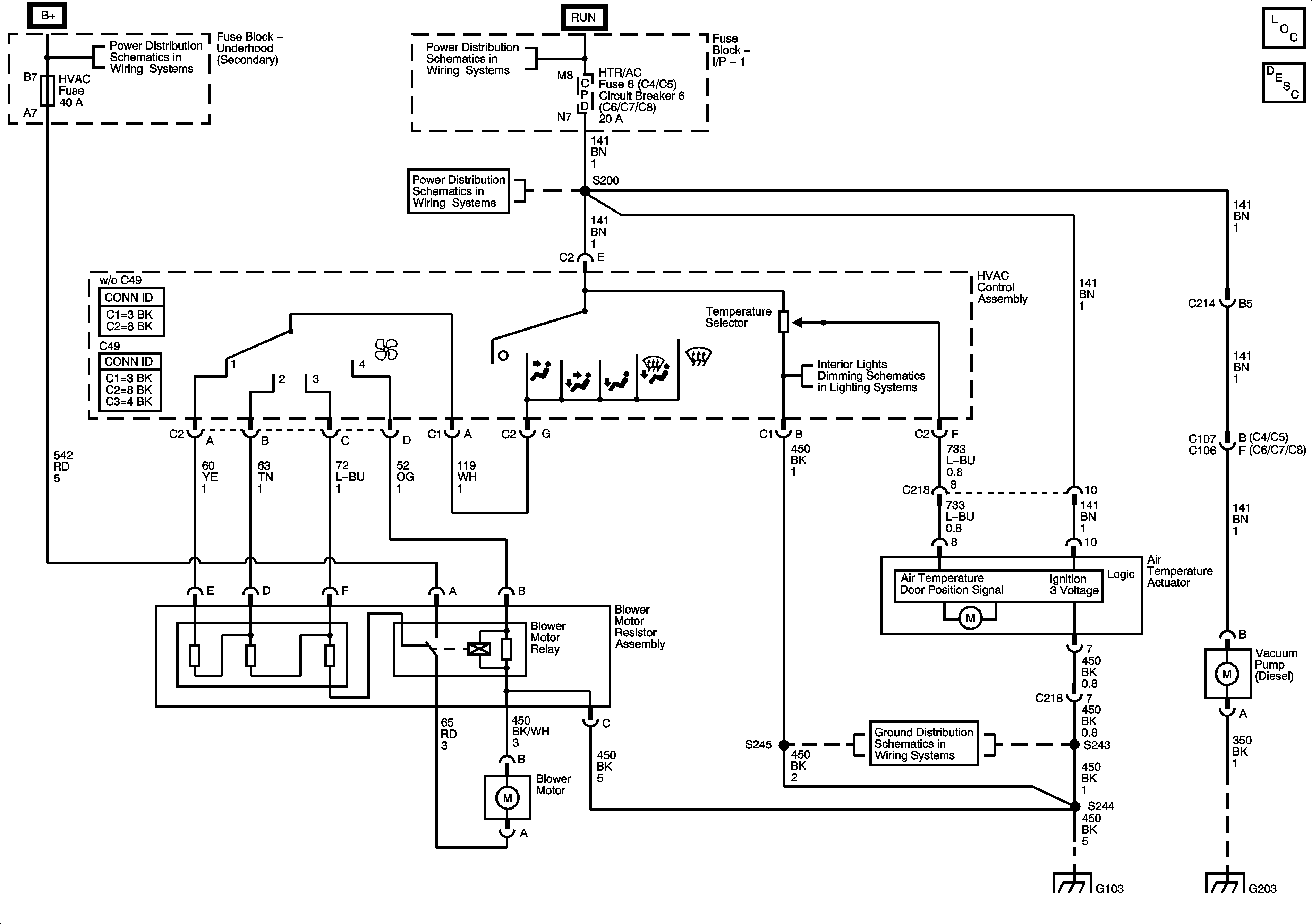
Heater (C40)
Master Electrical Component List
Air Delivery Description and Operation
Batteries - LG4/LG5 and B+ Bus
Ignition Switch - RUN and ACC/RUN Bus Bars and IGN 3 Fuse
AXL/4WD, BRK, HTR/AC, and HYD/AIR BRK Fuses/Circuit Breakers
Interior Lights Dimming Schematics
G103, G105, and G106
G103, G105, and G106
G112, G113, G203 - 4 of 4, G204, G205, and G400