GM Service Manual Online
For 1990-2009 cars only
Makes
🢒
Chevrolet
🢒
2006
🢒
Kodiak C-Series (Conventional) C4/C5
🢒 Interior Lights Dimming Schematics
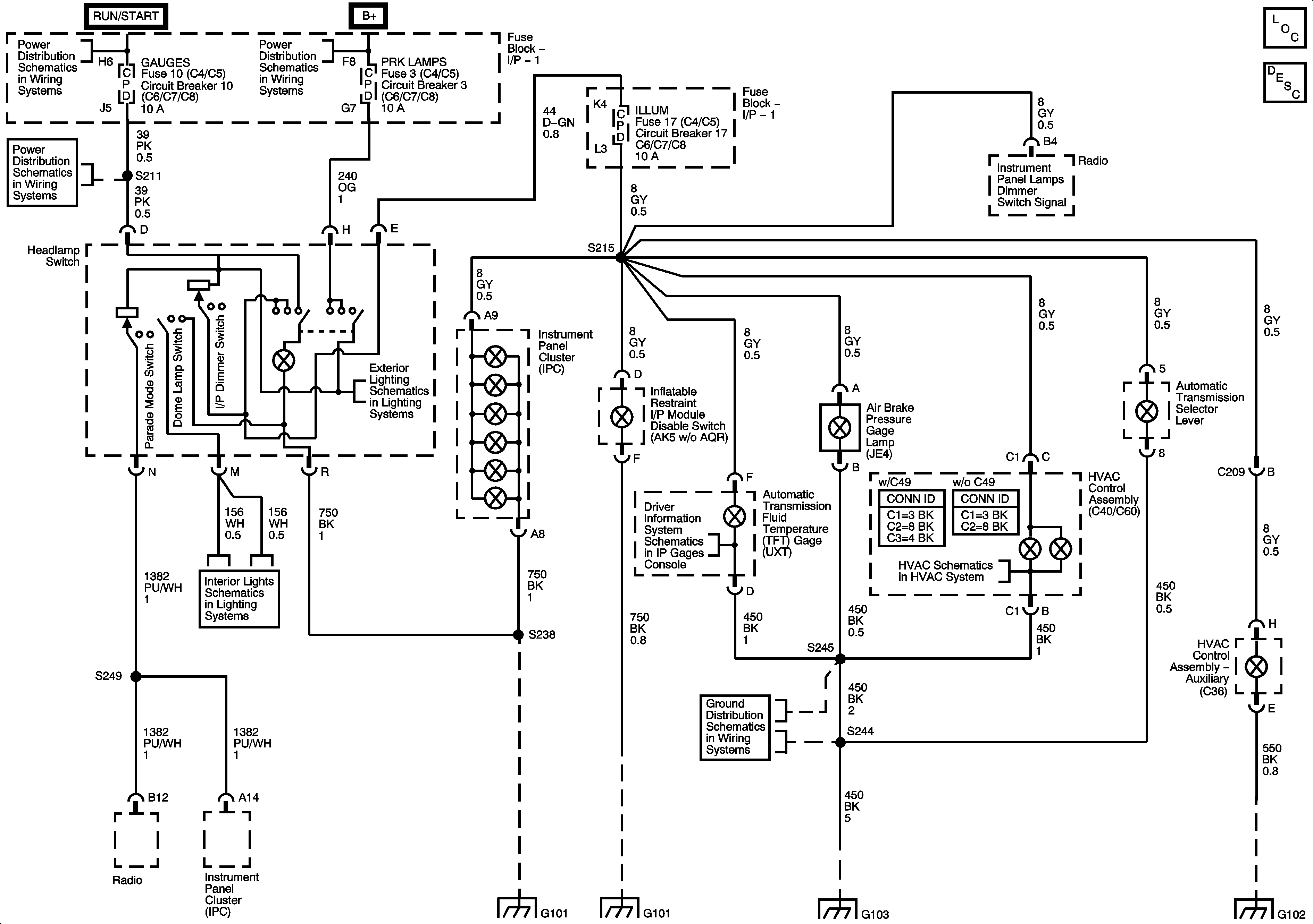
Interior Lights Dimming Schematics
Master Electrical Component List
Interior Lighting Systems Description and Operation
Ignition Switch - OFF/RUN/START, RUN/START, and START Bus Bars
CTSY LAMPS, HVAC, ILLUM, LIGHTING, LT PARK, PRK LAMPS, and RT PARK Fuses/Circuit Breakers - 1 of 2
AIRBAG, GAUGES, LT REAR TURN/STOP, and RT REAR TURN/STOP Fuses/Circuit Breakers
Dome/Reading Lamps
Hazard and Turn Signal
Gage Center
Heater (C40)
G101 - 1 of 2
G101 - 2 of 2
G103, G105, and G106
G103, G105, and G106
G102 - 2 of 2