GM Service Manual Online
For 1990-2009 cars only
Makes
🢒
Chevrolet
🢒
2006
🢒
Kodiak C-Series (Conventional) C4/C5
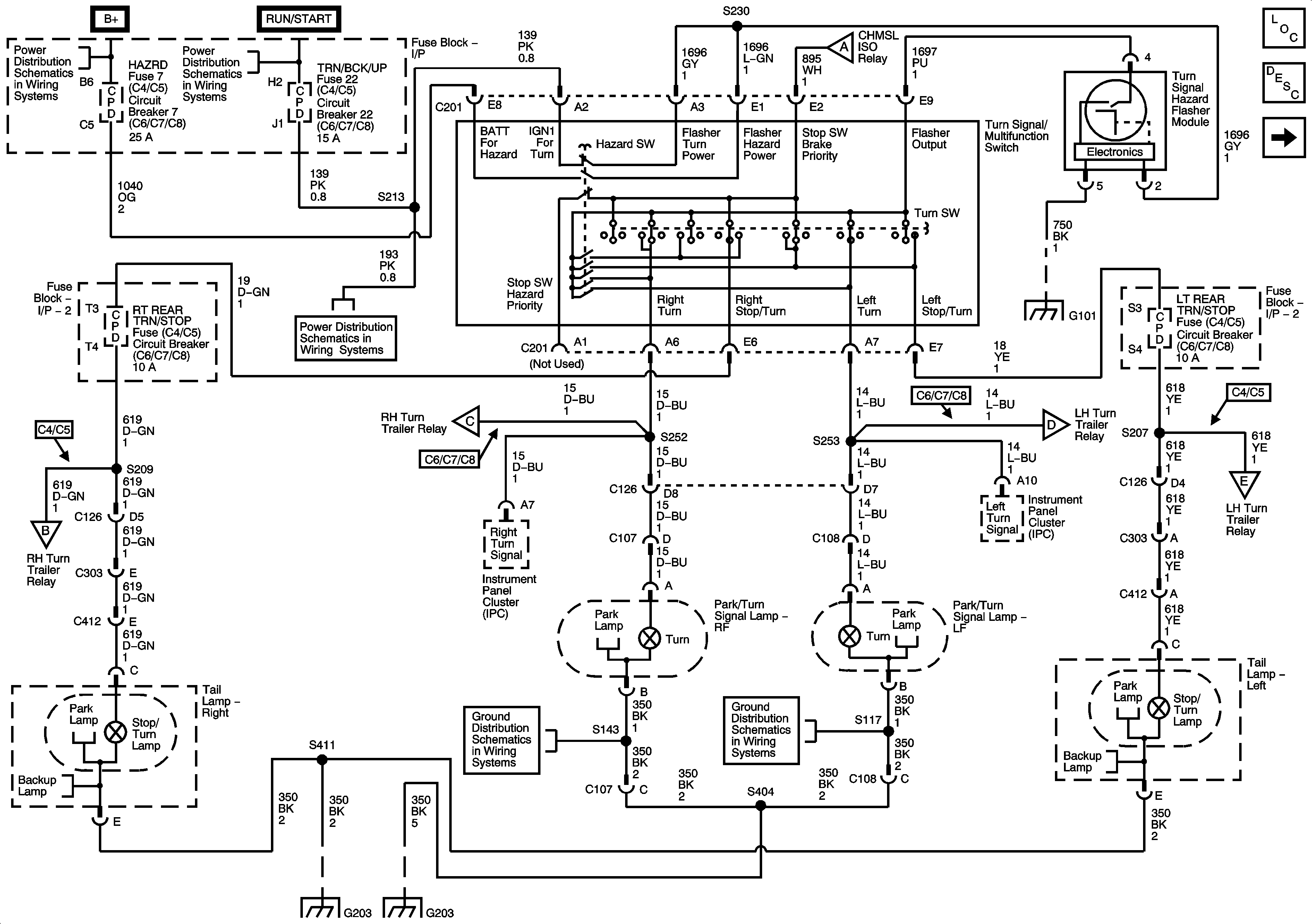
🢒 Hazard and Turn Signal
Hazard and Turn Signal
Hazard and Turn Signal
Master Electrical Component List
Exterior Lighting Systems Description and Operation
Park and Marker Lamps
BAT/HAZ, HAZRD, PWR/ACCY, STOP, and TRLR Fuses/Circuit Breakers
Ignition Switch - OFF/RUN/START, RUN/START, and START Bus Bars
Stop Lamp Switch
TRN/BCK/UP Fuse/Circuit Breaker
C305 - Upfitter Lighting Connector
G101 - 1 of 2
C305 - Upfitter Lighting Connector
C305 - Upfitter Lighting Connector
C305 - Upfitter Lighting Connector
Park and Marker Lamps
Backup Lamps and Backup Alarm
G203 - 1 of 4
G203 - 1 of 4
G112, G113, G203 - 4 of 4, G204, G205, and G400
Park and Marker Lamps
G112, G113, G203 - 4 of 4, G204, G205, and G400
Park and Marker Lamps
Park and Marker Lamps
Backup Lamps and Backup Alarm