GM Service Manual Online
For 1990-2009 cars only
Makes
🢒
Chevrolet
🢒
2006
🢒
Kodiak C-Series (Conventional) C4/C5
🢒 Backup Lamps and Backup Alarm
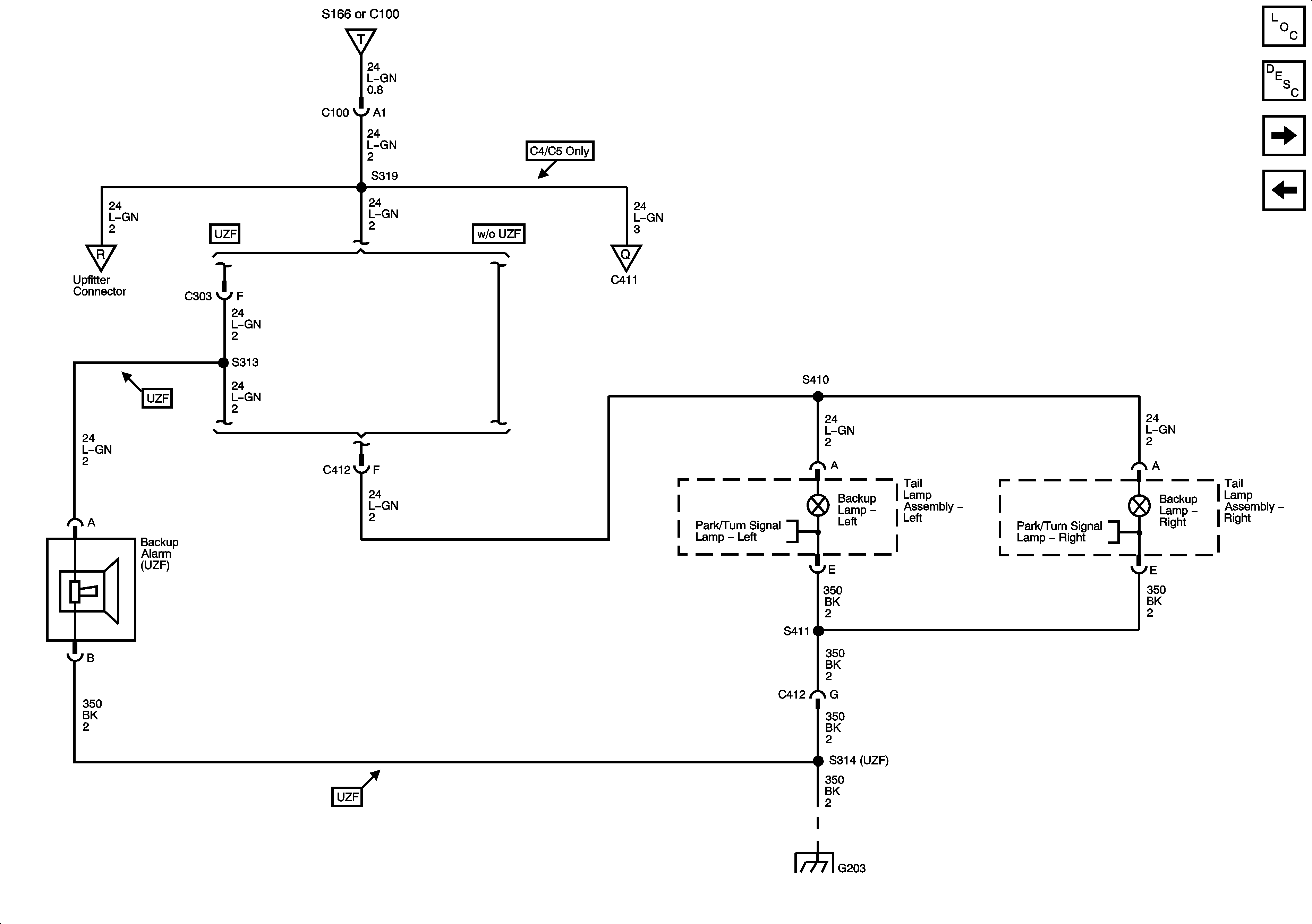
Backup Lamps and Backup Alarm
Backup Lamps and Backup Alarm
Master Electrical Component List
Exterior Lighting Systems Description and Operation
Trailer Tow Connector (C4/C5)
Backup Lamp Control
Backup Lamp Control
C305 - Upfitter Lighting Connector
Trailer Tow Connector (C4/C5)
Hazard and Turn Signal
Hazard and Turn Signal
G203 - 1 of 4