GM Service Manual Online
For 1990-2009 cars only
Makes
🢒
Chevrolet
🢒
2006
🢒
Kodiak C-Series (Conventional) C4/C5
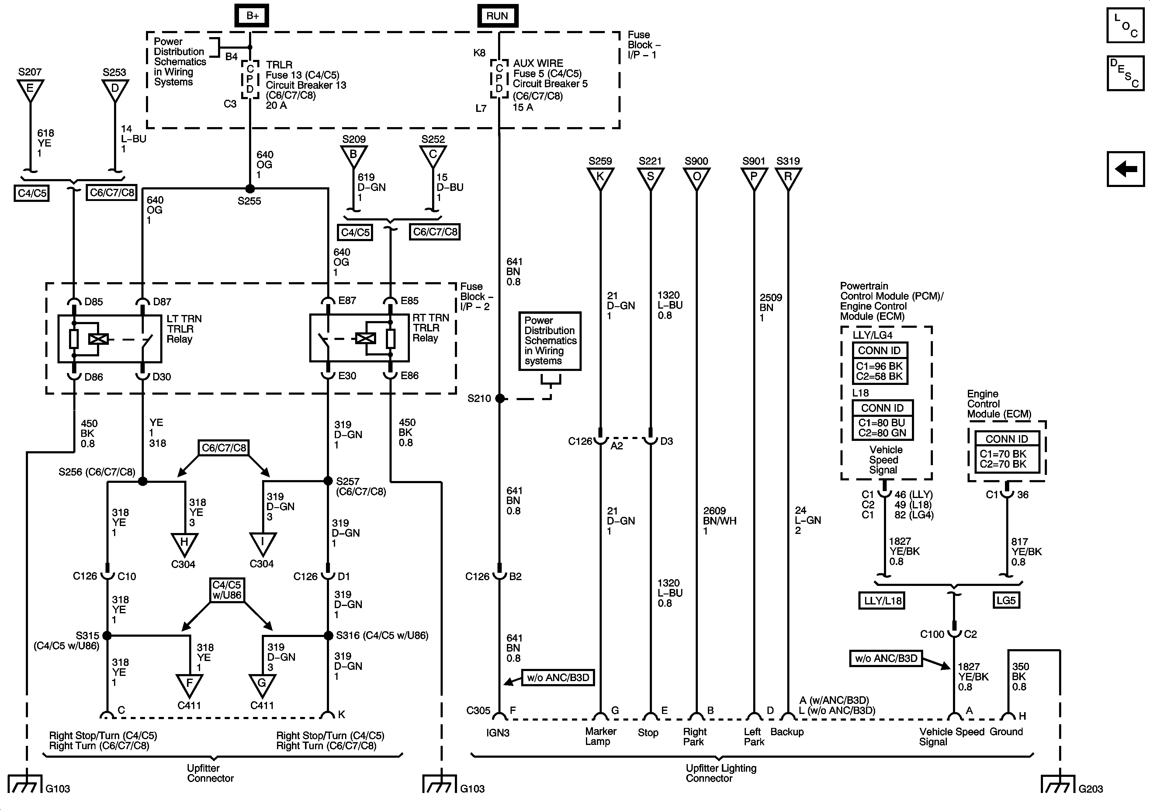
🢒 C305 - Upfitter Lighting Connector
C305 - Upfitter Lighting Connector
C305 - Upfitter Lighting Connector
Master Electrical Component List
Exterior Lighting Systems Description and Operation
Trailer Tow Connector (C6/C7/C8)
Hazard and Turn Signal
Hazard and Turn Signal
BAT/HAZ, HAZRD, PWR/ACCY, STOP, and TRLR Fuses/Circuit Breakers
Hazard and Turn Signal
Hazard and Turn Signal
Park and Marker Lamps
Stop Lamp Switch
Park and Marker Lamps
Park and Marker Lamps
Backup Lamps and Backup Alarm
AUX WIRE and IGN-4 (I/P Fuse Block -1) Fuses/Circuit Breakers
Trailer Tow Connector (C6/C7/C8)
Trailer Tow Connector (C6/C7/C8)
Trailer Tow Connector (C4/C5)
Trailer Tow Connector (C4/C5)
G103, G105, and G106
G103, G105, and G106
G203 - 1 of 4