GM Service Manual Online
For 1990-2009 cars only
Makes
🢒
Chevrolet
🢒
2006
🢒
Kodiak C-Series (Conventional) C4/C5
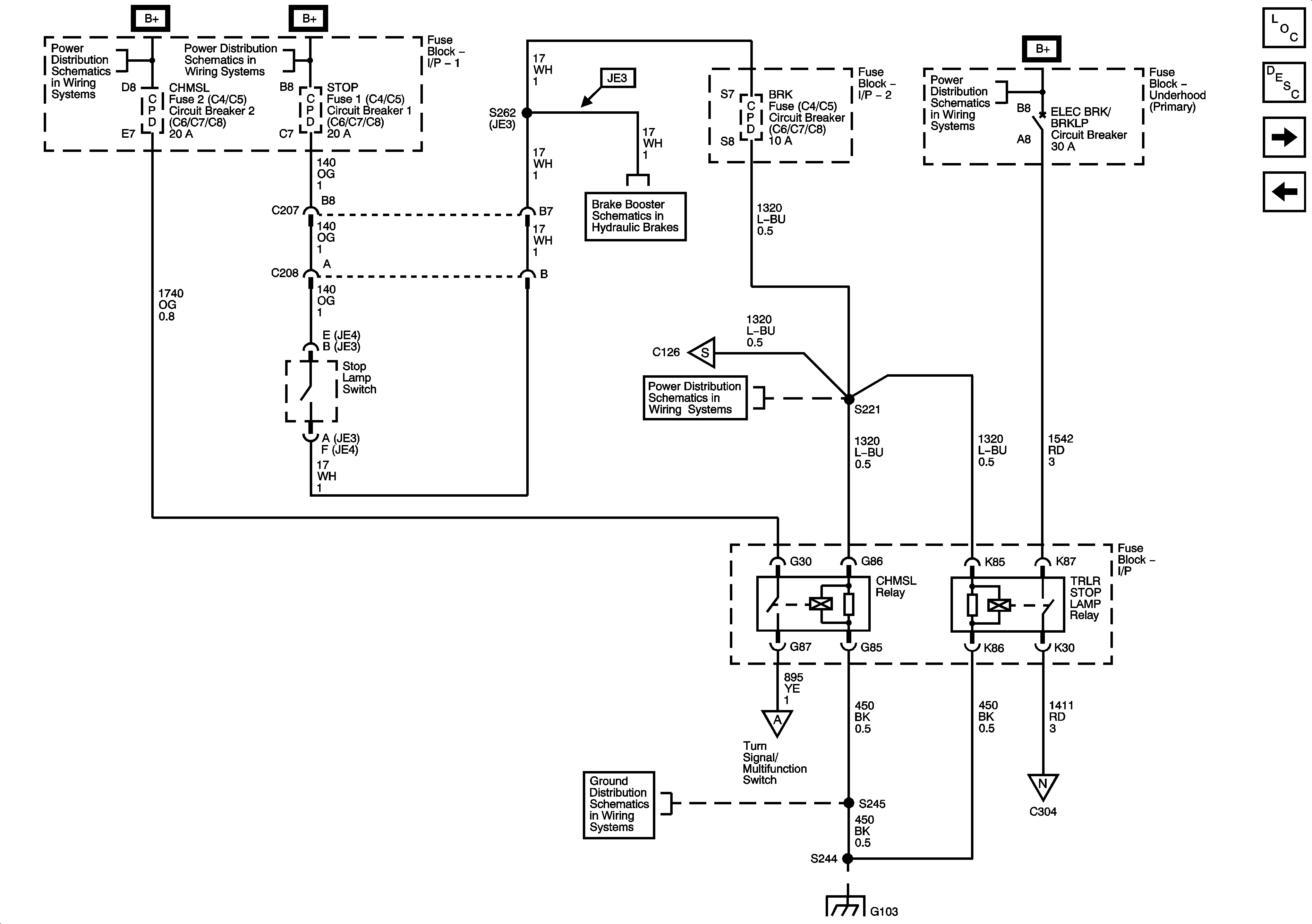
🢒 Stop Lamp Switch
Stop Lamp Switch
Stop Lamp Switch
Master Electrical Component List
Exterior Lighting Systems Description and Operation
Backup Lamp Control
Park and Marker Lamps
CHMSL, PWR POST, and RDO/CHIME Fuses/Circuit Breakers
BAT/HAZ, HAZRD, PWR/ACCY, STOP, and TRLR Fuses/Circuit Breakers
Ignition Switch - RUN and ACC/RUN Bus Bars and IGN 3 Fuse
Power Brake (P/B) Booster Pump Controls and Stop Lamp Switch
C305 - Upfitter Lighting Connector
BRK Fuse/Circuit Breaker
G103, G105, and G106
Hazard and Turn Signal
G103, G105, and G106
Trailer Tow Connector (C6/C7/C8)