GM Service Manual Online
For 1990-2009 cars only
Makes
🢒
Chevrolet
🢒
2006
🢒
Kodiak C-Series (Conventional) C4/C5
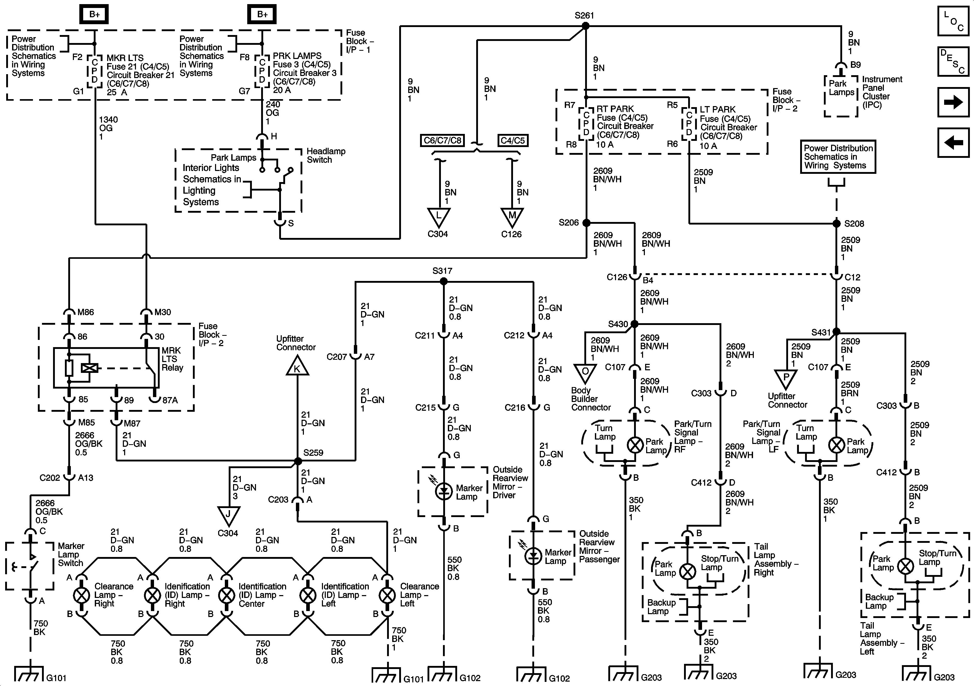
🢒 Park and Marker Lamps
Park and Marker Lamps
Park and Marker Lamps
Master Electrical Component List
Exterior Lighting Systems Description and Operation
Stop Lamp Switch
Hazard and Turn Signal
CTSY LAMPS, HVAC, ILLUM, LIGHTING, LT PARK, PRK LAMPS, and RT PARK Fuses/Circuit Breakers - 1 of 2
Dome/Reading Lamps
Trailer Tow Connector (C6/C7/C8)
Trailer Tow Connector (C4/C5)
DRL, ELEC BRK/BRKLP, HDLP, IGN-4 (Underhood Fuse Block), MKR LTS, PWR WNDW, and RADIO Fuses/Circuit Breakers
CTSY LAMPS, HVAC, ILLUM, LIGHTING, LT PARK, PRK LAMPS, and RT PARK Fuses/Circuit Breakers - 1 of 2
Trailer Tow Connector (C6/C7/C8)
C305 - Upfitter Lighting Connector
C305 - Upfitter Lighting Connector
Hazard and Turn Signal
C305 - Upfitter Lighting Connector
Hazard and Turn Signal
Backup Lamps and Backup Alarm
Hazard and Turn Signal
Backup Lamps and Backup Alarm
Hazard and Turn Signal
G101 - 2 of 2
G101 - 1 of 2
G102 - 1 of 2
G102 - 1 of 2
G112, G113, G203 - 4 of 4, G204, G205, and G400
G203 - 1 of 4
G112, G113, G203 - 4 of 4, G204, G205, and G400
G203 - 1 of 4