GM Service Manual Online
For 1990-2009 cars only
Makes
🢒
Chevrolet
🢒
2006
🢒
Kodiak C-Series (Conventional) C4/C5
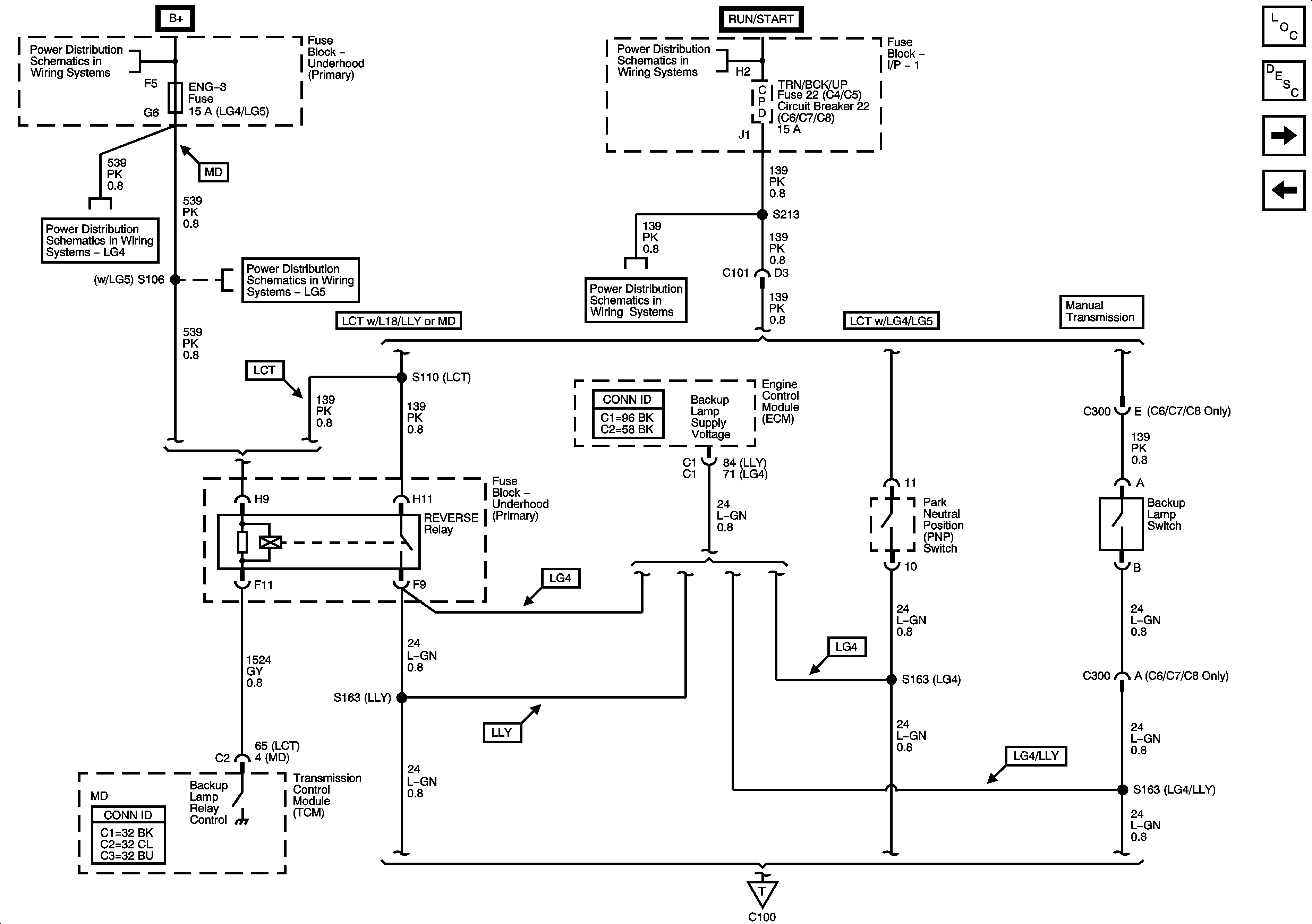
🢒 Backup Lamp Control
Backup Lamp Control
Backup Lamp Control
Master Electrical Component List
Exterior Lighting Systems Description and Operation
Backup Lamps and Backup Alarm
Stop Lamp Switch
ENG-2, and ENG-3 Fuses - LG4
Ignition Switch - OFF/RUN/START, RUN/START, and START Bus Bars
ENG-2, and ENG-3 Fuses - LG4
ENG-2 and ENG-3 Fuses - LG5/LLY
TRN/BCK/UP Fuse/Circuit Breaker
Backup Lamps and Backup Alarm