GM Service Manual Online
For 1990-2009 cars only
Makes
🢒
Chevrolet
🢒
2006
🢒
Kodiak C-Series (Conventional) C4/C5
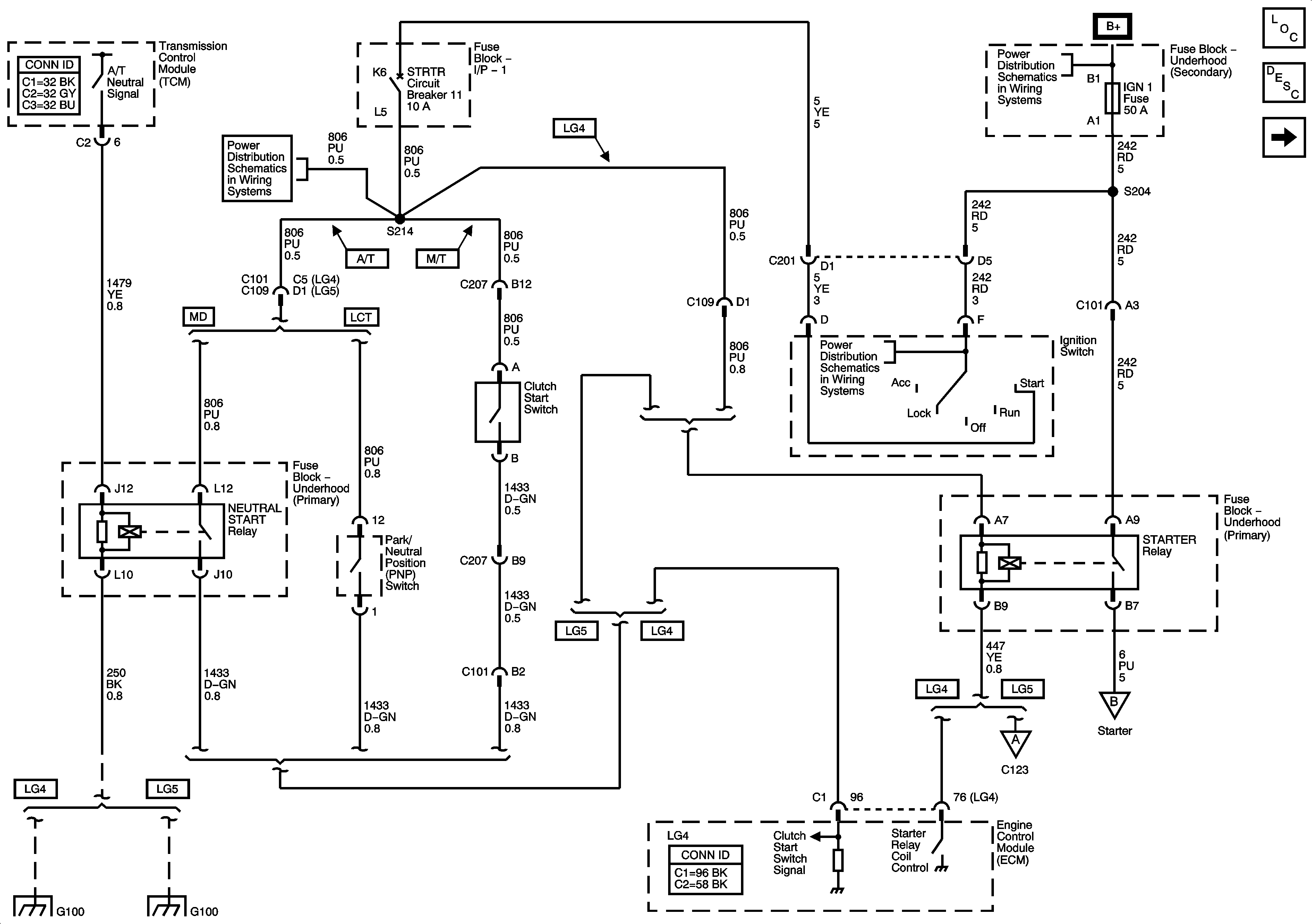
🢒 Starting System - 1 of 2 (LG4/LG5)
Starting System - 1 of 2 (LG4/LG5)
Starting System - 1 of 2 (LG4/LG5)
Master Electrical Component List
Starting System Description and Operation
Starting System - 2 of 2 and Charging System (LG4/LG5)
STRTR Fuse/Circuit Breaker
Batteries - LG4/LG5 and B+ Bus
Ignition Switch - OFF/RUN/START, RUN/START, and START Bus Bars
G100 - LG4
G100 - LG5
Starting System - 2 of 2 and Charging System (LG4/LG5)
Starting System - 2 of 2 and Charging System (LG4/LG5)