GM Service Manual Online
For 1990-2009 cars only
Makes
🢒
Chevrolet
🢒
2006
🢒
Kodiak C-Series (Conventional) C4/C5
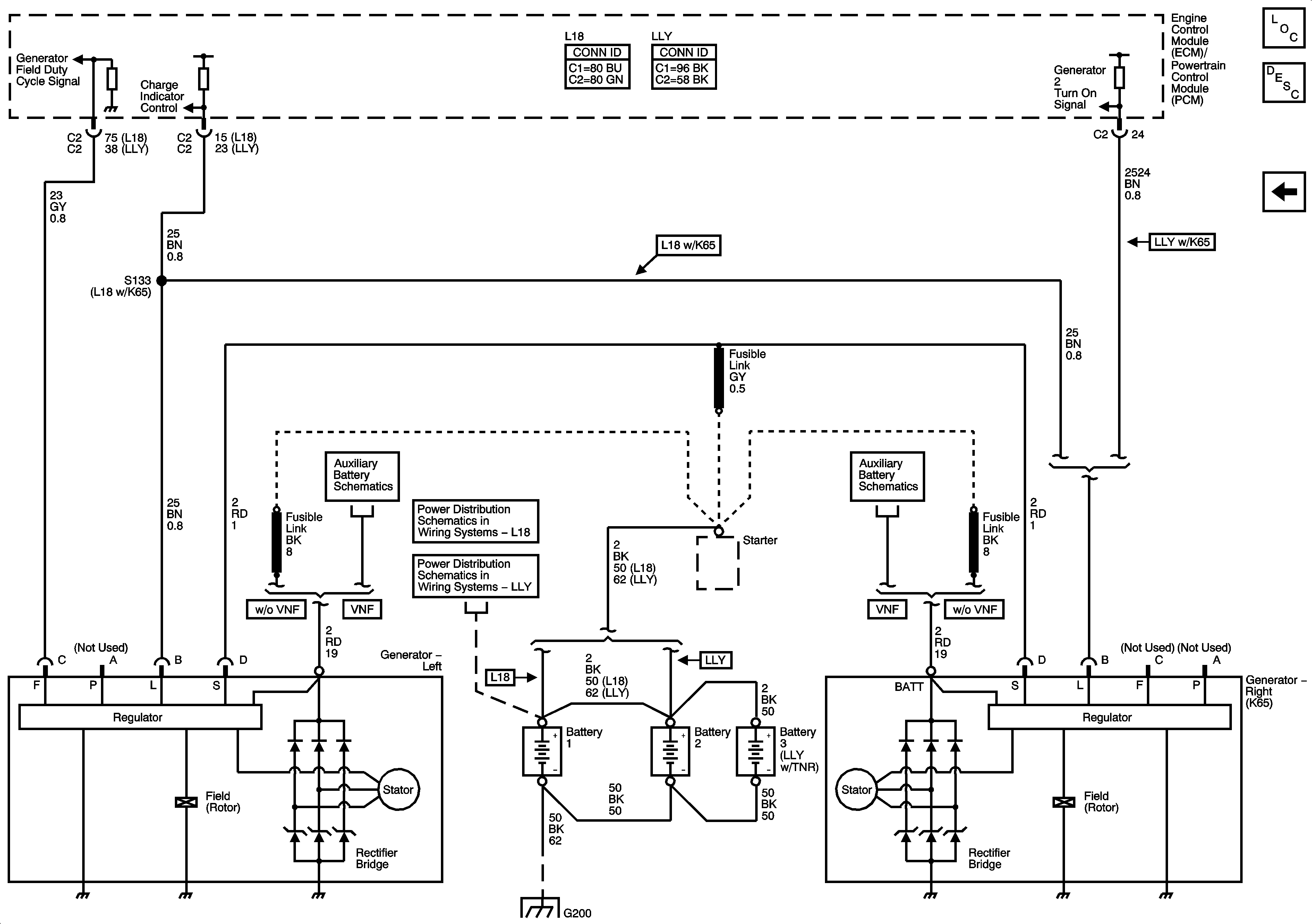
🢒 Charging System (L18/LLY)
Charging System (L18/LLY)
Charging System (L18/LLY)
Master Electrical Component List
Charging System Description and Operation
Starting System (L18/LLY)
Auxiliary Battery Schematics
Auxiliary Battery Schematics
Batteries - L18
Batteries - LLY
G200 and G202