GM Service Manual Online
For 1990-2009 cars only
Makes
🢒
Chevrolet
🢒
2006
🢒
Kodiak C-Series (Conventional) C4/C5
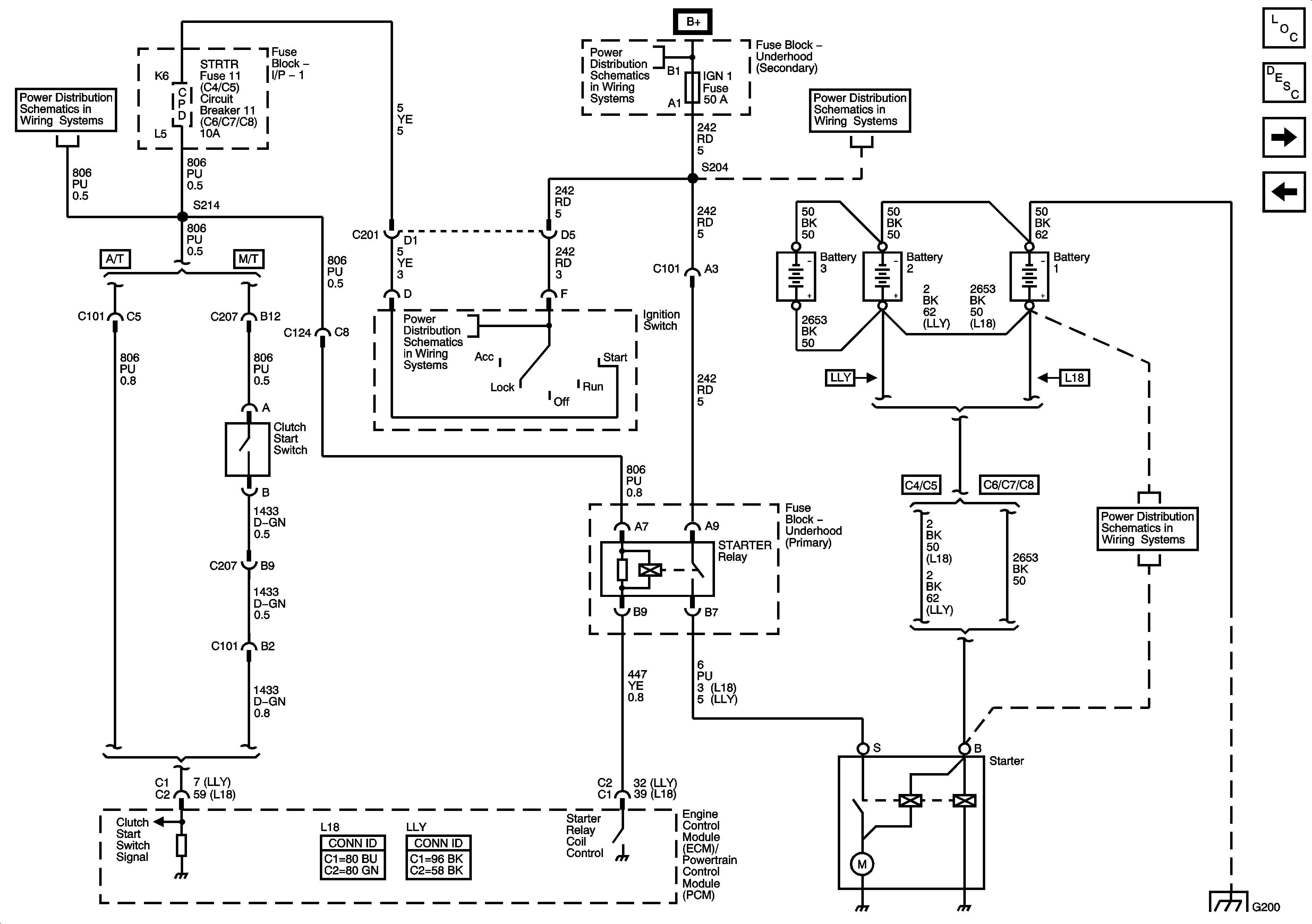
🢒 Starting System (L18/LLY)
Starting System (L18/LLY)
Starting System (L18/LLY)
Master Electrical Component List
Starting System Description and Operation
Charging System (L18/LLY)
Starting System - 2 of 2 and Charging System (LG4/LG5)
STRTR Fuse/Circuit Breaker
Batteries - LG4/LG5 and B+ Bus
Ignition Switch - OFF/RUN/START, RUN/START, and START Bus Bars
Ignition Switch - OFF/RUN/START, RUN/START, and START Bus Bars
Batteries - LG4/LG5 and B+ Bus
G203 - 1 of 4