GM Service Manual Online
For 1990-2009 cars only
Makes
🢒
Chevrolet
🢒
2008
🢒
Kodiak C-Series (Conventional) C4/C5
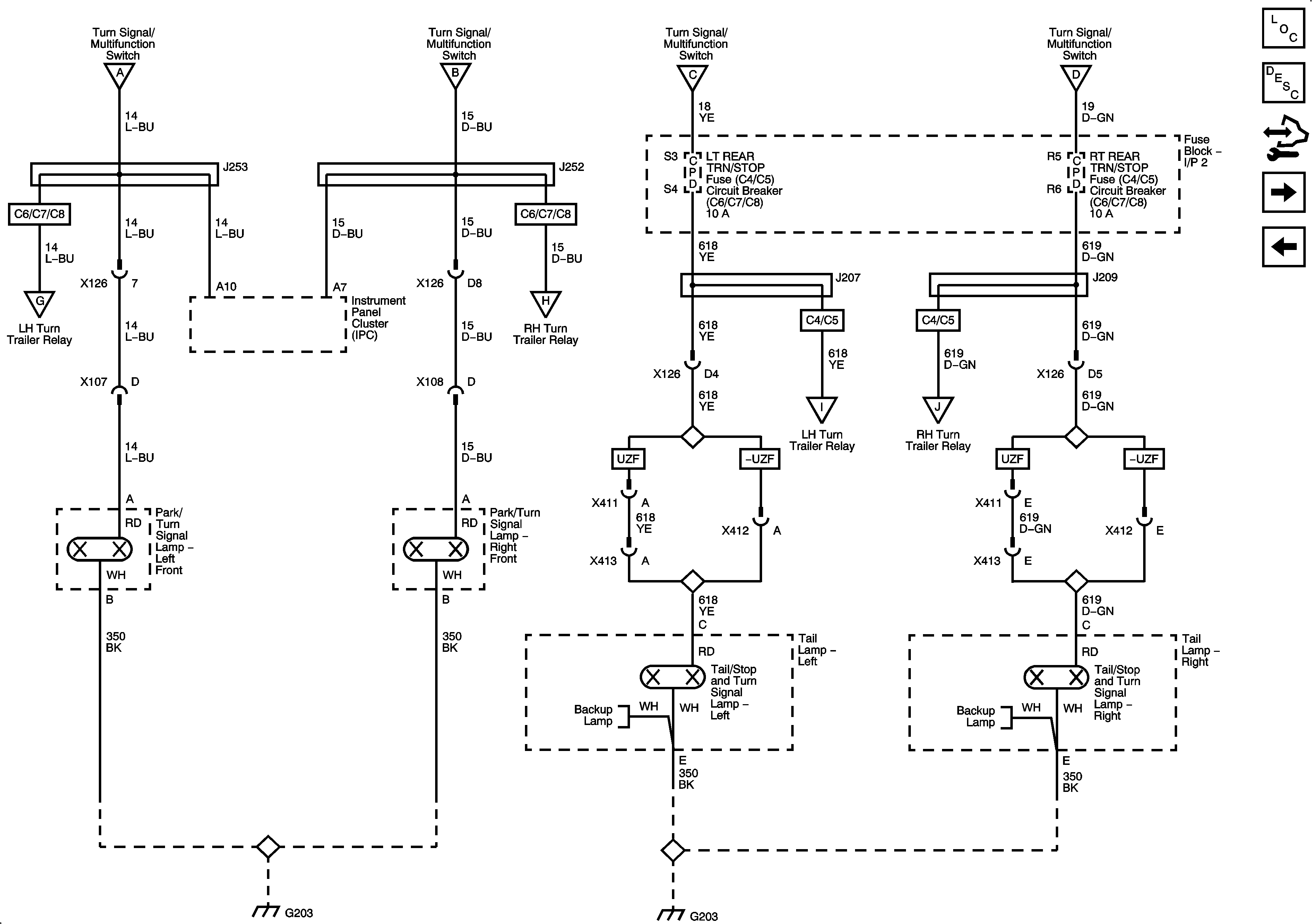
🢒 Park and Marker Lamps
Park and Marker Lamps
Park and Marker Lamps
Master Electrical Component List
Exterior Lighting Systems Description and Operation
Control Module References
Park and Stop Lamps
Hazard, Stop, and Turn Signal Controls
Trailer Tow Connector (C6/C7/C8)
Hazard, Stop, and Turn Signal Controls
G112, G113, G203 - 4 of 4, G204, G205, and G400
Hazard, Stop, and Turn Signal Controls
Trailer Tow Connector (C6/C7/C8)
Backup Lamps and Backup Alarm
Hazard, Stop, and Turn Signal Controls
G200, G202, and G203 - 1 of 4
Trailer Tow Connector (C4/C5)
Trailer Tow Connector (C4/C5)
Backup Lamps and Backup Alarm
Hazard, Stop, and Turn Signal Controls