GM Service Manual Online
For 1990-2009 cars only
Makes
🢒
Chevrolet
🢒
2008
🢒
Kodiak C-Series (Conventional) C4/C5
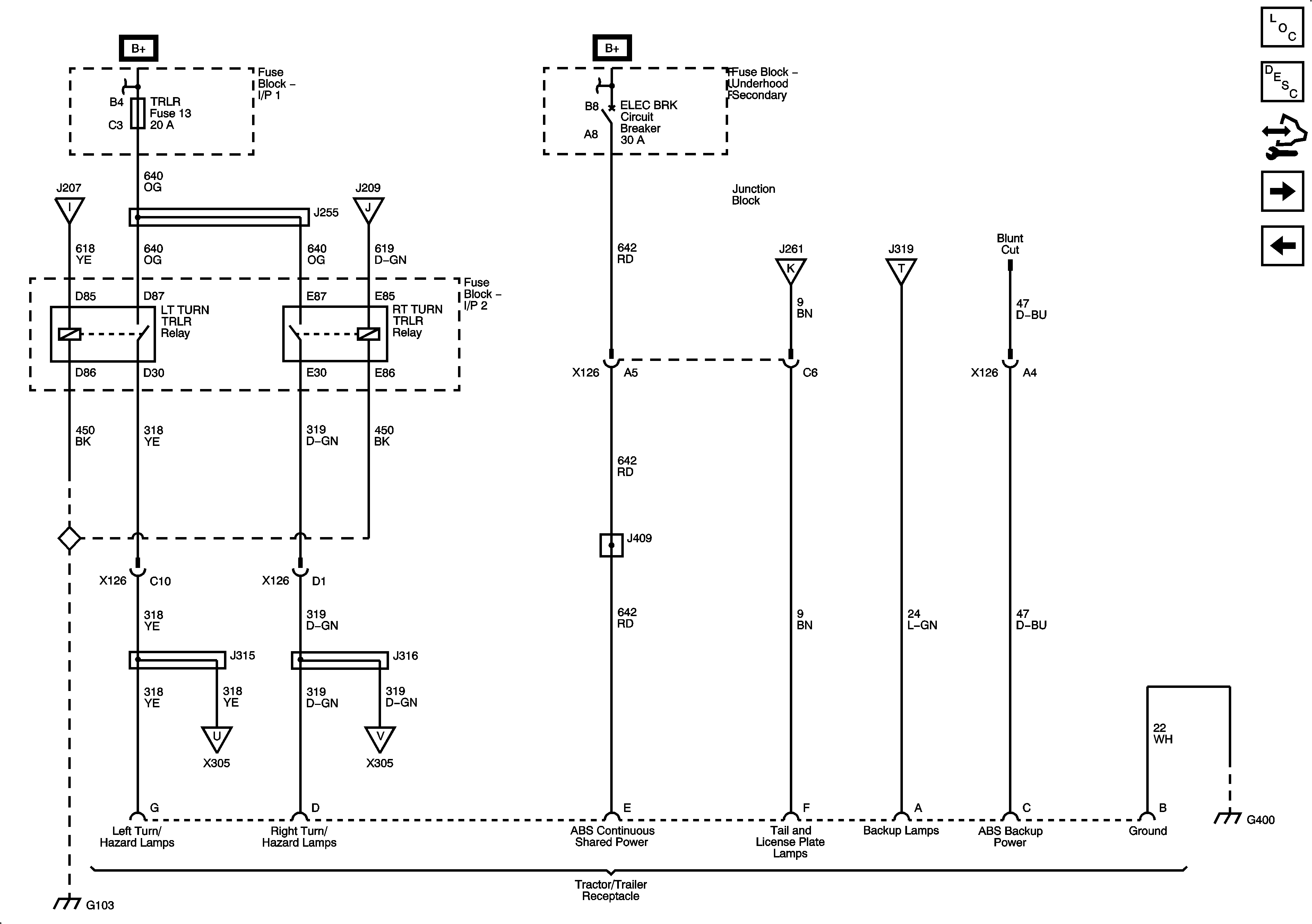
🢒 Trailer Tow Connector (C4/C5)
Trailer Tow Connector (C4/C5)
Trailer Tow Connector (C4/C5)
Master Electrical Component List
Exterior Lighting Systems Description and Operation
Control Module References
Trailer Tow Connector (C6/C7/C8)
Backup Lamps and Backup Alarm
Park and Marker Lamps
G103 - 1 of 2, G105, and G106
BAT/HAZ, HAZRD, PWR/ACCY, STOP, and TRLR Fuses/Circuit Breakers
Park and Marker Lamps
C305 (Upfitter Lighting Connector)
C305 (Upfitter Lighting Connector)
IGN-4, ELEC BRK/BRKLP, HDLP, MKR LTS, PWR WNDW, DRL, and RADIO Fuses/Circuit Breakers
Park and Stop Lamps
Backup Lamps and Backup Alarm
G112, G113, G203 - 4 of 4, G204, G205, and G400