GM Service Manual Online
For 1990-2009 cars only
Makes
🢒
Chevrolet
🢒
2008
🢒
Kodiak C-Series (Conventional) C4/C5
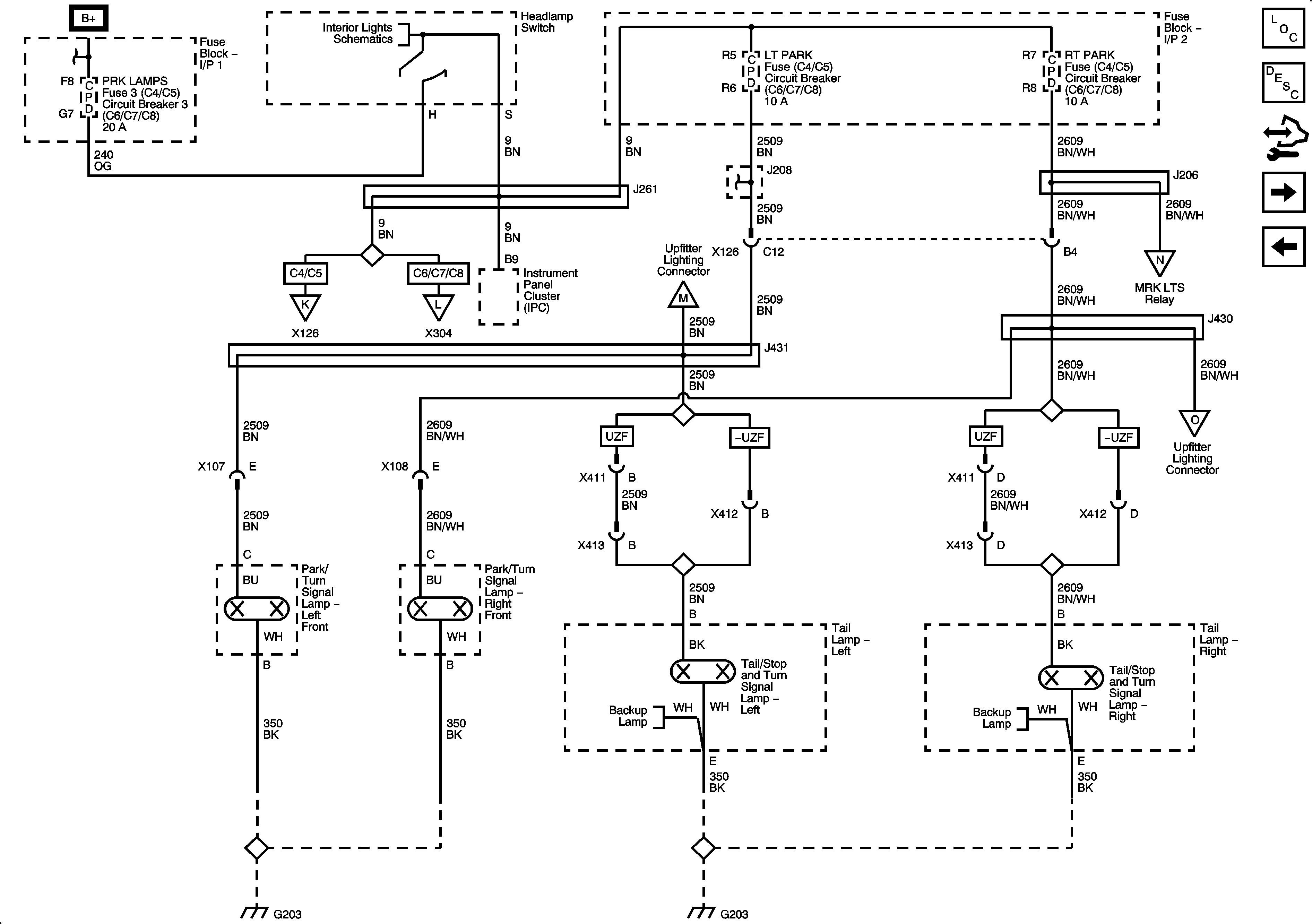
🢒 Park and Stop Lamps
Park and Stop Lamps
Park and Stop Lamps
Master Electrical Component List
Exterior Lighting Systems Description and Operation
Control Module References
Clearance, ID, and Marker Lamps
Park and Marker Lamps
IGN-4, ELEC BRK/BRKLP, HDLP, MKR LTS, PWR WNDW, DRL, and RADIO Fuses/Circuit Breakers
Dome/Reading Lamps
Trailer Tow Connector (C4/C5)
Trailer Tow Connector (C6/C7/C8)
G112, G113, G203 - 4 of 4, G204, G205, and G400
Backup Lamps and Backup Alarm
C305 (Upfitter Lighting Connector)
G200, G202, and G203 - 1 of 4
LIGHTING, CTSY LAMPS, PRK LAMPS, HVAC, ILLUM, LT PARK, and RT PARK Fuses/Circuits Breakers - 1 of 2
Backup Lamps and Backup Alarm
Clearance, ID, and Marker Lamps
C305 (Upfitter Lighting Connector)