GM Service Manual Online
For 1990-2009 cars only
Figure 1:

Data Link Connector Power and Ground - 1 of 2


Object Number: 1493974  Size: FS
Master Electrical Component List
Data Link Communications Description and Operation
Data Link Connector, Power, and Ground - 2 of 2
RADIO/CHIME, CHMSL, and PWR POST Fuses/Circuit Breakers
RADIO/CHIME, CHMSL, and PWR POST Fuses/Circuit Breakers
Data Link Connector, Power, and Ground - 2 of 2
Diagnostic Tool Connector - Power and Ground
Diagnostic Tool Connector - Power and Ground
G103 - 1 of 2, G105, and G106
G103 - 1 of 2, G105, and G106
Data Link Connector, Power, and Ground - 2 of 2
Figure 2:

Data Link Connector Power and Ground - 2 of 2


Object Number: 1493976  Size: FS
Master Electrical Component List
Data Link Communications Description and Operation
Splice Pack SP203 (L18/LB7/LG4)
Data Link Connector, Power, and Ground - 1 of 2
Data Link Connector, Power, and Ground - 1 of 2
Data Link Connector, Power, and Ground - 1 of 2
Figure 3:

Splice Pack SP203


Object Number: 1493979  Size: FS
Master Electrical Component List
Data Link Communications Description and Operation
Diagnostic Tool Connector - Power and Ground
Data Link Connector, Power, and Ground - 2 of 2
Serial Data Gateway
Figure 4:

CAN Connector Power and Ground


Object Number: 1493980  Size: FS
Master Electrical Component List
Data Link Communications Description and Operation
Serial Data Gateway
Splice Pack SP203 (L18/LB7/LG4)
RADIO/CHIME, CHMSL, and PWR POST Fuses/Circuit Breakers
RADIO/CHIME, CHMSL, and PWR POST Fuses/Circuit Breakers
Data Link Connector, Power, and Ground - 1 of 2
Data Link Connector, Power, and Ground - 1 of 2
Module Power, Ground, Serial Data, and Indicator
G101 - 1 of 2
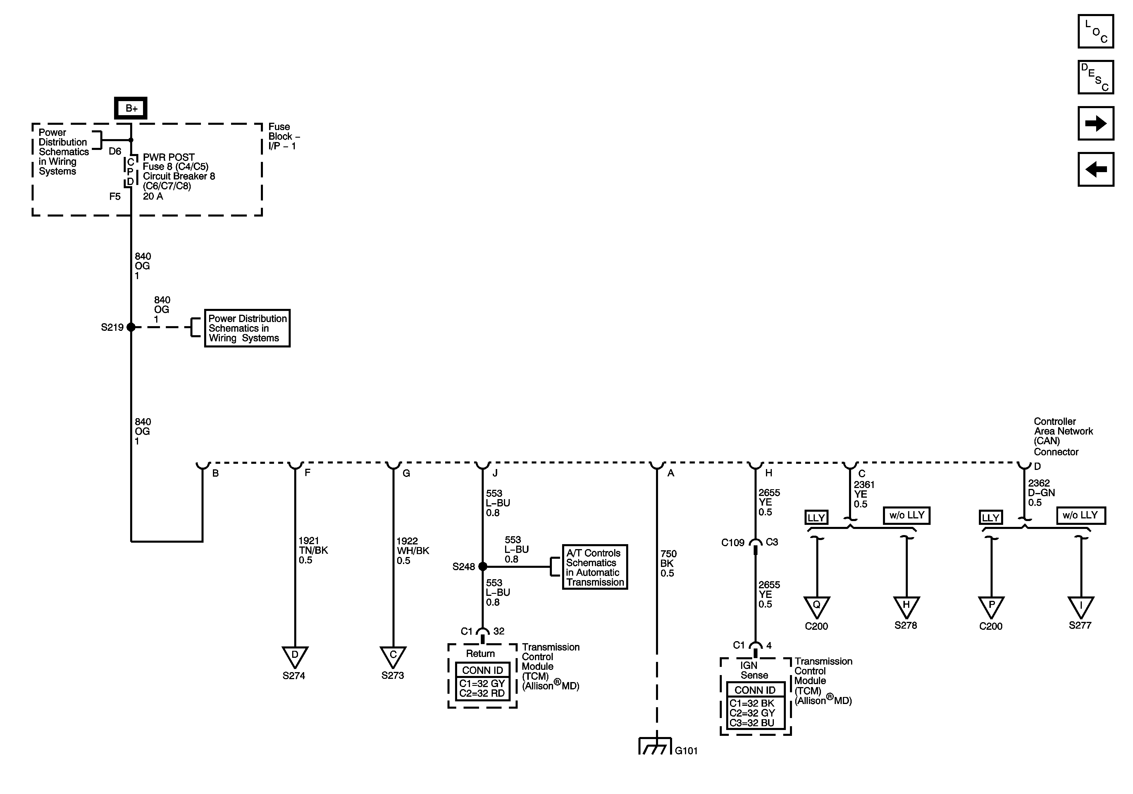
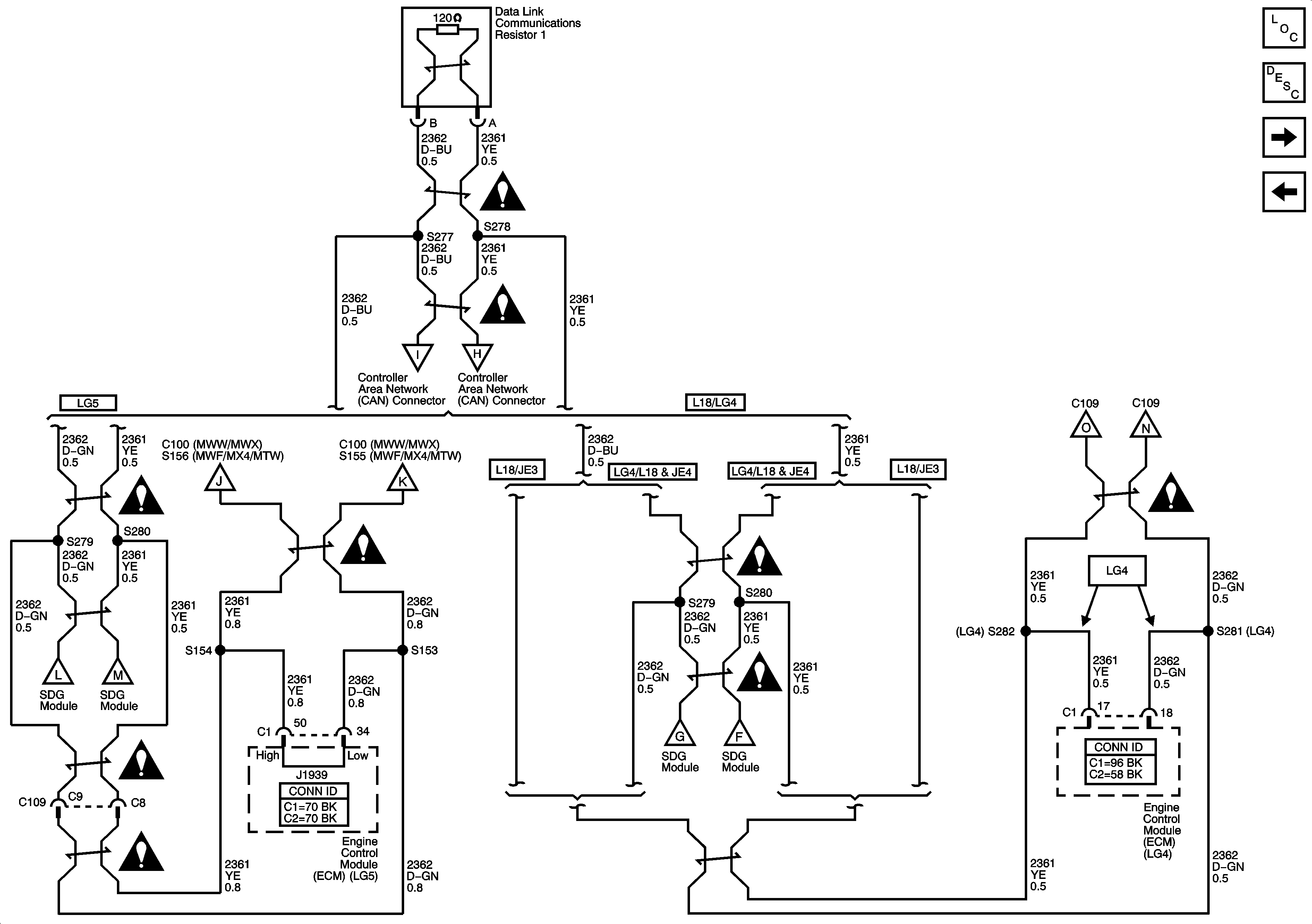
J1939 Serial Data (LB7)
J1939 Serial Data (LG5/L18/LG4/LC8)
J1939 Serial Data (LB7)
J1939 Serial Data (LG5/L18/LG4/LC8)
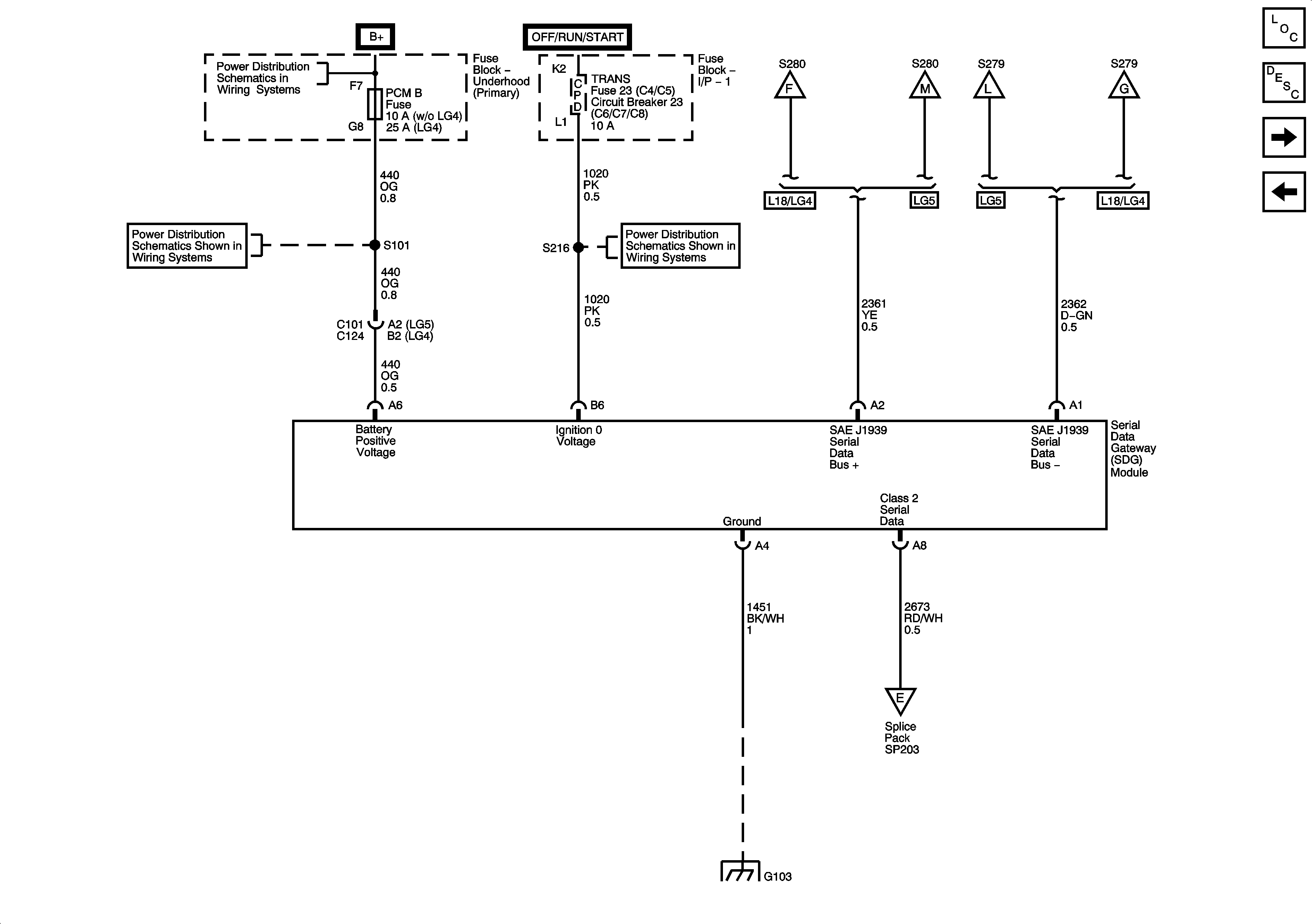
Figure 5:

Serial Data Gateway (SDG)


Object Number: 1493982  Size: FS
Master Electrical Component List
Data Link Communications Description and Operation
J1939 Serial Data (LB7)
Diagnostic Tool Connector - Power and Ground
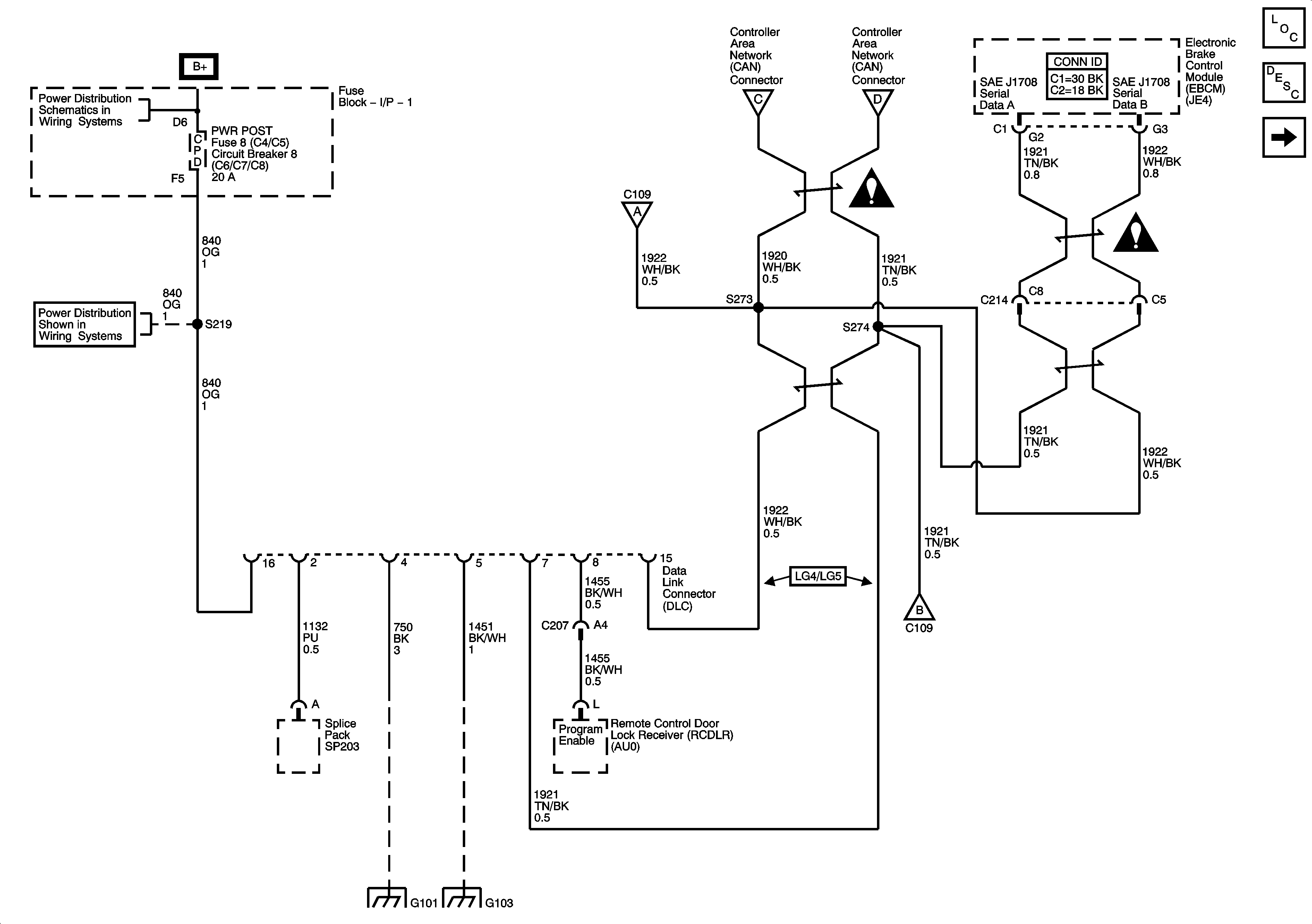
J1939 Serial Data (LG5/L18/LG4/LC8)
Underhood Fuse Block, PCM-B, HTD FUEL, A/C COMP, and RR DEFOG Fuses
Underhood Fuse Block, PCM-B, HTD FUEL, A/C COMP, and RR DEFOG Fuses
I/P Fuse Block, START and TRANS Fuses/Circuit Breakers
G103 - 2 of 2
Splice Pack SP203 (L18/LB7/LG4)
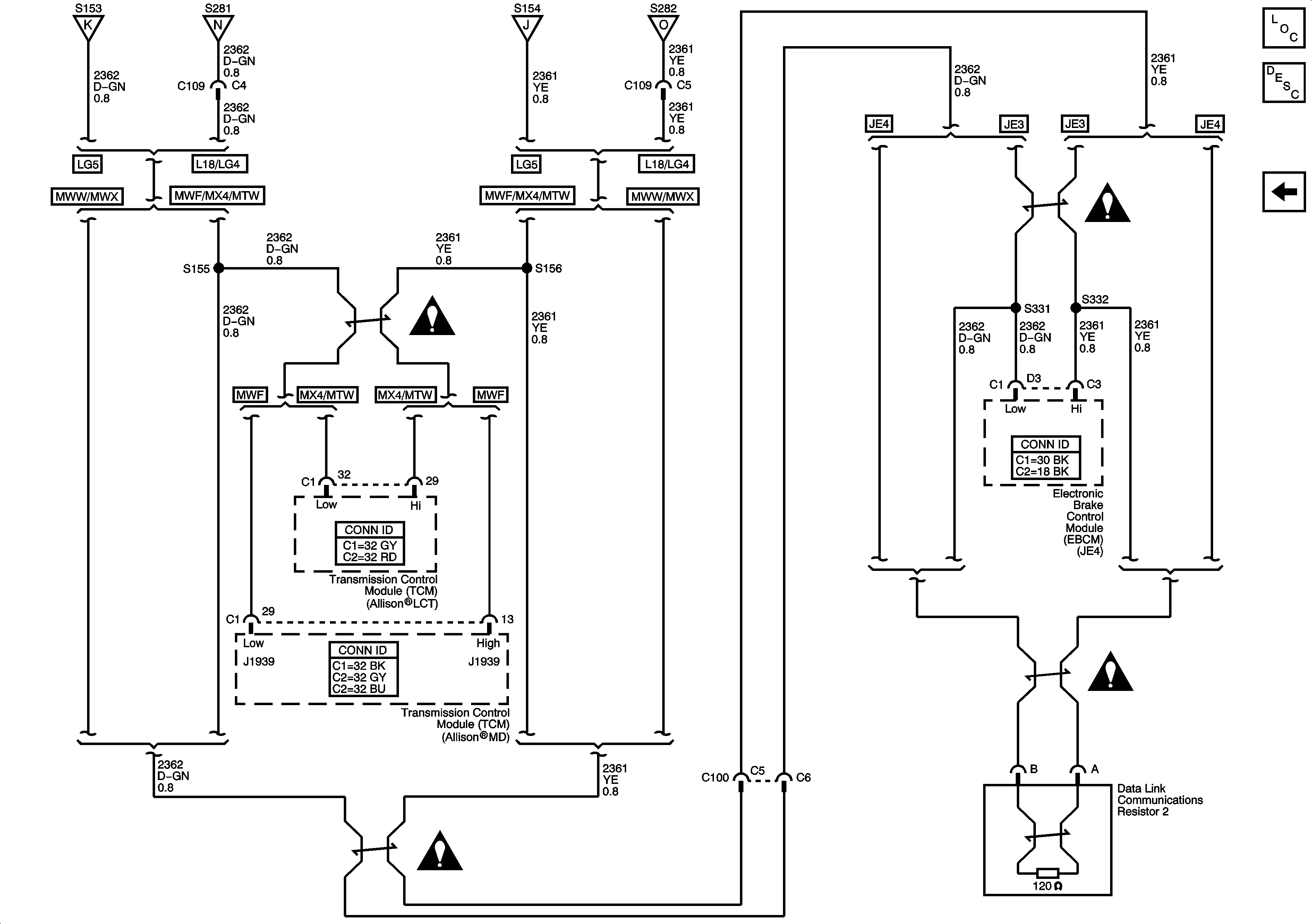
Figure 6:

J1939 Serial Data - LLY


Object Number: 1493983  Size: FS
Master Electrical Component List
Data Link Communications Description and Operation
J1939 Serial Data (LG5/L18/LG4/LC8)
Serial Data Gateway
Diagnostic Tool Connector - Power and Ground
Diagnostic Tool Connector - Power and Ground
Figure 7:

J1939 Serial Data - 1 of 2 - L18/LG4


Object Number: 1493984  Size: FS
Master Electrical Component List
Data Link Communications Description and Operation
J1939 Serial Data (LG5/L18/LG4/LC8)
J1939 Serial Data (LB7)
Diagnostic Tool Connector - Power and Ground
Diagnostic Tool Connector - Power and Ground
Diagnostic Tool Connector - Power and Ground
Diagnostic Tool Connector - Power and Ground
J1939 Serial Data (LG5/L18/LG4/LC8)
J1939 Serial Data (LG5/L18/LG4/LC8)
Serial Data Gateway
Serial Data Gateway
Serial Data Gateway
Serial Data Gateway
Figure 8:

J1939 Serial Data - 2 of 2 - L18/LG4


Object Number: 1493986  Size: FS
Master Electrical Component List
Data Link Communications Description and Operation
J1939 Serial Data (LG5/L18/LG4/LC8)
J1939 Serial Data (LG5/L18/LG4/LC8)
J1939 Serial Data (LG5/L18/LG4/LC8)
J1939 Serial Data (LG5/L18/LG4/LC8)
J1939 Serial Data (LG5/L18/LG4/LC8)