GM Service Manual Online
For 1990-2009 cars only
Makes
🢒
Chevrolet
🢒
2005
🢒
Kodiak C-Series (Conventional) C6/C7/C8
🢒
Body
🢒
Doors
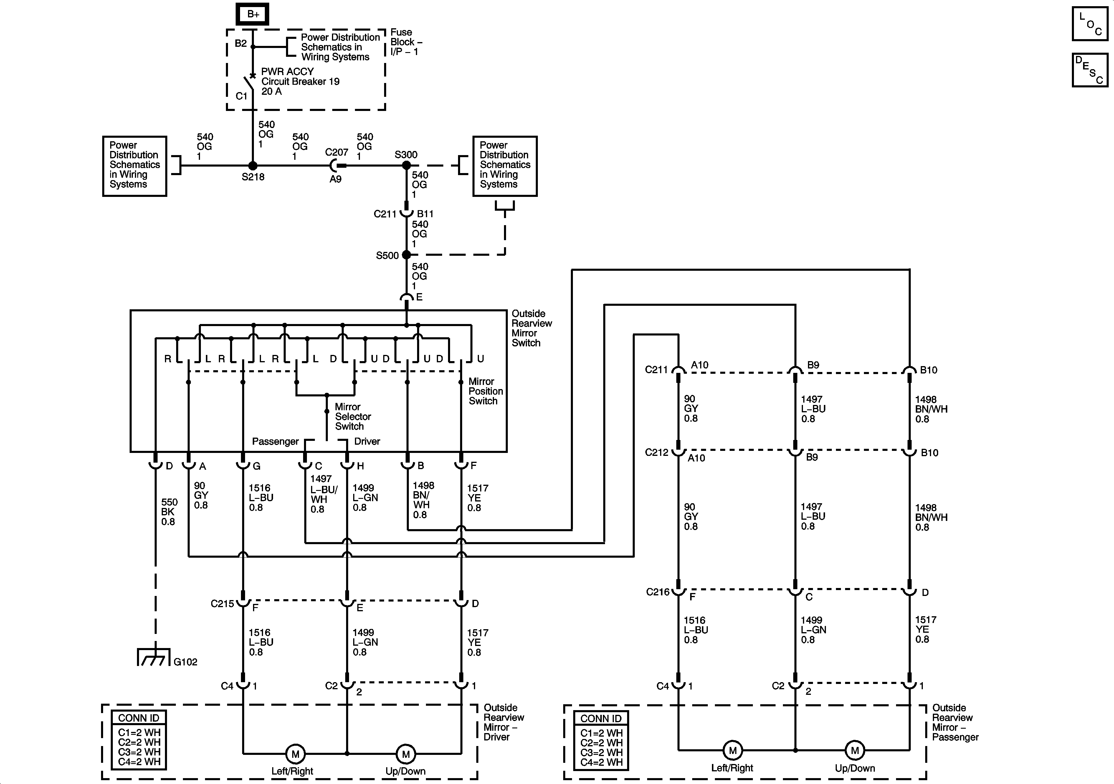
🢒 Outside Rearview Mirror Schematics
Outside Rearview Mirror Schematics DB6
Master Electrical Component List
Outside Mirror Description and Operation (Power Mirrors)
Underhood Fuse Block, I/P Fuse Block, BATT/HAZ Fuse, PWR ACCY, HAZARD, TRLR TRN/HAZ, and STOP Fuses/Circuit Breakers
Underhood Fuse Block, I/P Fuse Block, BATT/HAZ Fuse, PWR ACCY, HAZARD, TRLR TRN/HAZ, and STOP Fuses/Circuit Breakers
Underhood Fuse Block, I/P Fuse Block, BATT/HAZ Fuse, PWR ACCY, HAZARD, TRLR TRN/HAZ, and STOP Fuses/Circuit Breakers
G102 - 1 of 2
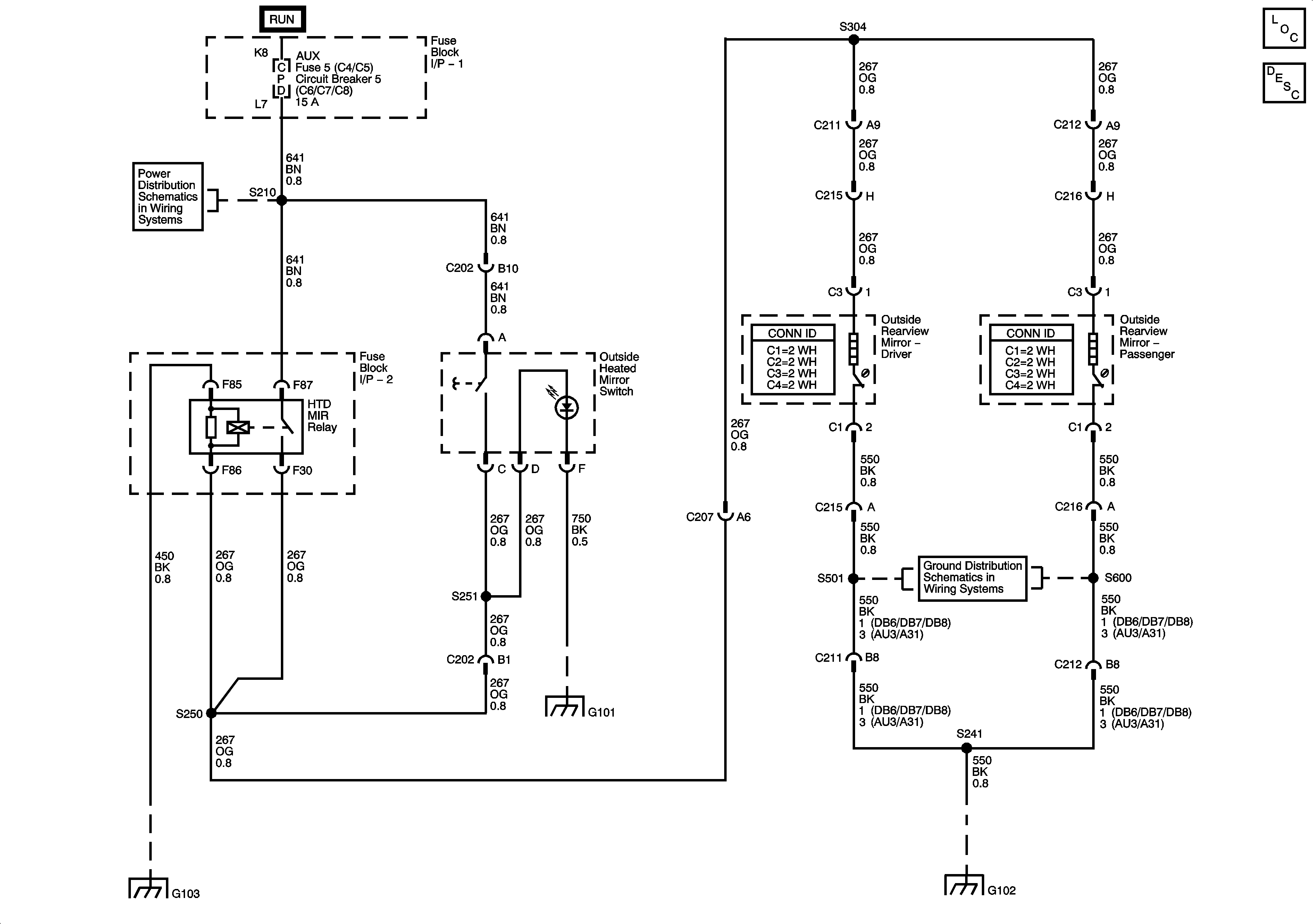
Outside Rearview Mirror Schematics DB8
Master Electrical Component List
Outside Mirror Description and Operation (Heated Mirrors)
I/P Fuse Block, IGN 4, and AUX RLY Fuses/Circuit Breakers
G101 - 2 of 2
G103 - 1 of 2, G105, and G106
G102 - 1 of 2
G102 - 1 of 2