GM Service Manual Online
For 1990-2009 cars only
Makes
🢒
Chevrolet
🢒
2005
🢒
Kodiak C-Series (Conventional) C6/C7/C8
🢒
Body
🢒
Lighting Systems
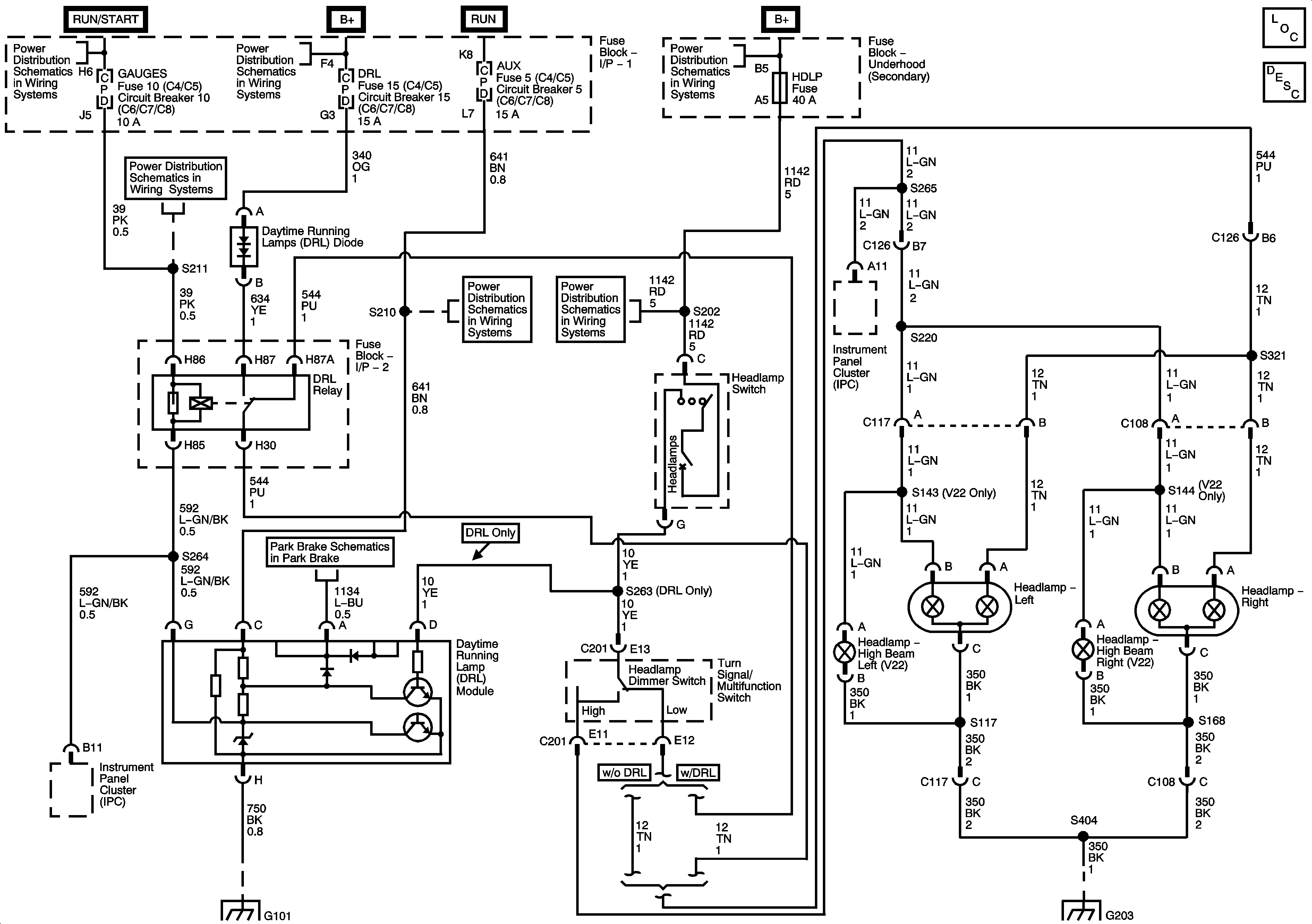
🢒 Headlights/Daytime Running Lights (DRL) Schematics
Master Electrical Component List
Ignition Switch, OFF/RUN/START, RUN/START, and START Bus Bars
IGN 4 and HDLP Fuses, ELECTRIC BRAKE (C4/C5), BRAKE LAMP (C6/C7/C8), AND PWR WINDOW Circuit Breakers, RADIO, DRL, and MARKER Fuses/Circuit Breakers
IGN 4 and HDLP Fuses, ELECTRIC BRAKE (C4/C5), BRAKE LAMP (C6/C7/C8), AND PWR WINDOW Circuit Breakers, RADIO, DRL, and MARKER Fuses/Circuit Breakers
I/P Fuse Block, R-RR TRUCK, L-RR TRUCK, GAGES, and SIR Fuses/Circuit Breaker
I/P Fuse Block, IGN 4, and AUX RLY Fuses/Circuit Breakers
IGN 4 and HDLP Fuses, ELECTRIC BRAKE (C4/C5), BRAKE LAMP (C6/C7/C8), AND PWR WINDOW Circuit Breakers, RADIO, DRL, and MARKER Fuses/Circuit Breakers
Brake Warning System Schematics - Hydraulic
G101 - 1 of 2
G112, G113, G203 - 4 of 4, G204, G205 and G400