GM Service Manual Online
For 1990-2009 cars only
Figure 1:

Data Link Connector Power and Ground


Object Number: 1842212  Size: FS
Master Electrical Component List
Data Link Communications Description and Operation
Control Module References
Splice Pack SP203
RDO/CHIME, CHMSL, and PWR POST Fuses/Circuit Breakers
RDO/CHIME, CHMSL, and PWR POST Fuses/Circuit Breakers
CAN Connector Power and Ground - L18 w/JE4, LG4, LG5
CAN Connector Power and Ground - L18 w/JE4, LG4, LG5
G101 - 1 of 2
G103 - 1 of 2, G105, and G106
Data Communication Schematic Icons
Data Communication Schematic Icons
Data Communication Schematic Icons
Figure 2:

Splice Pack SP203


Object Number: 1842222  Size: FS
Master Electrical Component List
Data Link Communications Description and Operation
Control Module References
High Speed GMLAN - LLY/L18
Data Link Connector Power and Ground
Serial Data Gateway (SDG) - L18 w/JE4, LG4, LG5
Data Communication Schematic Icons
Figure 3:

High Speed GMLAN


Object Number: 1842242  Size: FS
Master Electrical Component List
Data Link Communications Description and Operation
Control Module References
CAN Connector Power and Ground - L18 w/JE4, LG4, LG5
Splice Pack SP203
Data Communication Schematic Icons
Data Communication Schematic Icons
Data Communication Schematic Icons
Data Communication Schematic Icons
Data Communication Schematic Icons
Data Communication Schematic Icons
Data Communication Schematic Icons
Figure 4:

CAN Connector Power and Ground - L18 w/JE4, LG4, LG5


Object Number: 1842226  Size: FS
Master Electrical Component List
Data Link Communications Description and Operation
Control Module References
Serial Data Gateway (SDG) - L18 w/JE4, LG4, LG5
High Speed GMLAN - LLY/L18
RDO/CHIME, CHMSL, and PWR POST Fuses/Circuit Breakers
RDO/CHIME, CHMSL, and PWR POST Fuses/Circuit Breakers
TRANS Fuse/Circuit Breaker
Data Link Connector Power and Ground
Data Link Connector Power and Ground
G203 - 3 of 4
G101 - 1 of 2
J1939 Serial Data, 1 of 2 - L18 w/JE4, LG4, LG5
J1939 Serial Data, 1 of 2 - L18 w/JE4, LG4, LG5
Figure 5:

Serial Data Gateway (SDG) - L18 w/JE4, LG4, LG5


Object Number: 1842232  Size: FS
Master Electrical Component List
Data Link Communications Description and Operation
Control Module References
J1939 Serial Data, 1 of 2 - L18 w/JE4, LG4, LG5
CAN Connector Power and Ground - L18 w/JE4, LG4, LG5
A/C COMP, HTD FUEL, PCM-B and RR DEFOG Fuses
A/C COMP, HTD FUEL, PCM-B and RR DEFOG Fuses
TRANS Fuse/Circuit Breaker
J1939 Serial Data, 1 of 2 - L18 w/JE4, LG4, LG5
J1939 Serial Data, 1 of 2 - L18 w/JE4, LG4, LG5
G103 - 1 of 2, G105, and G106
Splice Pack SP203
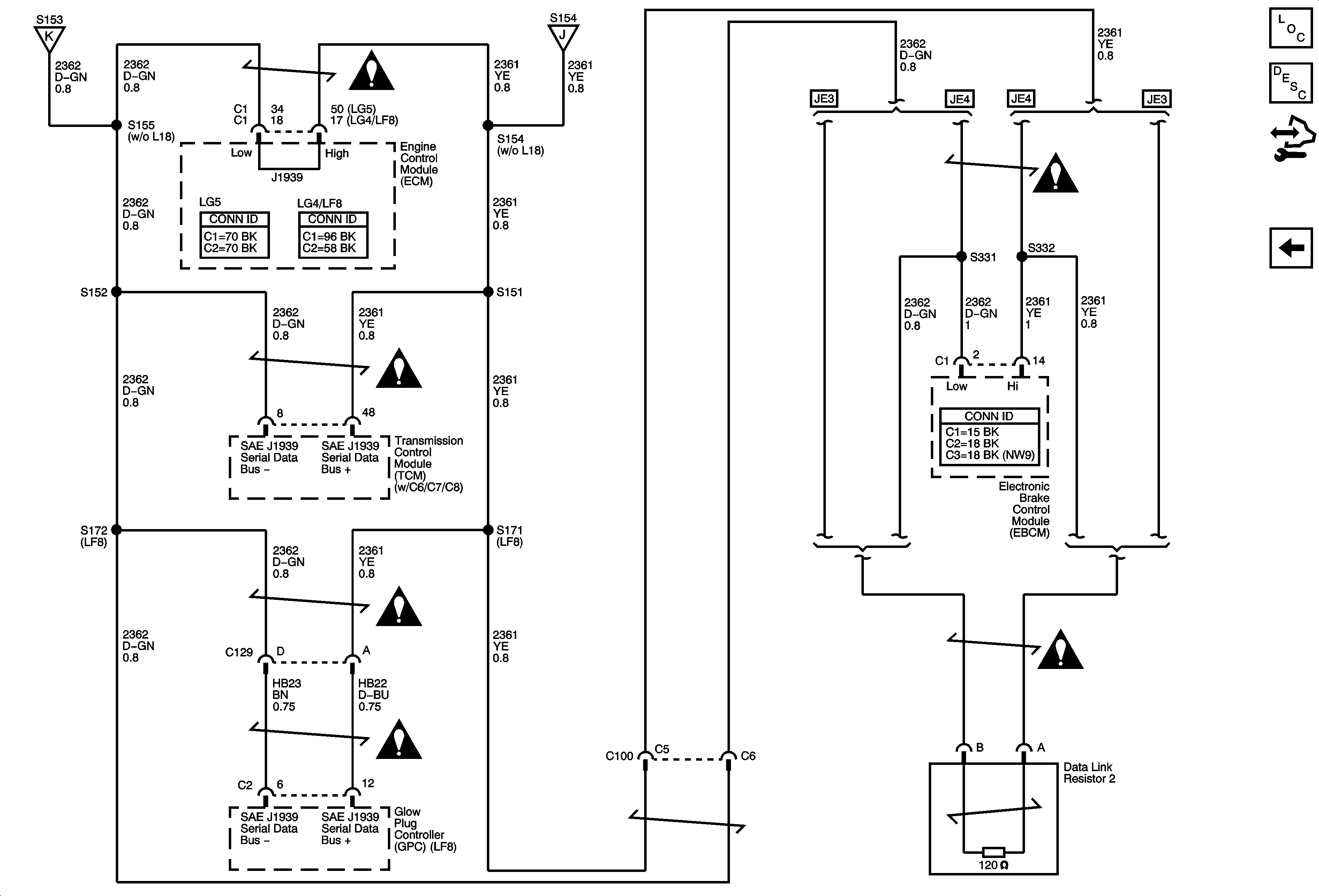
Figure 6:

J1939 Serial Data, 1 of 2 - L18 w/JE4, LF8, LG4, LG5


Object Number: 1842249  Size: FS
Master Electrical Component List
Data Link Communications Description and Operation
Control Module References
J1939 Serial Data, 2 of 2 - L18 w/JE4, LG4, LG5
Serial Data Gateway (SDG) - L18 w/JE4, LG4, LG5
CAN Connector Power and Ground - L18 w/JE4, LG4, LG5
Serial Data Gateway (SDG) - L18 w/JE4, LG4, LG5
J1939 Serial Data, 2 of 2 - L18 w/JE4, LG4, LG5
J1939 Serial Data, 2 of 2 - L18 w/JE4, LG4, LG5
Data Communication Schematic Icons
Data Communication Schematic Icons
Data Communication Schematic Icons
Data Communication Schematic Icons
Data Communication Schematic Icons
Data Communication Schematic Icons
Data Communication Schematic Icons
Data Communication Schematic Icons
Data Communication Schematic Icons
Data Communication Schematic Icons
Figure 7:

J1939 Serial Data, 2 of 2 - L18 w/JE4, LF8, LG4, LG5


Object Number: 1842254  Size: FS
Master Electrical Component List
Data Link Communications Description and Operation
Control Module References
J1939 Serial Data, 1 of 2 - L18 w/JE4, LG4, LG5
J1939 Serial Data, 1 of 2 - L18 w/JE4, LG4, LG5
J1939 Serial Data, 1 of 2 - L18 w/JE4, LG4, LG5
Data Communication Schematic Icons
Data Communication Schematic Icons
Data Communication Schematic Icons
Data Communication Schematic Icons
Data Communication Schematic Icons
Data Communication Schematic Icons