GM Service Manual Online
For 1990-2009 cars only
Makes
🢒
Chevrolet
🢒
2007
🢒
Kodiak C-Series (Conventional) C6/C7/C8
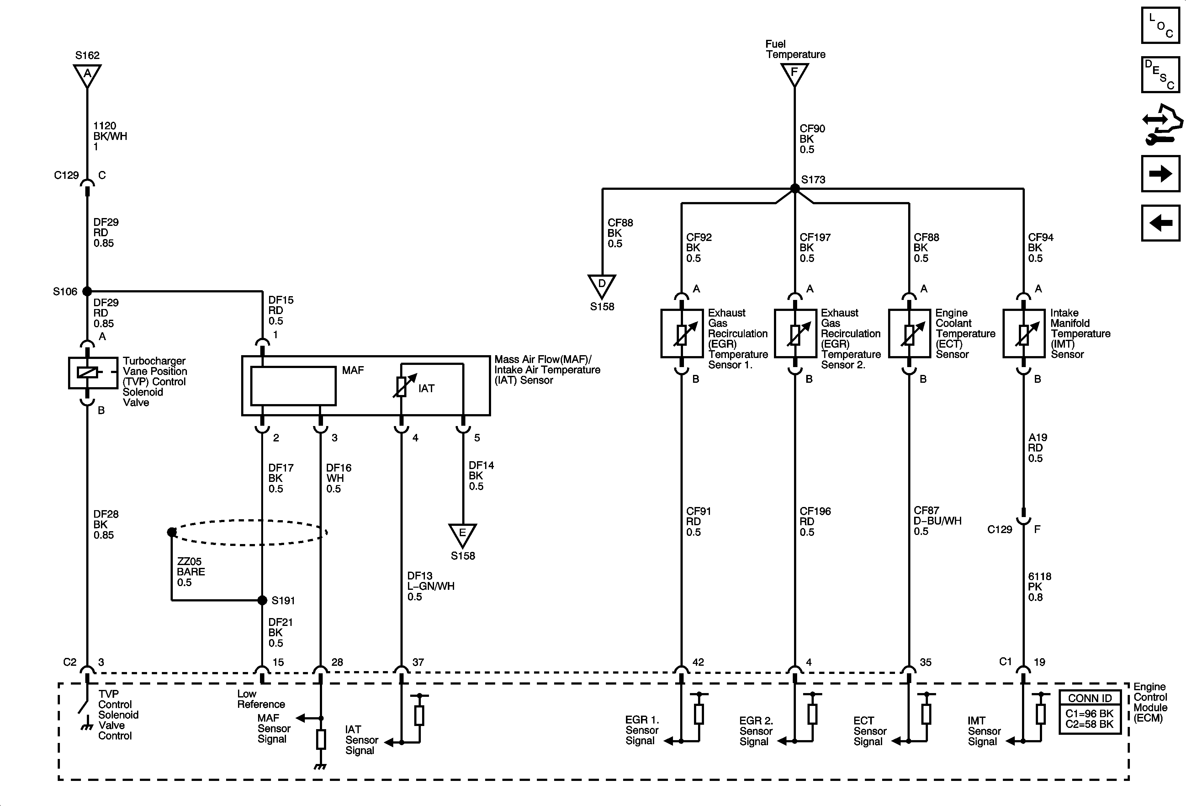
🢒 Engine Data Sensors - Mass Air Flow, Temperature, and Turbocharger Vane Position Control
Engine Data Sensors - Mass Air Flow, Temperature, and Turbocharger Vane Position Control
Engine Data Sensors - Mass Air Flow, Temperature, and Turbocharger Vane Position Control
Master Electrical Component List
Engine Control Component Description
Control Module References
Engine Data Sensors - APP Sensor and High Idle Switch - UF3
Engine Data Sensors - Manifold, and Engine Oil Pressure, Turbocharger Vane Position, and Intake Throttle
Module Power
Engine Data Sensors - EGR Valve and Glow Plug Controls
Engine Data Sensors - EGR Valve and Glow Plug Controls
Fuel Controls - Fuel Sensors, Suction Control Valve (SCV), Exhaust Temperature, DPF Pressure Sensors, and Exhaust Brake Solenoid