GM Service Manual Online
For 1990-2009 cars only
Makes
🢒
Chevrolet
🢒
2007
🢒
Kodiak C-Series (Conventional) C6/C7/C8
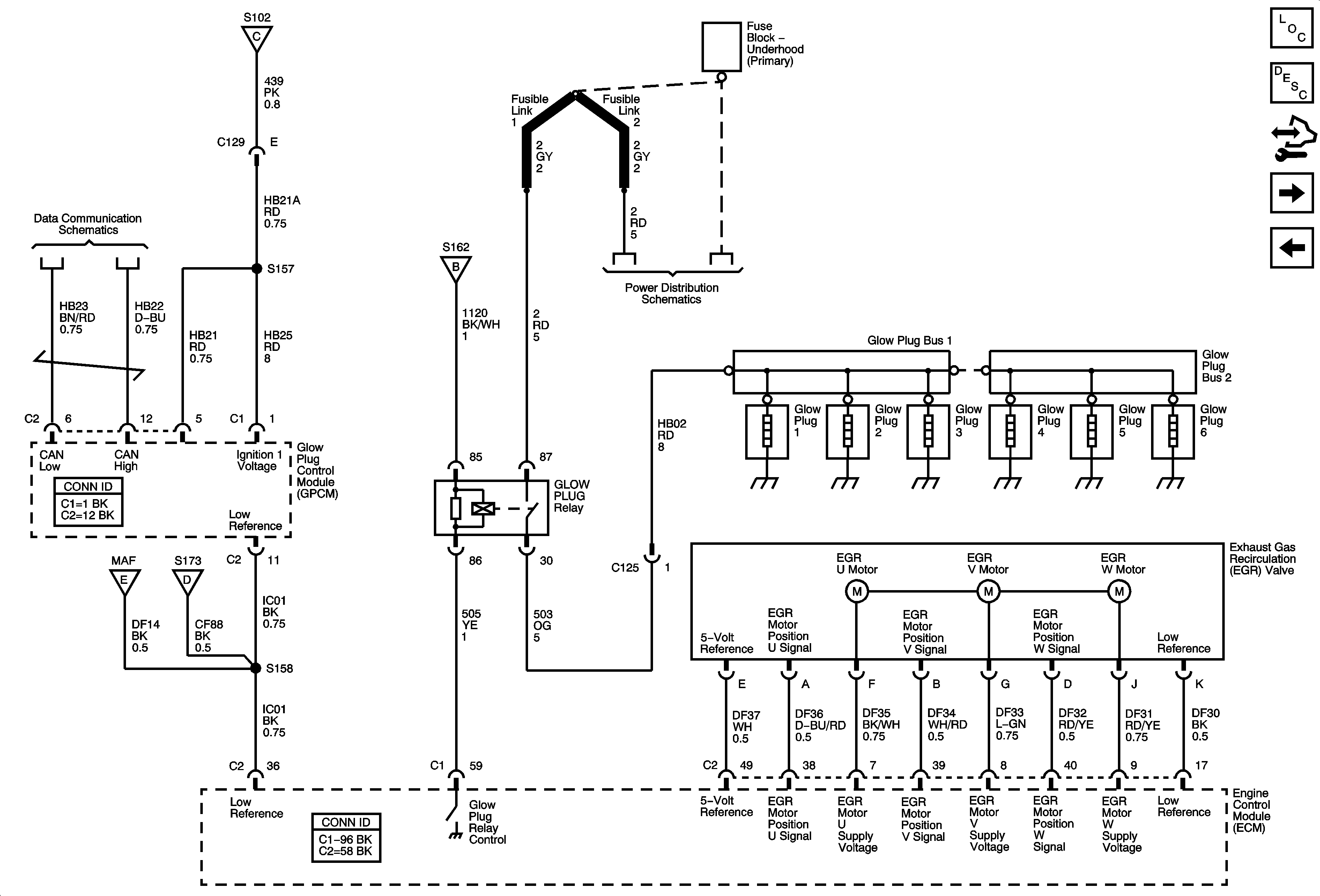
🢒 Engine Data Sensors - EGR Valve and Glow Plug Controls
Engine Data Sensors - EGR Valve and Glow Plug Controls
Engine Data Sensors - EGR Valve and Glow Plug Controls
Master Electrical Component List
Glow Plug System Description
Control Module References
Fuel Controls - Fuel Sensors, Suction Control Valve (SCV), Exhaust Temperature, DPF Pressure Sensors, and Exhaust Brake Solenoid
Engine Data Sensors - VSS and Injector Timing Controls
High Speed GMLAN - LLY/L18
Module Power
Engine Data Sensors - Mass Air Flow, Temperature, and Turbocharger Vane Position Control
Module Power
Batteries - LG4/LG5 and B+ Bus