GM Service Manual Online
For 1990-2009 cars only
Makes
🢒
Chevrolet
🢒
2007
🢒
Kodiak C-Series (Conventional) C6/C7/C8
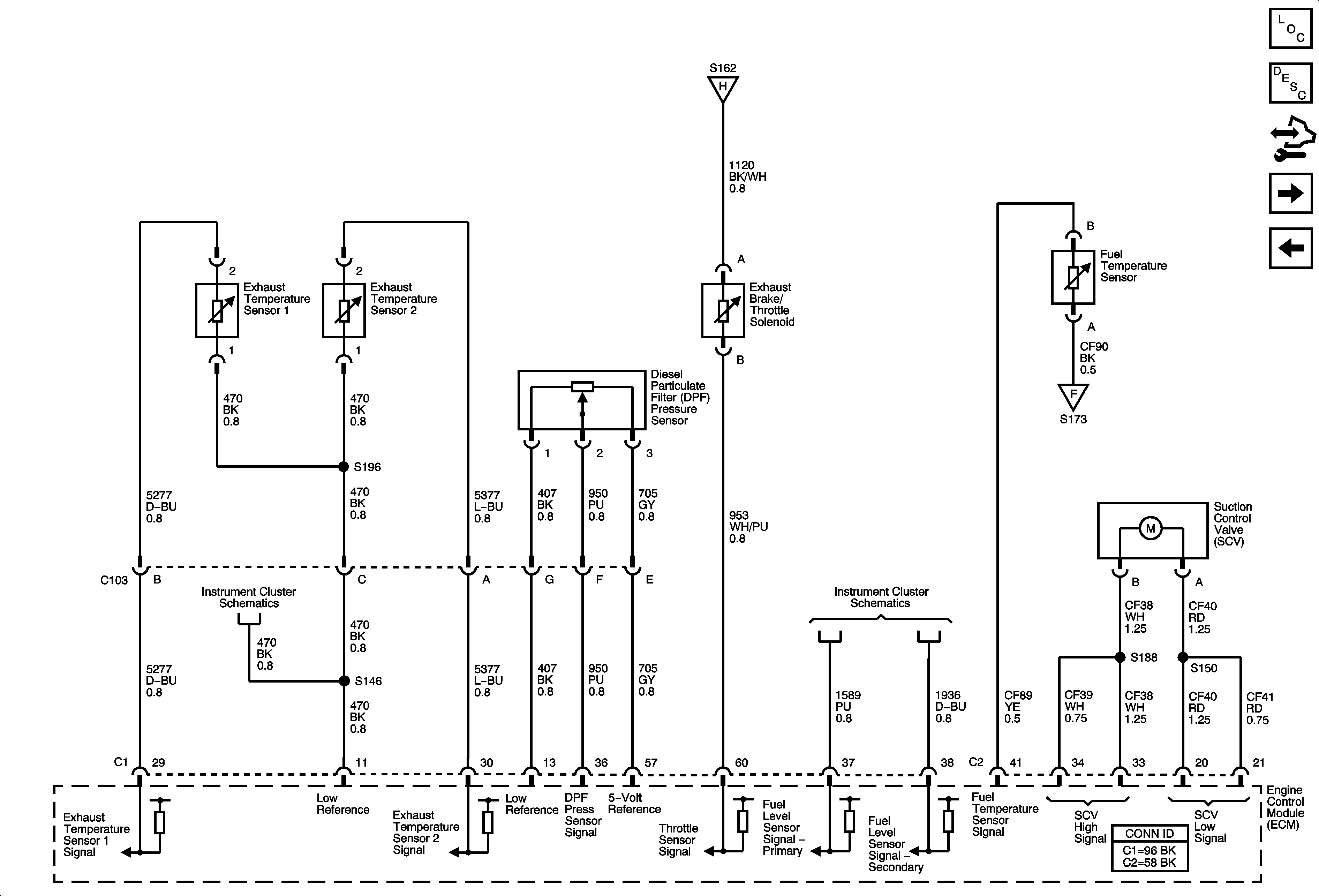
🢒 Fuel Controls - Fuel Sensors, Suction Control Valve (SCV), Exhaust Temperature, DPF Pressure Sensors, and Exhaust Brake Solenoid
Fuel Controls - Fuel Sensors, Suction Control Valve (SCV), Exhaust Temperature, DPF Pressure Sensors, and Exhaust Brake Solenoid
Fuel Controls - Fuel Sensors, Suction Control Valve (SCV), Exhaust Temperature, DPF Pressure Sensor, and Exhaust Brake Solenoid
Master Electrical Component List
Fuel System Description
Control Module References
Fuel Controls - Fuel Injectors, Fuel Rail Pressure (FRP)
Engine Data Sensors - EGR Valve and Glow Plug Controls
Fuel Gage
Module Power
Fuel Gage
Engine Data Sensors - Mass Air Flow, Temperature, and Turbocharger Vane Position Control