GM Service Manual Online
For 1990-2009 cars only
Makes
🢒
Chevrolet
🢒
2000
🢒
Malibu
🢒
HVAC
🢒
HVAC Systems - Manual
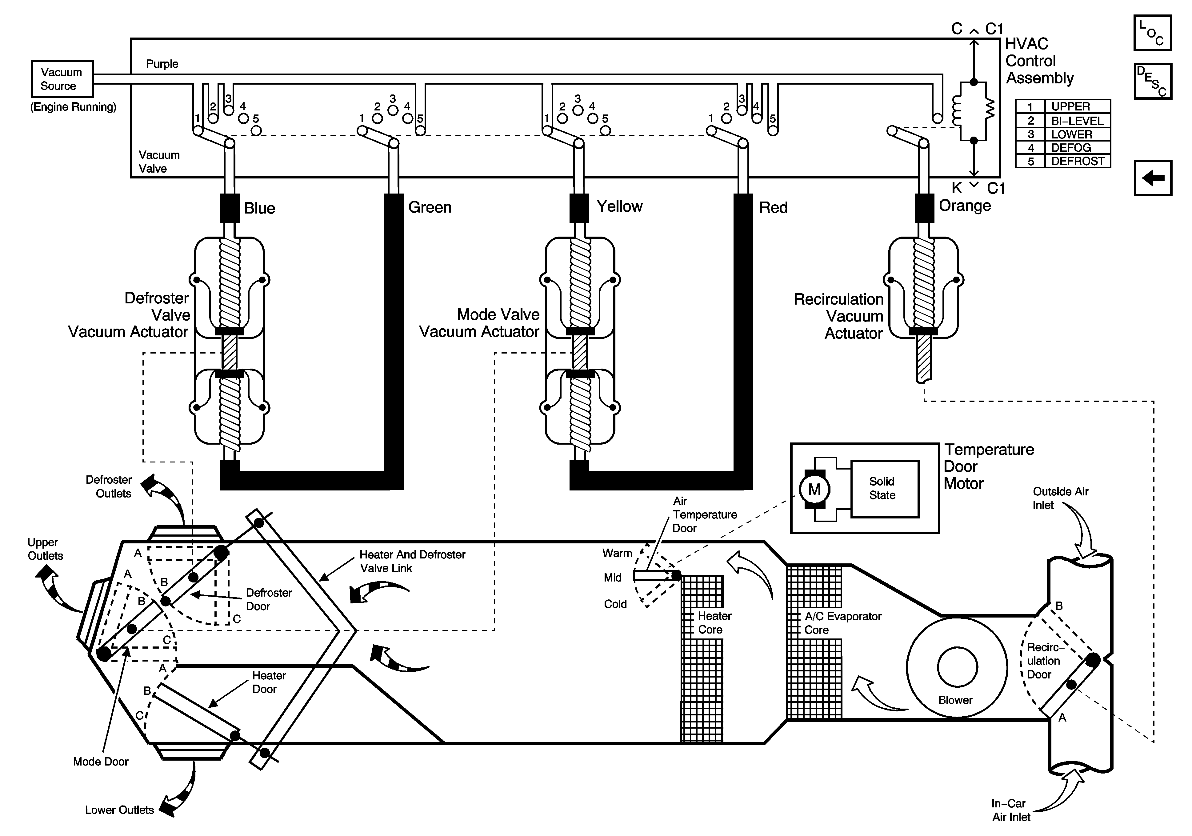
🢒 HVAC Air Delivery/Temperature Control Schematics
Figure
1:
Air Temperature Control
HVAC Components
HVAC Air Delivery/Temperature Control Circuit Description
Ground Distribution Schematics
Ground Distribution Schematics
Handling ESD Sensitive Parts Notice
HVAC Vacuum Schematics
Figure
2:
Air Delivery and Vacuum Schematics
Air Temperature Control
Master Electrical Component List