GM Service Manual Online
For 1990-2009 cars only
Makes
🢒
Chevrolet
🢒
2000
🢒
Malibu
🢒
Body and Accessories
🢒
Lighting Systems
🢒 Headlights/Daytime Running Lights (DRL) Schematics
Figure
1:
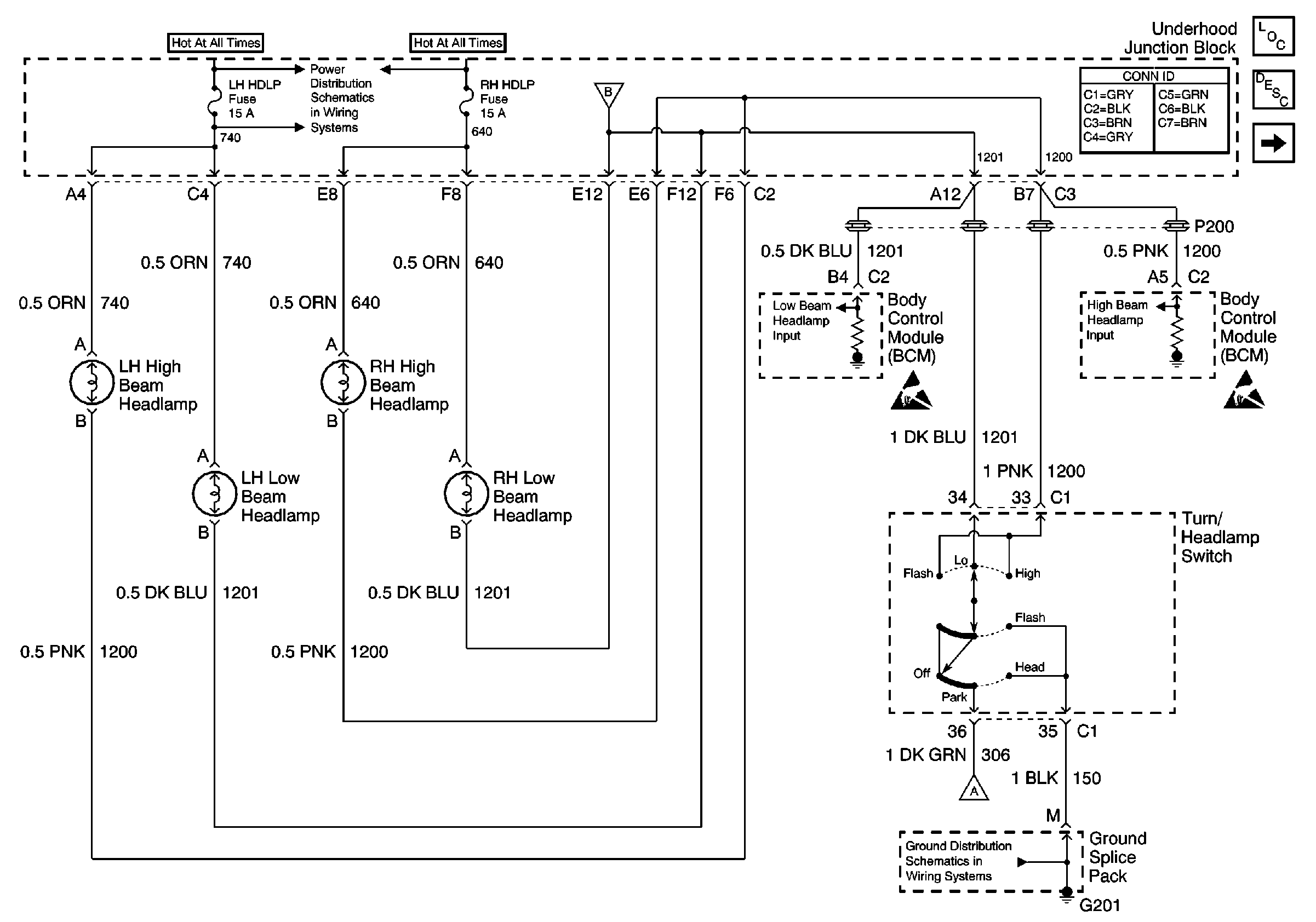
Headlamps and Headlamp Switch
Lighting Systems Components
Headlights Circuit Description
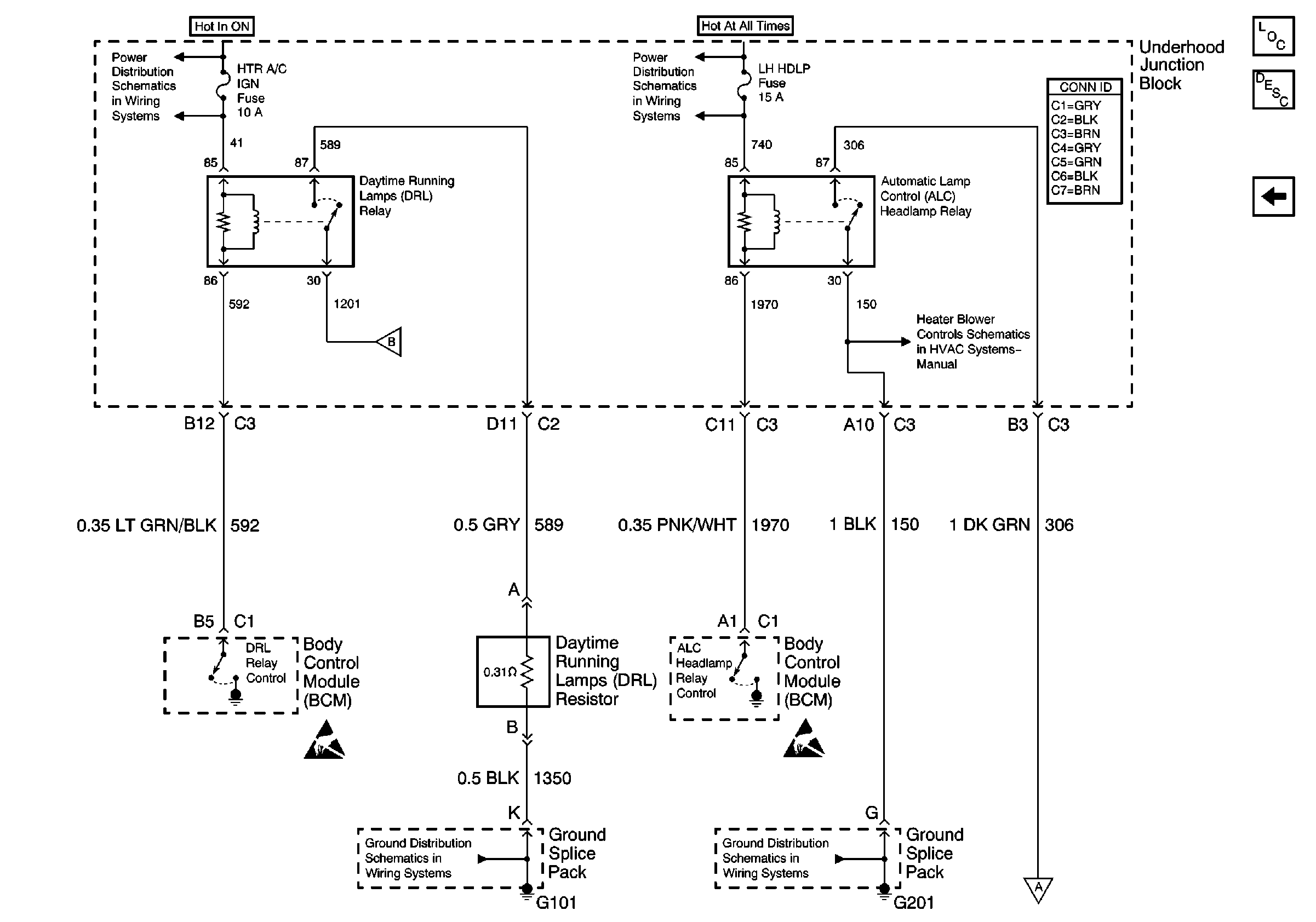
DRL Relay, ALC Headlamp Relay, DRL Resistor and Body Control Module
Power Distribution Schematics
DRL Relay, ALC Headlamp Relay, DRL Resistor and Body Control Module
Ground Distribution Schematics
DRL Relay, ALC Headlamp Relay, DRL Resistor and Body Control Module
Figure
2:
DRL Relay, ALC Headlamp Relay, DRL Resistor and Body Control Module
Lighting Systems Components
Headlights/Daytime Running Lights (DRL) Circuit Description
Headlamps and Headlamp Switch
Power Distribution Schematics
Power Distribution Schematics
HVAC Blower Control Schematics
Ground Distribution Schematics
Ground Distribution Schematics
Headlamps and Headlamp Switch
Headlamps and Headlamp Switch