GM Service Manual Online
For 1990-2009 cars only
Makes
🢒
Chevrolet
🢒
2000
🢒
Malibu
🢒
Body and Accessories
🢒
Lighting Systems
🢒 Interior Lights Schematics
Figure
1:
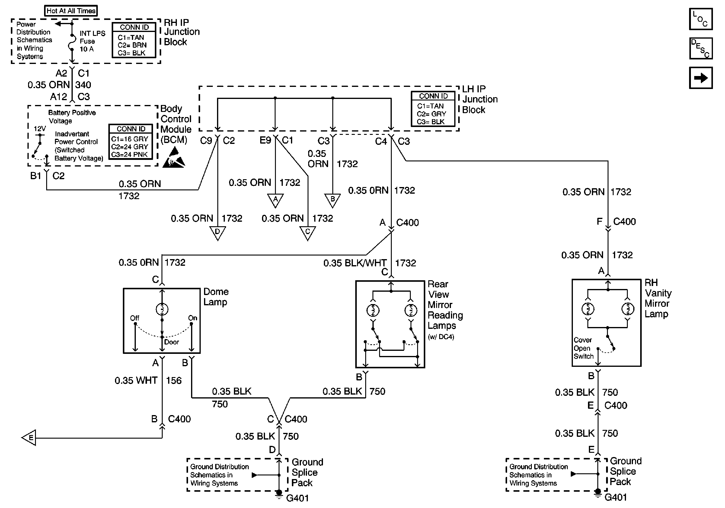
Dome, Reading and Vanity Mirror Lamps
Lighting Systems Components
Interior Lights Circuit Description
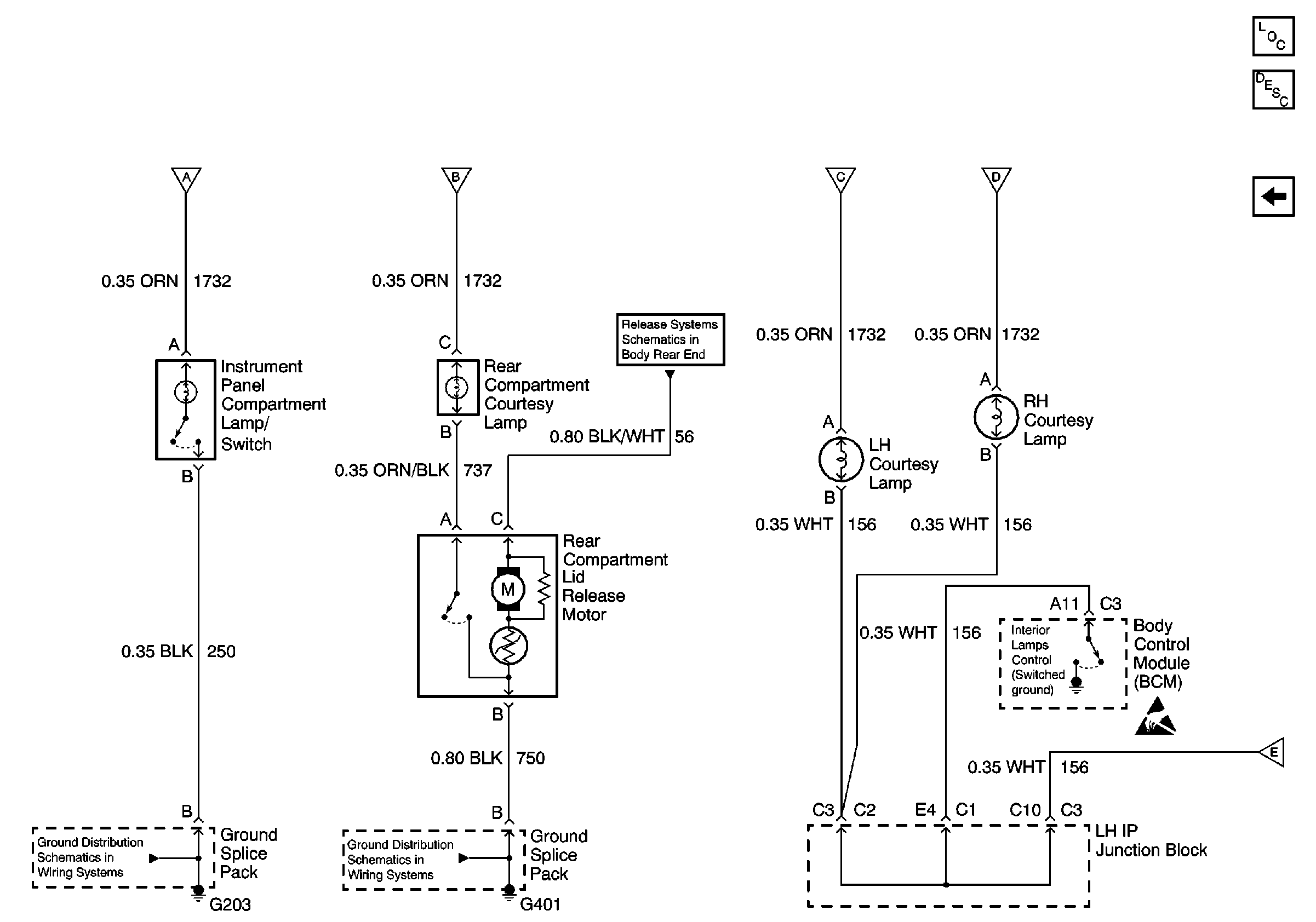
Courtesy and Instrument Panel Compartment Lamps
Power Distribution Schematics
Ground Distribution Schematics
Ground Distribution Schematics
Courtesy and Instrument Panel Compartment Lamps
Courtesy and Instrument Panel Compartment Lamps
Courtesy and Instrument Panel Compartment Lamps
Courtesy and Instrument Panel Compartment Lamps
Courtesy and Instrument Panel Compartment Lamps
Figure
2:
Courtesy and Instrument Panel Compartment Lamps
Lighting Systems Components
Interior Lights Circuit Description
Dome, Reading and Vanity Mirror Lamps
Ground Distribution Schematics
Ground Distribution Schematics
Release Systems Schematics
Dome, Reading and Vanity Mirror Lamps
Dome, Reading and Vanity Mirror Lamps
Dome, Reading and Vanity Mirror Lamps
Dome, Reading and Vanity Mirror Lamps
Dome, Reading and Vanity Mirror Lamps