GM Service Manual Online
For 1990-2009 cars only
Makes
🢒
Chevrolet
🢒
2000
🢒
Malibu
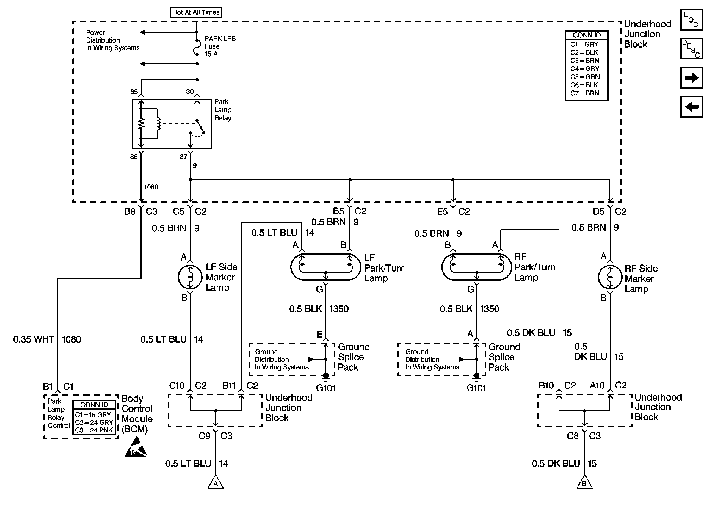
🢒 Front Park/Turn and Marker Lamps
Front Park/Turn and Marker Lamps
Front Park/Turn and Marker Lamps
Lighting Systems Components
Exterior Lights Circuit Description
License Lamp
Rear Turn/Hazard Lamps
Ground Distribution Schematics
Ground Distribution Schematics
Handling ESD Sensitive Parts Notice