GM Service Manual Online
For 1990-2009 cars only

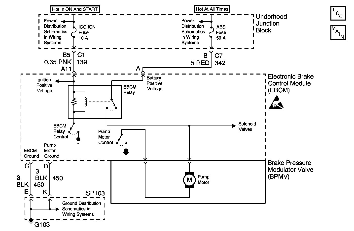
Object Number: 561447  Size: MF
ABS Components
Antilock Brake System Schematics
Handling ESD Sensitive Parts Notice
Power Distribution Schematics
Power Distribution Schematics
Ground Distribution Schematics

Circuit Description

The pump motor is an integral part of the Brake Pressure Modulator Valve (BPMV). The EBCM relay supplies power to the solenoid valves and pump motor. The EBCM relay activates when the ignition is turned to the ON position. The EBCM relay remains engaged until the ignition is turned to the OFF position or until the system detects a malfunction.

Conditions for Running the DTC

    • The pump motor is commanded ON.
    • The switched battery voltage is greater than 8 volts.

Conditions for Setting the DTC

The pump motor voltage is too low. There is not enough voltage to run the pump motor.

Action Taken When the DTC Sets

The following actions occur:

    • The EBCM disables the ABS for the duration of the ignition cycle.
    • The DRP does not function optimally.
    • The ABS warning indicator turns ON.
    • A malfunction DTC is stored.

Diagnostic Aids

    • Possible causes for DTC C1218 to set are:
       - The Pump motor ground is open.
       - The pump motor ground has high resistance.
       - The pump motor low side circuit is shorted to battery.
       - An internal EBCM malfunction exists.
    • The pump motor is an integral part of the BPMV and is not serviced separately.
    • The EBCM relay is an integral part of the EBCM and is not serviced separately.
    • It is very important that a thorough inspection of the wiring and connectors be performed. Failure to carefully and fully inspect the wiring and connectors may result in a misdiagnosis, causing part replacement with a reappearance of the malfunction.
    • If an intermittent malfunction exists, refer to Testing for Intermittent Conditions and Poor Connections in Wiring Systems.

Test Description

The numbers below refer to the step numbers on the diagnostic table.

  1. This step tests the pump motor circuits of the BPMV for an open.

  2. This step tests the pump motor and pump motor circuits by supplying power and ground.

Step

Action

Value(s)

Yes

No

1

Did you perform the ABS Diagnostic System Check?

--

Go to Step 2

Go to Diagnostic System Check - ABS

2

  1. Turn OFF the ignition.
  2. Disconnect the EBCM harness connector
  3. Connect the J 39700 universal pinout box using the J 39700-99 cable adapter to the EBCM harness connector only.
  4. Test both ground circuits of the EBCM including ground G103 for a high resistance or an open.

Did you find and correct the condition?

--

Go to Step 8

Go to Step 3

3

  1. Remove the EBCM from the BPMV. Refer to Electronic Brake Control Module Replacement .
  2. Measure the resistance between the pump motor control circuits of the BPMV.

Does the resistance measure less than the specified value?

5 ohms

Go to Step 4

Go to Step 6

4

  1. Connect a 40 amp fused jumper between one control circuit of the BPMV and battery positive voltage.
  2. Connect a 40 amp fused jumper between the other control circuit of the BPMV and ground.
  3. Reverse the fused jumper connection on the control circuits of the BPMV

Does the motor run for either test?

--

Go to Step 5

Go to Step 6

5

  1. Reconnect all components.
  2. Use the scan tool in order to clear the DTCs.
  3. Operate the vehicle within the Conditions for Running the DTC as specified in the supporting text.

Does the DTC reset?

--

Go to Step 7

Go to Testing for Intermittent Conditions and Poor Connections in Wiring Systems

6

Replace the BPMV. Refer to Brake Pressure Modulator Valve Replacement .

Did you complete the repair?

--

Go to Step 8

--

7

Replace the EBCM. Refer to Electronic Brake Control Module Replacement .

Did you complete the repair?

--

Go to Step 8

--

8

  1. Use the scan tool in order to clear the DTCs.
  2. Operate the vehicle within the Conditions for Running the DTC as specified in the supporting text.

Does the DTC reset?

--

Go to Step 2

System OK