GM Service Manual Online
For 1990-2009 cars only
Makes
🢒
Chevrolet
🢒
2005
🢒
Malibu
🢒
Vehicle Control Systems
🢒
Vehicle DTC Information
🢒 Driver Seat Schematics
Figure
1:
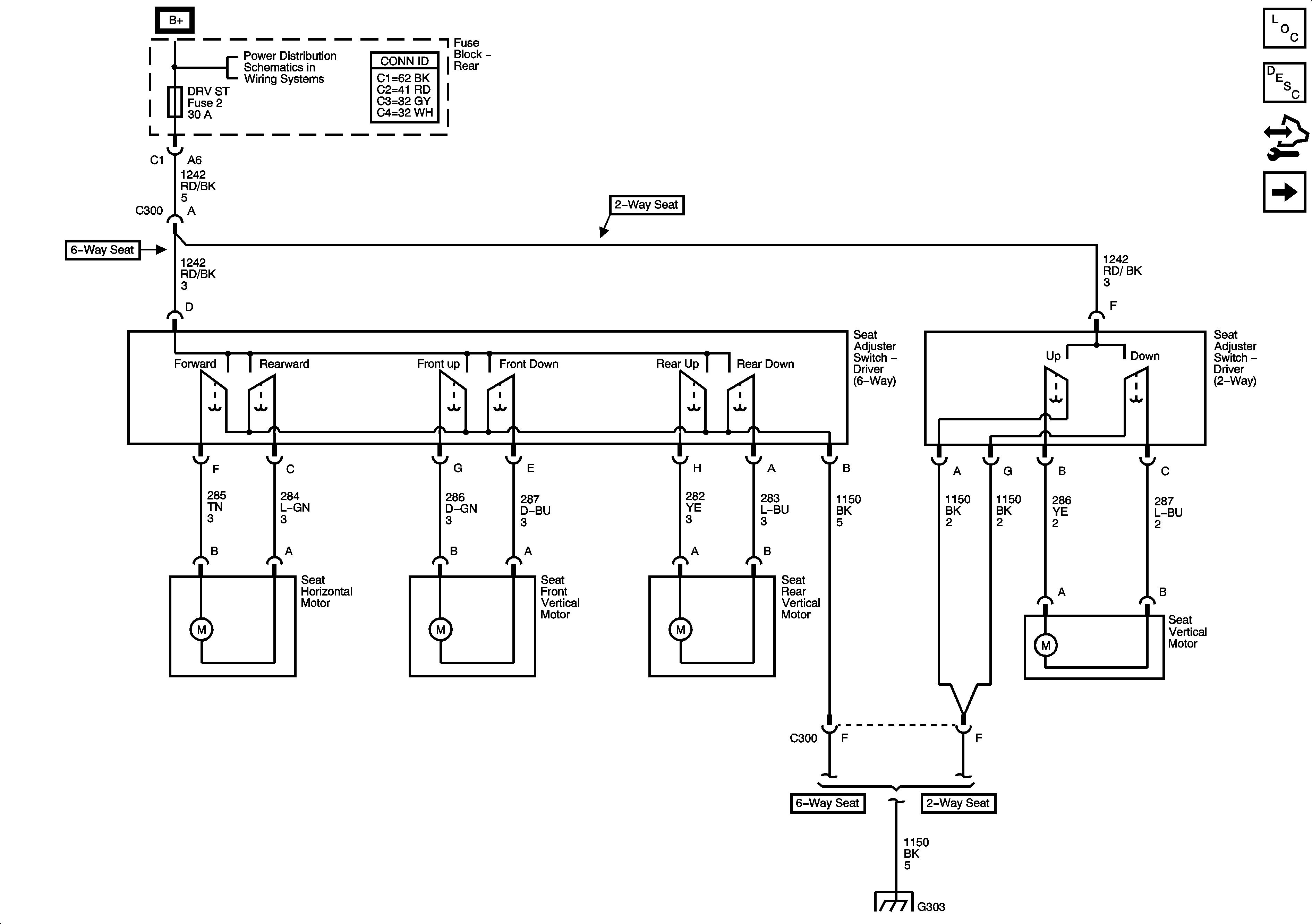
Power Driver Seat
Master Electrical Component List
Power Seats System Description and Operation
Control Module References
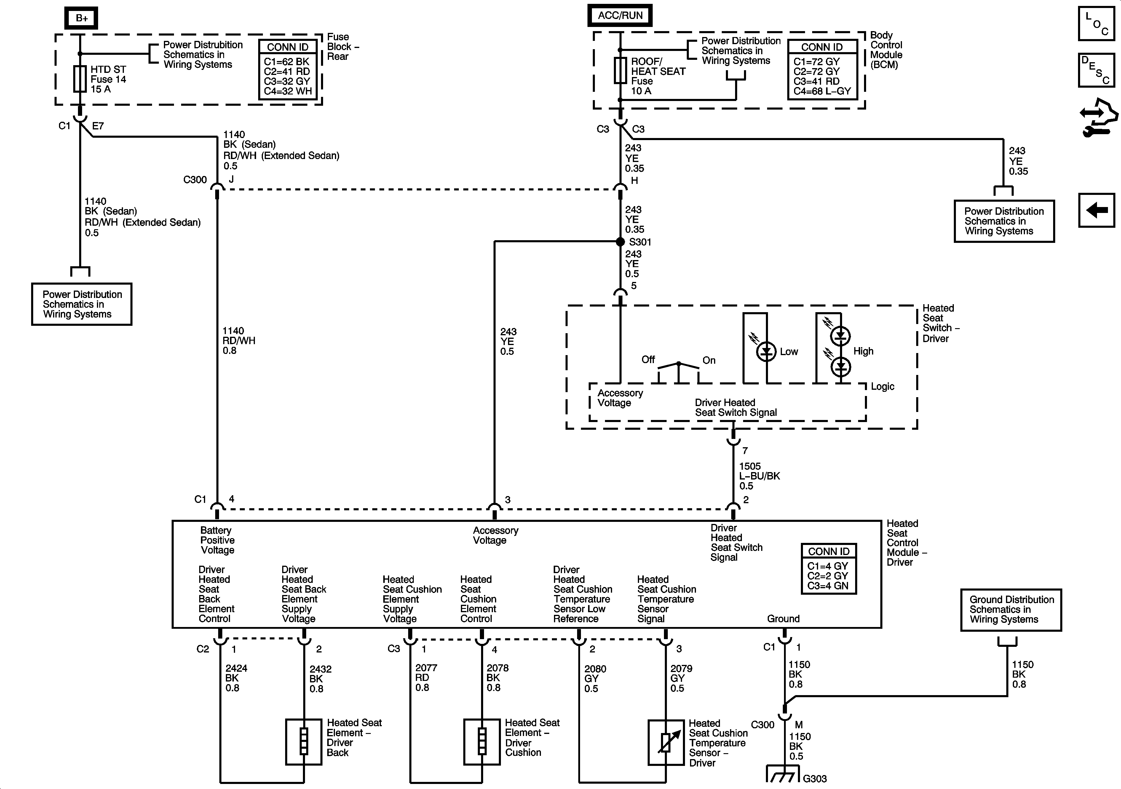
Heated Driver Seat
Underhood Fuse Block - Run Relay, RBEC Battery 2 Fuses, Rear Fuse BLock - Driver Power Seat, Fuel Pump, Park Lamps, Trunk Release, ERLS Fuses
G303
Figure
2:
Heated Driver Seat
Master Electrical Component List
Heated Seats Description and Operation
Control Module References
Power Driver Seat
Underhood Fuse Block - RBEC Fuse Rear Fuse Block - Cigar/Aux Power, Sunroof,RKEW/SM/DVD/UGD, Stop Lamp, Rear Defog, HTD Mirror, AUX PWR, HTD Seat Fuses
Underhood Junction Block - ICBM Batt2, BCM - PWR Windows, Wiper Sw, Sunroof/HTD Seat Fuses
Underhood Fuse Block - RBEC Fuse Rear Fuse Block - Cigar/Aux Power, Sunroof,RKEW/SM/DVD/UGD, Stop Lamp, Rear Defog, HTD Mirror, AUX PWR, HTD Seat Fuses
Underhood Junction Block - ICBM Batt2, BCM - PWR Windows, Wiper Sw, Sunroof/HTD Seat Fuses
G303
G303