GM Service Manual Online
For 1990-2009 cars only
Makes
🢒
Chevrolet
🢒
2005
🢒
Malibu
🢒
Vehicle Control Systems
🢒
Vehicle DTC Information
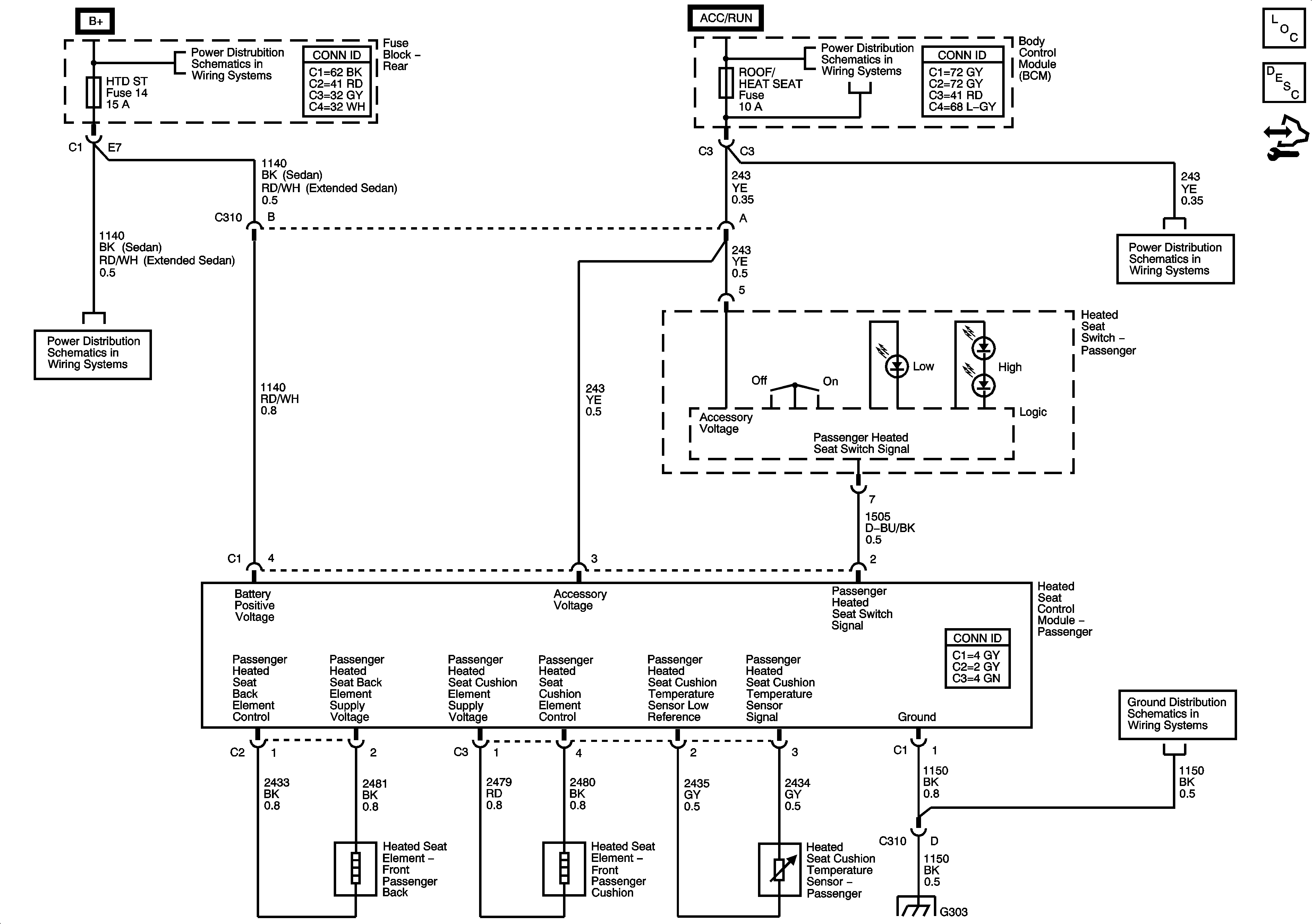
🢒 Passenger Seat Schematics
Master Electrical Component List
Heated Seats Description and Operation
Control Module References
Underhood Fuse Block - RBEC Fuse Rear Fuse Block - Cigar/Aux Power, Sunroof,RKEW/SM/DVD/UGD, Stop Lamp, Rear Defog, HTD Mirror, AUX PWR, HTD Seat Fuses
Underhood Junction Block - ICBM Batt2, BCM - PWR Windows, Wiper Sw, Sunroof/HTD Seat Fuses
Underhood Fuse Block - RBEC Fuse Rear Fuse Block - Cigar/Aux Power, Sunroof,RKEW/SM/DVD/UGD, Stop Lamp, Rear Defog, HTD Mirror, AUX PWR, HTD Seat Fuses
Underhood Junction Block - ICBM Batt2, BCM - PWR Windows, Wiper Sw, Sunroof/HTD Seat Fuses
G303
G303